资料
组合音响维修实用资料(2)

🏠 首页 《无线电》杂志 2003年 🔗 第2期 🔗 第1065353216页 分类:家电维修 🔗 王德沅 🔗

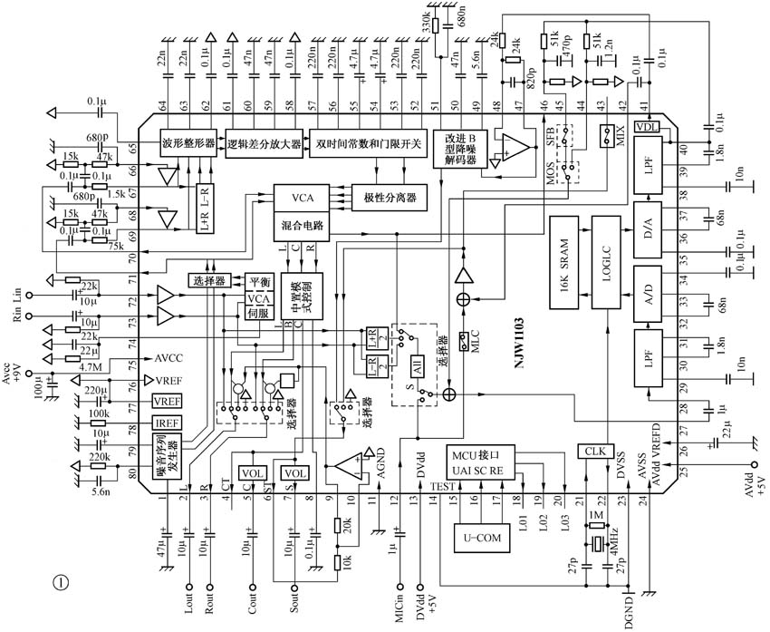
杜比定向逻辑解码电路NJW1103是大规模集成电路。其内部各功能电路的具体结构及典型应用电路见图1。NJW1103采用扁平四列80引脚塑封结构,各引脚的英文名称、功能说明及实测电压数据如表1所示。

图2
图2 🔍原图 (850×697)
图1
图1 🔍原图 (965×258)

(王德沅)