PL757型收音机是德生公司推出的新型数字调谐收音机中的一种,该机控制电路采用东芝公司生产的专用数字调谐芯片TC9316F,具有直接输入电台频率的功能,并且能够预存储24个电台。该机电路由系统功能控制电路板和主电路板组成,功能控制电路板部分的电路原理图见图1,主电路板部分的电路原理图见图2。下面以其工作流程对各部分工作原理作一介绍。
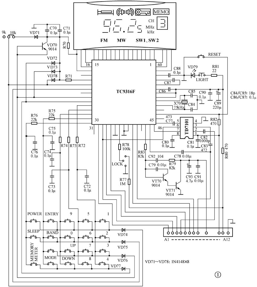
TC9316F采用CMOS 60脚封装。该芯片内置LCD驱动器;调谐方式除手动、自动搜索、短波米波段扫描外,还具有频率直接键入方式;具有睡眠自动关机以及存储扫描功能;工作电压为1.8~3.6V,而且,其PLL步长频率可以在9kHz、10kHz之间任意选择,TC9316F的接收波段及本振频率可以通过改变芯片外接二极管的数目来调整,详细设置方法见《无线电》2002年合订本(上)的附录资料。为了便于读者了解TC9316F的工作过程,在此将TC9316F主要引脚功能简述如下:TC9316F的①~以及为LCD驱动输出端,最多可以驱动60段LCD;紛{3}脚为键盘矩阵接口端,中还作为启动信号输出端,在实际电路中,都接有1个10kΩ的上拉电阻(图1中没有画出),当按下相应的按键时,相应的引脚从高电平转换为低电平,松手后,该脚又恢复为高电平;为波段控制信号输出端,可以在这两个引脚外接译码器,根据相应的波段电平来控制相应的波段电压,以进行波段转换;为静噪信号输出端,在进行自动调谐过程中,该脚处于高电平状态,该高电平一方面使TA8132AN的⑧脚为高电平,TA8132AN停止中频输出信号,另一方面使功放电路CXA1622M的为高电平,CXA1622M内部电路执行静音操作,实现在调台过程中静音;为中频计数脉冲信号输入端,与TA8132⑨脚通过耦合电容C33相连,从中放电路输出的中频计数脉冲进入TC9316F的,该脉冲频率为外来信号频率与本振频率之差,若该频率为133.75kHz(10.7MHz的1/8分频)或者450kHz(AM)时,TC9316F立即发出停止搜索的指令,停留在收到的电台上,此时TC9316F的输出低电平,使静音电路停止工作,扬声器正常播放电台声音,当该线路断裂或耦合电容器失效情况时,收音机在调谐过程中将会出现收到电台不能自动停止的故障;为PLL鉴相输出端,与外置的低通滤波器(LPF)相配合,产生不同的调谐电压,使变容二极管电容改变而产生不同调谐振荡频率,进而实现自动选台;为中断输入端,当该脚为高电平时,与收音有关的电路开启,低电平时则为关闭状态,此时PLL和IF计数器转为复位状态;紝{5}脚为系统复位指令输入端,当该脚为低电平时系统复位,当转换到高电平时,程序从0地址开始执行,故通常外接“RESET”按钮进行系统复位。TC9316F的详细资料可到http://www.21icsearch.com/searchpdf/toshi-ba/e005513.pdf下载。TC9316正常工作时的测试数据如表1所示(见本期25页资料栏)。图1中,集成电路TD7101F为可编程预置分频器。该集成电路可以根据TC9316的平状态来调整相应的分频状态。TD7101F的详细资料可到http://www.degen.com.cn/download/data/td7101.pdf下载。TD7101F各引脚在正常工作时的测试数据如表2所示(见本期25页资料栏)。当按动图1中的“POWER”键时,TC9316F紟{3}脚输出高电平,这一电平通过接口电路的A3端子,加到图2中的开关管VT23基极使VT23导通,进而VT19、VT24导通,整机得电工作,同时VT18导通,为TD7101F的①脚供电。再按动图1中的“POWER”键时,TC9316F输出低电平,这一电平通过接口电路的A3端子,加到图2中的开关管VT23基极,使VT23截止,进而VT19、VT18、VT24截止,切断主板供电。
二、波段控制电路
该机波段转换电路摒弃了易出故障的手动转换开关,而采用了3位8选1译码器74LS138作为轻触式电子波段开关。74LS138是高速CMOS电路,耗电极微,工作电压范围宽。74LS138的详细资料可到http://www.eecs.cwru.edu/courses/e-ces301/ds/sn74ls138rev5.pdf下载。74LS138各引脚测试数据如表3所示(见本期25页资料栏)。当按动波段选择按键“BAND”按钮将收音机波段选择在MW波段时,TC9316F的输出高电平,输出低电平,该控制电压通过接插件的A1、A2端子使74LS138的①脚A0端为高电平,②脚A1端为低电平,于是74LS138的O-\(_{1}\)端输出低电平,其余输出端均输出高电平。于是,图2中的VT6、VT7导通,其中VT6导通后将AM磁性天线线圈、振荡电容TC4、C27、变容二极管VD5、高放管VT3等元件组成的MW调谐回路接入TA8132的①脚;VT7导通后将变容二极管VD6、C34、T6、C38组成的MW本振调谐回路接入TA8132的③脚。当按动波段选择按键“BAND”按钮将收音机波段选择在SW1波段时,TC9316F的输出低电平,输出高电平,该控制电压通过接插件的A1、A2端子使74LS138的①脚A0端为低电平,②脚A1端为高电平,于是74LS138的O-\(_{2}\)端输出低电平,其余输出端均输出高电平。于是图2中的VT5、VT8导通,其中VT5导通后将线圈T5、振荡电容TC3、变容二极管VD4,高放管VT2等元件组成的SW1调谐回路接入TA8132的①脚;VT8导通后将变容二极管VD7、C35、T7组成的SW1本振调谐回路接入TA8132的③脚。当按动波段选择按键“BAND”按钮将收音机波段选择在SW2波段时,TC9316F的输出高电平,输出高电平,该控制电压通过接插件的A1、A2端子使74LS138的①脚A0端、②脚A1端均为高电平此时74LS138的O-\(_{3}\)端输出低电平,其余输出端均输出高电平,此时,图2中的VT4、VT9导通,将线圈T4、振荡电容TC2、变容二极管VD3,高放管VT1等元件组成的SW2调谐回路接入TA8132的①脚;将变容二极管VD8、C36、T8组成的SW2本振调谐回路接入TA8132的③脚。当按动波段选择按键“BAND”按钮将收音机波段选择在FM波段时,TC9316F的、紞{3}脚均输出低电平,控制电压通过接插件的A1、A2端子使74LS138的①脚A0端、②脚A1端均为低电平,于是74LS138的O-\(_{0}\)端输出低电平,其余输出端均输出高电平。此时,图2中的VT11导通,将高频放大器TA7358P的⑨脚与电源接通,TA7358AP得电工作,对FM信号进行处理,同时VT11集电极的高电平通过电阻R10 、电感L1而加在VD9的正极。由于VD9的负极经过L4、T4、T5接地,所以此时VD9导通,天线接收到的电波信号经过C1、VD9、C2耦合到TA7358P的①脚进行放大。而且,VT11集电极的高电平使TA8132AN的紣{1}脚外接晶体管VT16截止,TA8132AN的紣{1}脚保持低电平,TA8132AN工作在FM状态。
三、FM高放电路
德生PL757收音机中的FM高放电路由TA7358P及其外围元件组成。TA7358P/AP是东芝公司生产的FM收音机调谐器专用电路,该集成电路内部包含有FM高放、本振、混频以及缓冲放大等电路,其详细资料可到http://www.contek-ic.com/products/pdf/icpdf/TA7358p.pdf下载。TA7358P各引脚功能与测试数据如表4所示(见本期25页资料栏)。在FM波段,拉杆天线接收到的电波信号经过电容C1、远程/近程转换开关S1加到VD9的负极。而此时,VD9由于L1、R10的作用而处于导通状态,于是天线接收到的电波信号经过C1、R1、VD9、C2等元件组成的带通滤波器滤波后加到TA7358P的①脚进行放大。S1为远程/近程转换开关,R1为远程/近程切换电阻,当将S1拨至“远程” 位置时,R1被短接,信号不经衰减而直接进入带通滤波器。TA7358P的③脚外围元件VD1、TC1、C3、C4、L2为内部高放电路谐振元件,从③脚输出的高放信号由C7耦合到④脚内部的混频电路进行混频;TA7358P的⑧脚外围元件VD2、C13、C14、L3共同构成FM本振电路,本振信号经过内部缓冲放大器缓冲放大后也进入混频电路与输入信号进行混频。混频后的信号由TA7358P的⑥脚输出,⑥脚输出的混频信号经过由T1及其外围元件构成的选频网络选出10.7MHz的中频信号,10.7MHz中频信号经过VT10进行预放大再经过10.7MHz 三端陶瓷滤波器CF1滤波后送至TA8132AN的FM输入端。TA7358P的⑧脚输出的FM本振信号经过接插件的A4端子送至图1中TD7101F的②脚,经过TD7101F内部预分频电路分频后送入TC9316F的,使LCD显示屏显示出基准频率所对应的FM电台频率值。
(赵理科)
