在示波器的实际应用中,有时需要同时观察三路或四路信号的波形,如果手头上没有多踪示波器,可按本文介绍的方法自制一个电子开关数字电路板,与单踪示波器组合起来,就可作为四踪示波器使用。
电子开关数字电路板与单踪示波器的连接如图1所示。使用时,将单踪示波器的V/DIV拨到合适的挡位,在电子开关数字电路板的输入端y1、y2、y3、y4接零电位的前提下,分别调节RP12、RP22、RP32和RP42,在示波管屏幕上可以观察到有四条横向扫描线自由上下移动。当y1、y2、y3、y4接入被测信号后,分别调节RP11、RP21、RP31和RP41,可以观察到对应的各路被测信号幅度的改变。分别调节RP12、RP22、RP32和RP42,即可观察到对应的各路信号位置的变化。

1. 电子开关数字电路的工作原理
图2是电子开关数字电路的方框图。矩形波信号发生器产生频率足够高的脉冲信号送到两位二进制计数器,由计数器输出00→01→10→11四组循环编码送至译码器。经译码器译码后,其y0、y1、y2、y3依次循环输出一个矩形脉冲,用它来控制四模拟开关A、B、C、D,使其依次接通。这样就使y1、y2、y3、y4四路被测信号通过运算放大器放大后送到示波器的Y轴输入端子,示波器荧光屏上就分别独立显示出四路被测信号的波形。

2. 电子开关数字电路的组成
本电路主要由六块集成电路组成,它们分别是:
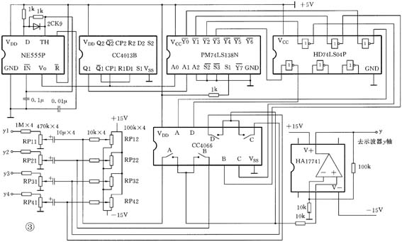
(1) NE555P:用于产生矩形波控制信号。
(2) CC4013:形成两位二进制累减计数器输出11、10、01、00四组循环编码。
(3) PM74LS138N:对上列四组循环编码进行译码,在它的四个输出端Y0、Y1、Y2、Y3依次循环输出一个低电平控制信号。
(4) HD74LS04P:这是一块6非门集成电路,这里使用其中4个非门将译码器输出的低电平转化为高电平,以满足四双向模拟开关CC4066的控制条件。
(5) CC4066:为四双向模拟开关。在译码器及四个非门的控制下依次接通电子开关A、B、C、D,将四路被测信号依次送往运算放大器进行放大。
(6) HA17741:为运算放大器,用以将被测信号依次放大送往示波器的Y轴输入端。
电子开关数字电路的电原理图如图3所示。

3. 电子开关数字电路组装需要注意的问题
(1) 四双向模拟开关CC4066的四路节拍矩形波控制脉冲由时基电路NE555P产生,所以一定要用示波器观察到时基电路起振产生出矩形波,要求频率足够高,使显示波形无闪烁感。
(2) 四双向模拟开关CC4066容易将±15V电压里的交流干扰波从RP12、RP22、RP32和RP42窜入示波器产生干扰,所以要求±15V直流电源的稳定度要高,纹波要小。
(冼泽勇)
编者注:
HA17741的原厂英文资料可上网查询:www.cse.ucsc.edu/classes/ee070/spring02/DataSheet-HA17741. pdf。