⑴ 时基集成电路是一种能产生时间基准并能完成各种定时、延迟功能的非线性模拟集成电路。有金属壳圆形封装和双列直插式封装等形式,如图1所示。它广泛应用于信号产生、波形处理、定时延时、电子玩具等领域。

⑵ 电路符号、引脚如图2所示。

⑶时基集成电路将模拟电路与数字电路巧妙地结合在一起,图3为其内部方框图。电阻R1、R2、R3组成分压网络,为A1、A2两个电压比较器提供盳/2VCC和盳/1VCC的基准电压。其输出分别作为RS触发器的置“0”和置“1”信号。输出驱动级和放电管VT受RS触发器控制。由于R1~R3均为5kΩ,所以该集成电路又称为555时基电路,俗称“三5”电路。

⑷ 555时基电路工作原理是:当置“0”端R≥盳/2VCC时S>盳/1VCC),上限比较器A1输出为“1”、使输出端VO为“0”,放电管VT导通,DISC端为“0”。当置“1”端S≤盳/1VCC时(R<盳/2VCC),下限比较器A2输出为“1”、使输出端VO为“1”,放电管VT截止,DISC端为“1”。MR为强制复位端,MR=0时,VO=0,DISC=0。附表为电路逻辑真值表。

⑸ 时基电路可分为双极型和CMOS型两大类。有单时基电路和双时基电路。CB555是双极型单时基集成电路,输出电流达200mA,可直接驱动直流电机、继电器等。

⑹ CB556是双极型双时基电路,内含两个完全一样的互相独立的双极型555时基单元。

⑺ CB7555是CMOS型单时基集成电路,由于其输入阻抗很高,可以用较大的电阻和较小的电容获得长延时。图7为其引脚功能图。

⑻ CB7556是CMOS型双时基电路,内含两个独立的CMOS型555时基单元。图8为其引脚功能图。

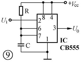
⑼ 工作模式为:单稳态、无稳态、双稳态和施密特模式。图9为单稳态,R、C组成定时电路。常态为稳态,输出端③脚UO=0,放电端⑦脚导通到地,C上无电压。

⑽ 在输入端②脚输入一负触发信号Ui(≤盳/1VCC)时,电路翻转为暂稳态,UO=1,⑦脚截止,电源经R对C充电。当C上电压UC达到盳/2VCC时,电路再次翻转到稳态。脉宽TW≈1.1RC,波形如图10所示。

⑾ 多谐振荡器(无稳态电路)如图11所示,置“1”端S(②脚)和置“0”端R(⑥脚)接在一起,R1、R2和C组成充放电回路。
⑿ 刚通电时,C上无电压,输出端(③脚)UO=1,放电端(⑦脚)截止,电源经R1、R2向C充电。当C上电压UC达到盳/2VCC时,电路翻转,UO变为“0”,⑦脚导通到地,C经R2放电。放电至UC=盳/1VCC时,电路再次翻转,UO又变为“1”,如此周而复始形成振荡,输出方波,振荡周期T≈0.7(R1+2×R2)C,波形见图12。
⒀ 555时基电路组成的双稳态触发器如图13所示。置“1”端S(②脚)和置“0”端R(⑥脚),分别接有C1、R1和C2、R2构成的微分触发电路。
⒁ 当有负触发脉冲U2加至(②脚)时,③脚UO=1。当有正触发脉冲U6加至(⑥脚)时,UO=0。实现两个稳态,波形见图14。
⒂ 555时基电路组成的施密特触发器如图15所示,②、⑥脚接在一起作为触发信号Ui的输入端。
⒃ 当输入信号Ui≥盳/2VCC时,输出信号UO=0;当输入信号Ui≤盳/1VCC时,输出信号UO=1。施密特触发器可以将缓慢变化的模拟信号整形为边沿陡峭的数字信号,波形见图16。
⒄ 利用555电路的放电端⑦脚可以组成电平转换电路。图17所示为反相电平转换电路,R1为上拉电阻。输出UO与输入Ui相位相反,但幅度为Ui的两倍。
⒅ 利用555时基电路的复位端④脚可以组成同相电平转换电路,如图18所示。输出UO与输入Ui相位相同,且UO=2Ui。
⒆ 图19为延时关灯电路,555接成单稳态模式,C1、R1为定时元件。按一下SB,照明灯EL亮,延时约25s后自动关灯。
⒇ 图20为可调脉冲信号发生器,555接成无稳态,RP2为频率调节,RP1为占空比调节。输出100Hz~10kHz的方波,占空比可在5%~95%之间调节。OUT1输出脉冲方波,OUT2输出交流方波。
(莫恩)