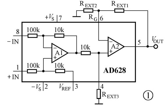
高共模电压增益可编程差动放大器AD628
AD628是一种具有高共模电压抑制比的精密差动放大器。共模电压高,在±15V供电时,可达±140V,在单电源时,可达40V;增益0.01~1000;失调电压温度稳定性为10μV/℃(max);增益漂移为10ppm/℃(max);共模抑制比80dB(min),从直流到500Hz。应用于可编程逻辑控制模拟输入电压,如5V、10V、±5V,并可将4~20mA变换成另一个单端电压输出,此电压适合A/D变换器电压范围;高电压电流检测;传感器信号处理等。
放大器的增益为:
G=0.1[REXT3/(REXT3+10kΩ)](1+REXT1/REXT2)
工作温度-40℃~+85℃。应用电路如图1所示。单电源时,VREF与-VS接地。

查询网址:www.analog.com。
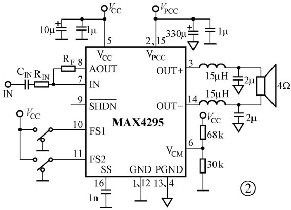
开关型音频功率放大器MAX4295
这是一种开关型(D类)音频功率放大器:单电源2.7V~5.5V;单声道输出,在5V供电时功率可达2W,3V时为0.7W;在PO=2W、RL=4Ω时,效率为87%(线性放大器的效率低于50%);在开关频率为125kHz,RL=4Ω时,THD+N为0.4%;开关频率可设定;有低功耗关闭控制,此时为1.5μA;启动时无冲击声;有过流及过热保护;16管脚SO及QSOP封装;工作温度-40℃~+85℃。
用于台式或笔记本式电脑,PDA的音频部分、声卡、游戏卡、交流放大器、无绳电话、便携式音频装置等。
应用电路见图2。增益G正比于 RF/RIN。VCC为模拟电路的电源,它需接10μF电解电容及1μF陶瓷电容;VPCC为开关电路的电源,它需接330μF电解电容及1μF陶瓷电容作旁路电容。接地要分开(图中GND与PGND的接地图符是不同的),模拟地与功率地只有一个点相连接。

FS1、FS2为开关频率选择端,有125kHz、250kHz、500kHz及1MHz四种。SS端接软启动电容,抑制开机的“咔哒”声。VCM端给前置提供0.3VCC的共模电压。15μH与2μF滤去开关频率,只允许音频进入扬声器。
低功耗电压基准MAX6129系列
MAX6129系列电压基准输出电压有2.048V、2.5V、3.0V、3.3V、4.096V及5V。该系列主要特点是:输出电流可达5mA;消耗电流仅5μA;压差低于200mV,即VIN≥VOUT+0.2V;无需外接电容;有两种初始精度:A级0.2%;B级0.5%;A级及B级的温度系数分别为40ppm/℃及100ppm/℃。采用5管脚SOT-23封装,工作温度范围-40℃~+85℃。
该系列从2.048~5V(6种)分别用后缀21、25、30、33、41及50来表示。主要用于蜂窝电话、便携式医疗仪器等。典型应用电路如图3所示。
查询网址:www.maxim-ic.com。
超微功耗电压监控电路TPS3836系列
TPS3836系列为DSP及微处理器系统提供初始化及定时管理。上电时,RESET一直监测VDD是否低于阈值,低于阈值
时,RESET输出复位信号(低电平有效)。当VDD上升到阈值电压加0.2V以上时,经延迟(tD=10ms,CT=GND;tD=200ms,CT=VDD)后RESET输出高电平。手动复位MR(低电平有效)。
特点:工作电压1.6V~6V;电流为220nA;监控电源电压有1.8V、2.5V、3.0V及3.3V四种,其相应的监控电源阈值电压分别为1.71V、2.25V、2.79V、2.64V及2.93V。其中VDD=3.0V的阈值电压有两种:2.79V及2.64V。后缀分别为:E18、J25、H30、L30及K33。如TPS3836H30的VDD工作电压为3.0V,其阈值电压为2.79V。当VDD降到2.79V以下时,将输出复位信号;5管脚SOT-23封装;工作温度-40℃~+85℃。
TPS3836K33的应用电路如图4所示。它的RESET端直接与微处理器的RST接口。MR为手动复位端。

查询网址:www.ti.com。
