FM-1505只用一枚钮扣电池即可长期工作的超小型调频发射机。体积为:10×2.5mm3。工作电压1.5~3V,电流300~800μA,频率70~110MHz,电压1.5V时其发射距离大于30m,输入阻抗600Ω,输出阻抗75Ω,天线为240mm软导线。特点是体积小、功耗低、工作稳定、声音清晰,不需要外接任何元器件即可工作。可作为微型无线话筒、无线报警器,可广泛用于遥控、监听、数据传送等电器设备中。
FM-1505采用黑胶软封装结构,引脚排列如图1所示。①脚OUT射频输出、天线;②脚Vss电源负极;③脚Vcc电源正极;④脚IN音频输入。将话筒、线路来的音频信号或数字编码信号输入到模块的4脚,经模块内部进行频率调制,放大后由①脚输出、通过天线发射出去,或再进行功放后发射。最后经调频收音机接收。图2是使用话筒的方法,图3为线路输入方法。若要改变发射频率,可在图4模块①、④脚接20p的微调电容器,调整该电容即可改变发射频率。具体应用如下:




一、微型无线传声器
将1.5V钮扣电池和图2电路结合起来即是一部钮扣式无线传声器,将它安装在衣服的扣子或领口上,可以把讲话的内容传送到半径60m范围内的任何地方进行收听。作为学校教学、会议传声,翻译等场合使用是非常方便的。
二、失物报警器
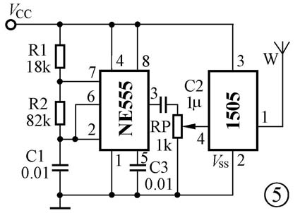
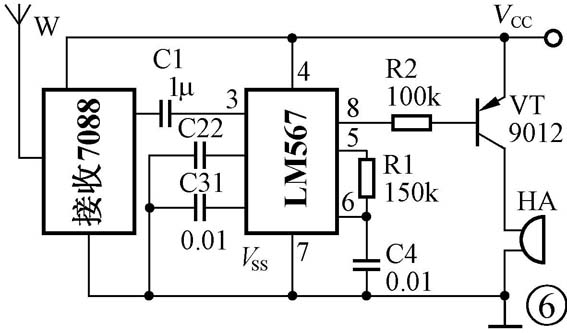
利用1505低电压、低功耗、体积小的特点,适合做成失物报警器。由NE555和1505组成的发射器放在物品中,对应的接收器随身携带。接收器的信号处理用LM567锁相环。当物体离开人2m左右时,567收不到555产生的音频信号,LM567⑧脚由高电平变成低电平,VT导通,蜂鸣器HA得电发出报警声,见图5、图6所示。


三、无线门磁传感器
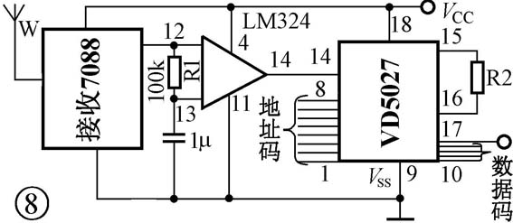
将VD5026编码块和1505④脚相接,用一门磁开关控制其电源,图7就是一个微型无线传感器。把它装在门窗上,当门窗非法打开时,电源接通,VD5026的编码信号经1505发射出去,被图8电路接收、放大、整形后由VD5027解码从输出控制信号,控制报警器工作。


1505还可作有源无线智能卡,使读卡距离大增,提高了使用的灵活性。
有关传声模块的供货信息请参见本期第70页广告。
(郝小平)