资料
组合音响维修实用资料(1)

🏠 首页 《无线电》杂志 2003年 🔗 第1期 🔗 第1065353216页 分类:家电维修 🔗 王德沅 🔗

编者按:
近年来,各种杜比环绕功放、AV功放和组合音响深受广大消费者青睐,尤其是微型组合音响更是异军突起,社会拥有量迅猛上升,为此本编辑部请王德沅同志撰写了一些较有代表性的杜比环绕功放、AV功放和组合音响的实用维修资料,从本期起开始连载。

图1
图1 🔍原图 (1134×547)
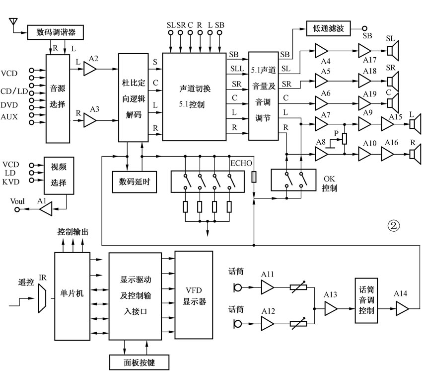
图2
图2 🔍原图 (850×746)