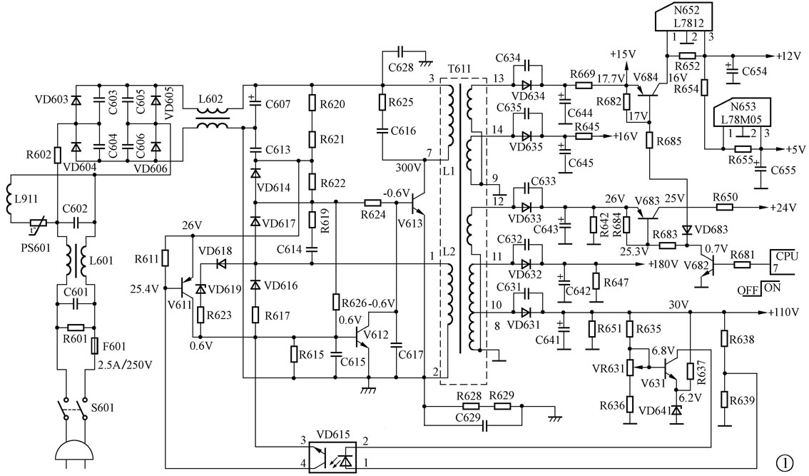
A3/A6机芯开关电源具有结构简单,经济实用等特点,是彩色电视机用得最多的一种电源,它不但用于A3/A6机芯中,还广泛用于新型数码彩电中。目前康佳、长虹、海信、厦华等品牌彩电,均有许多机型使用了这一电源。本文以海信76810机芯为例,来分析这种电源的工作过程及检修方法,具体电路见图1。

工 作 过 程
1.整流滤波电路
220V交流市电经电源开关、保险管及低通滤波后,一路送至消磁线圈,以便每次开机时,能对显像管进行一次消磁;另一路送至桥式整流电路,经整流后,变成脉动直流,再由L602和C607进行滤波,从而在C607上建立起约300V的直流电压,该电压便是开关电源的直流供电电压。为了分析方便,不妨将C607的负端定义为电源“地”,这个“地”又称“热地”,而开关变压器右边的“地”为“冷地”。
2.开关振荡过程
开关电源的振荡过程是在开关管、启动电阻及正反馈电路的共同作用下完成的。开机后,C607上的+300V电压一方面经开关变压器的初级加到开关管V613的集电极,另一方面经启动电阻R620、R621、R622及R624加到V613的基极,从而使V613导通。V613一旦导通,便会产生集电极电流,相当于流过L1的电流增大了,故L1会产生上正下负的自感电压,L2上会产生上正下负的感应电压,该电压的负端加在V613的发射极上,正端经正反馈电路C614、R619送至V613的基极,从而使V613导通增强,集电极电流增大,L1继续产生上正下负的自感电压,L2也继续产生上正下负的感应电压,从而使V613导通又继续增强,这种正反馈的结果,很快使V613饱和。
V613饱和后,+300V的电压开始对L1充电,L1中的电流线性上升,L1和L2上的电压维持原极性。L2上的电压开始对C614充电,充电电流方向为:L2上端→C614→R619→R624→V613的be结→L2下端,由于充电电流流过V613,故充电电流会继续维持V613饱和,但随着充电的进行,C614上的电压越来越大,充电电流也越来越小,当充电电流小到一定程度时,V613便退出饱和区,进入放大区,此时,V613的基极电流又恢复对集电极电流的控制作用,因而,随着充电电流的继续减小,V613的集电极电流也会减小,L1和L2上的电压极性反转,都变为上负下正,L2上的电压反馈到V613的基极后,会使V613的导通程度继续下降,这种正反馈的结果,很快又使V613截止。
V613截止后,C614开始放电,放电路径为:C614下端→VD617→R619→C614上端,随着放电的进行,C614两端电压越来越低(指下端对上端),当放电完毕后,V613在启动电压的作用下又导通,进入下一个振荡周期(也可将C614的放电过程,理解为+300V电压对C614的反充电过程)。这样,由于启动电路和正反馈电路的共同作用,而使V613处于振荡状态。
3.稳压过程
该电源是通过调节开关管V613的饱和时间来稳定输出电压的,而其振荡频率维持不变。当+110V输出电压升高时,V631的基极电压也升高,而其射极电压却维持不变,故V631导通会增强,集电极电流增大,光电耦合器VD615中的二极管发光增强,光电三极管导通也增强,V611的基极电流增大,集电极电流也增大,从而使V612导通加强,对V613基极分流作用增大,V613饱和基极电流减小,饱和时间缩短,饱和期间,开关变压器初级所储存的能量减少,向次级释放的能量也就自然减少,从而使各路输出电压下降。若+110V输出电压下降,则调整过程相反。
4.各路电压输出过程
开关电源工作后,开关变压器初级上会产生脉冲电压,各次级绕阻上也会感应出大小不等的脉冲电压,这些脉冲电压经整流滤波后,变成整机所需的各种直流电压,直流电压产生的过程如下:
开关变压器输出的脉冲经VD634整流,C644滤波后,得到+15V的直流电压,该电压一方面送到遥控系统,在遥控系统中,被稳定成+5V电压,给CPU和存储器供电;另一方面,经电子开关V684送到N652,被稳定成+12V电压,送至视放末级及小信号处理电路,+12V还要经N653稳定成+5V电压,给小信号处理器供电。
开关变压器输出的脉冲经VD635整流,C645滤波后,得到+16V电压,该电压经限流电阻R645后,送至伴音功放,作为伴音功放的供电电压。
开关变压器输出的脉冲经VD633整流,C643滤波后,得到+24V电压,经电子开关V683后,送至场输出电路及行推动电路,作为它们的供电电源。
开关变压器输出的脉冲经VD632整流,C642滤波后,得到180V电压,给视放末级供电。
开关变压器⑩脚输出的脉冲经VD631整流、C641滤波后,得到+110V电压,给行输出电路供电。
5.待机控制过程
待机控制电压由CPU的⑦脚送来,正常工作时,CPU⑦脚输出高电平(5V),V682导通,V683及V684均饱和导通,+12V、+5V及+24V均能正常输出,小信号处理器及行场扫描电路工作正常。遥控关机后,整机进入待机状态,此时,CPU⑦脚输出低电平,V682截止,V683及V684也均截止,从而切断了+12V、+5V及+24V电压的输出,小信号处理器及行场扫描电路均停止工作。
6.保护过程
电源中设有两条过压保护电路,一条由R626、R615及C615组成,当市电增高而引起正反馈增强时,R626会将V613基极上的正反馈脉冲引到V612的基极,并使V612导通增强,从而对V613基极的分流作用也增强,因而可以限制V613的饱和基极电流,进而可以限制V613的饱和时间,使+B电压不只于过分升高。第二条保护电路由VD618、VD619及R623组成,当正反馈过强时,流过VD618、VD619及R623的电流也必增大,V612导通程度也增强,对V613基极的分流作用也增强,从而可以限制V613的饱和时间,进而限制了+B电压的升高。由于以上两条保护电路存在,当稳压环路出现异常时,+B电压也不会升得很高,一般在160V左右。
故 障 检 修
开关电源出现故障时,常会引起三无现象,检修时,最好将所有负载都断开,并在+B(110V)输出端与地之间接一假负载(60W或100W照明灯炮),这样可避免检修过程中损坏负载的现象,然后,根据下列情况分类处理。
1.接上假负载后,灯炮不亮,各路输出电压均为0V,也无任何异常响声。
这种情况说明电源不启振,可按图2所示的流程进行检修。
2.接假负载后,电源能工作,但+B电压只有几十伏。
这种情况说明稳压电路有故障,此时,可断开VD615的③脚,看+B电压能否升高,若+B电压能升高,说明脉宽调制电路是正常的,故障出在取样比较放大器,或VD615本身。若断开VD615③脚后,+B电压未能升高,则应检查脉宽调制电路,即V611、V612及其周边元件。当然VD616漏电,也会出现这种情况。
3.接上假负载后,电源能工作,但+B电压升高许多。
这种故障也是稳压系统不良引起的。检修时,可将VD615③、④脚短路,看+B电压能否降得很低,若+B电压确实降得非常低,说明脉宽调制电路正常,故障一般出在VD615、V631及其周边电路上。若短路VD615③、④脚后,+B电压不变,说明故障出在脉宽调制电路上,应查V611、V612及周边元件。附带说一句,当R626、R615或C615开路时,也会使+B电压升高。事实上,当+B电压严重升高时,很可能损坏负载,一般会击穿行管和行输出变压器,因此,排除电源故障后,还必须查一下行负载。
4.经常损坏开关调整管V613。
损坏开关调整管的原因有如下几个方面:一是300V滤波电容C607容量减小,导致纹波过大,使电源工作环境变差,开关调整管截止期间,初级绕组所产生的反峰脉冲增高,击穿开关调整管。二是并联在初级绕组上的反峰吸收网络失效(R625或C616开路),导致开关调整管截止后,初级绕组所产生的反峰脉冲得不到吸收,长时间加在V613的ce极之间,击穿V613。三是V612、C615、C617、V611等元件性能变差,导致电源发生轻微的“吱吱”叫声,使开关管功耗加大,发热严重,乃至损坏。更换V612(2SC3807)时,应特别注意其β值,一般应选用β≥400的管子,如2SC3807、2SC2060、2SD400等。
(王忠诚 卿道廉)