目前,AV功放机遥控电路最常见的电路形式就是红外线遥控电路,这种遥控方式是通过其遥控信号发射电路(遥控器)发射带有编码信号的红外线信号,然后本机遥控接收电路将遥控器发射的信号接收、识别后输出不同的控制信号,驱动受控电路完成相应的操作。本机遥控接收电路通常采用专用CPU或者单片机来组成。为了能够将本机状态显示出来,使遥控操作更直观,这类机型的遥控电路通常都有一个显示屏,将遥控操作结果即时地显示出来,使各种操作结果一目了然。下面笔者以实际机型电路为例,介绍常见的遥控电路以及显示电路的工作原理。
1.天逸AD-5100A功放机遥控电路
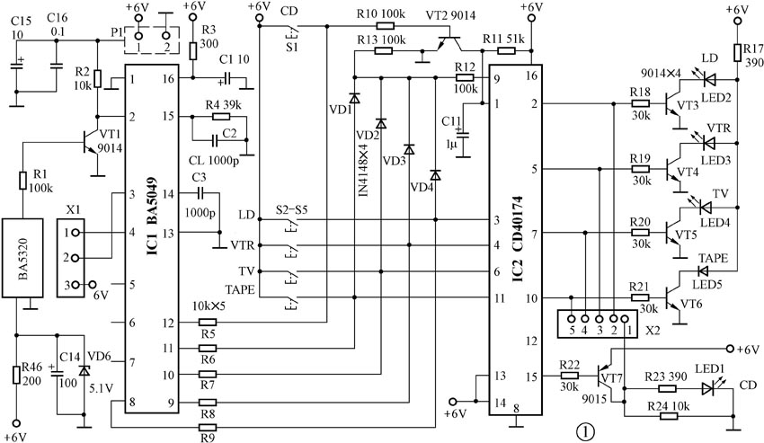
天逸AD-5100A功放机遥控电路如图1所示。该机遥控接收电路采用ROHM公司生产的多路红外遥控接收解码电路BA5049。遥控发射电路采用ROHM公司生产的多路红外发射编码电路BA5048,遥控发射电路如图2所示。BA5048和BA5049配对使用可形成5路电平和5路脉冲输出控制电路,因此,BA5048和BA5049组成的控制系统电路被广泛用于音响等小家电的红外遥控系统中。BA5048以及BA5049的各引脚功能如表1、表2所示。



按下遥控器上的相应按键,BA5048的输出相应的脉冲编码信号,该脉冲编码信号经过VT1反相,VT2放大后,驱动红外线发光二极管IR LED发出相应的控制信号。遥控器发射的控制信号被遥控接收头BA5320接收,在BA5320内部将红外线控制信号转换成电脉冲控制信号,再经过图1中的VT1放大后送到BA5409的②脚数据信号输入端。经过BA5409解码后,从③、④脚输出音量控制信号,从⑧~输出音源选择控制信号。
当按下遥控器上的TV键时,BA5409的⑩脚输出高电平,该高电平通过R7送到I\(^{C}\)2的⑥脚,相当于按下面板上的TV键,从而控制音源选择电路处于TV状态(具体工作原理可参考本刊2002年6期文章)。同理,若按下其他按键,BA5409的⑧、⑨、会相应地输出高电平,控制音源选择电路选择相应的音源。
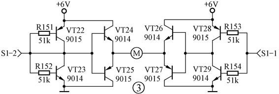
从IC1的③、④脚输出的音量控制信号通过控制带有电动机的音量电位器来达到音量遥控控制的目的。音量电位器电机驱动控制电路如图3所示。当按下遥控器“VOL+”键时,红外线信号被IC1接收识别后,③脚输出高电平,④脚输出低电平,通过图3中的VT22~VT29使电动机正向运转,增大音量;当按下遥控器“VOL-”键时,红外线信号被IC1接收识别后,③脚输出低电平,④脚输出高电平,通过图3中的VT22~VT29使电动机反向运转,减小音量。静态(不按下遥控器音量控制键)时,IC1的③、④脚均输出低电平,电动机两端电位相等,电动机不转,此时可以通过手动旋转电位器的旋钮对音量进行控制。

2.奇声AV-747DB功放系统控制电路
奇声AV-747DB功放系统控制电路如图4所示。奇声AV-747DB型AV功放机采用前后级分体式结构。其前级以微处理器IC801(HD6473714P)为控制中心,以超大规模集成电路M62460FP为核心构成杜比定向逻辑环绕声解码(PRO.LOGIC)和数字环绕声场效果(DSP)处理电路,并通过IC201、IC202(TDA7315)来对主声道(L、R)、中置声道(C)、环绕声道(S)的音量、音调进行调节。该机除卡拉OK系统以外的所有功能均实现了全数字化控制和遥控控制,并采用荧光显示屏将操作指示出来,操作变得非常简单明了。
AV-747DB功放机的人工控制指令主要来自红外遥控器和本机控制按键。遥控器发射的红外遥控信号经接收头接收、整形处理后,从IC801的进入微处理器,本机按键控制信号从进入微处理器IC801。微处理器IC801将各种控制信号指令和状态信息进行检测、识别等一系列处理后,从相应的引脚输出控制信号驱动被控制电路实现各种功能,并且驱动荧光显示屏进行相关信息的显示。由于IC801的I/O接口只有4个,不能满足后级控制电路的需要,故又增加了IC802对接口进行扩展,以满足后级电路的各种要求。
该机音量控制电路与常见的音量控制电路有较大的差异,该机采用了360°双向旋转机械式脉冲发生器进行音量控制。当顺时针/逆时针方向旋转时,微处理器HD6473714P的不断地与线路地端接通/断开而获得脉冲信号,音量控制电路如图5所示。由于A、B两个定臂与旋转盘的接触点不在同一个半径轴线上,因此在扭动旋转盘时,无论向哪个方向转动,肯定有一个先与地接通/断开,从而使微处理器HD6473714P的所获得的脉冲在时序上有先有后,微处理器就根据这两路脉冲的时序先后来确定音量是增大还是减小。另外,扭动旋转盘的角度越大,A、B两定臂与地端接通/断开的次数就越多,微处理器HD6473714P的获取的脉冲个数就越多,微处理器就根据这两路脉冲的多少来确定音量提升/降低的级数。
为了避免在不插话筒时卡拉OK电路产生的噪音进入主声道,影响主声道的音质,以及插入话筒插头时产生“砰”的冲击噪声,该机设计了话筒静噪、延时电路,该电路由与话筒插头联动的互锁开关进行控制:当没有插入话筒插头时,S501、S502常闭接通,其中S502把卡拉OK电路的信号通路直接接地,消除卡拉OK电路对主声道电路的影响。而S501提供的接地电平,则一方面使延时接通电路的电子开关接通,把卡拉OK通道接地,另一方面还使微处理器IC801的为低电平,显示屏中的话筒符号不点亮。当插入话筒插头时,S501、S502在插头的顶碰下断开,IC801的电位上升为高电平,显示屏中话筒符号点亮。此时,延时接通电路中的电子开关被延时电容控制,仍继续接通,话筒电路依然关闭,电容开始放电,约2s后,延时电容两端电压低于电子开关控制端的门坎电平,电子开关断开,卡拉OK电路正常输出。
该机显示屏还能对音频电平进行动态显示。音频动态显示电路由信号平滑电路和信号取样电路组成。主声道(R、L)信号和中置/环绕(C、S)信号被分别放大、整流、平滑滤波后,变为代表原信号动态幅度的平滑信号,送往取样电路IC302(TC4051)的、、。IC302在微处理器HD6473714P的控制下,以18ms/次的速率,对、、提供的信号进行逐次扫描取样,从③脚输出动态控制信号,送到微处理器IC801的,再经微处理器内部电路的处理后驱动显示屏将音频电平动态地显示出来。
3.凤之声AV-999功放机系统控制电路
凤之声AV-999功放机系统控制电路如图6所示。该机遥控电路以单片机电路PIC16C57为核心构成。按下遥控器相应按键后,遥控器发射的红外线编码信号被红外线接收头接收,处理后的编码信号从微处理器PIC16C57的⑥脚送入内部电路,含有载波信息的编码信号在PIC16C57内部被解码后,从相应的引脚输出控制信号到被控电路。其中⑩~输出显示电路控制信号,该信号被专用VFD驱动电路NJU3421解码后驱动荧光屏将本机当前工作状态显示出来。NJU3421是新日电(JRC)公司生产的VFD驱动专用电路,该电路不但可以在CPU的控制下直接驱动VFD显示屏将机器工作状态直观地显示出来,还可以单独作为一个控制电路,对其他电路进行控制。在本机中,该芯片还作为功放机工作模式控制芯片,具体工作原理读者可以参考NJU3421的相关资料自行分析。NJU3421的原厂英文资料可以到
http://www.21icsearch.com/searchpdf/open-file.asp?id=1641&filename=njr/ce08001.PDF处下载。
微处理器PIC16C57的输出噪声测试控制信号。⑦~⑧脚,分别输出主声道、环绕/中置声道音量控制信号,通过驱动音量电位器附带电机的正反运转来达到控制音量的目的。电机驱动电路与前面介绍的几种电路相似,限于篇幅,在此不再赘述。PIC16C57的输出中置声道模式控制信号,该信号通过IC2(CD4017)、IC4(CD4066)来控制IC5(M69032)的连接方式,从而达到控制中置声道模式的目的,具体原理可以参考本刊2002年第9期文章介绍。
(赵广林)