TA8777N是日本东芝公司推出的信号源切换集成电路,常用于信号切换较复杂的多功能大屏幕彩电中,目前,使用该集成块的彩电主要有:海信F91SB机芯彩电、长虹NC-3机芯彩电、北京8361型彩电、黄河HC6418型彩电及东芝F2DP机芯彩电等。
TA8777N的主要功能
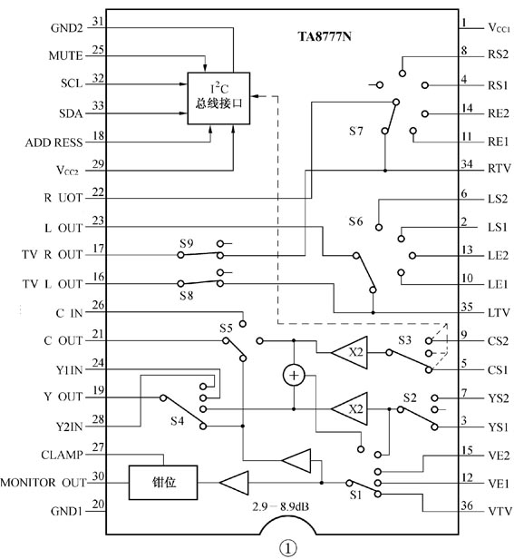
TA8777N是采用I\(^{2}\)C总线控制的TV/AV切换集成块,它采用36脚双列直插封装形式,内含多路音、视频选择开关,可容纳一路TV信号输入及4路AV信号输入,该电路具有如下一些功能:
(1) 音频:一组TV伴音R、L输入,四组外伴音R、L输入,一组R、L选择输出。(2) 视频:一组TV视频输入,四组外视频输入,一组彩色全电视信号(CVBS)输出,一组Y/C(亮度/色度)信号输出。(3) 具有静音功能。(4) 输入/输出隔离度好,开关切换速度快。
TA8777N各脚功能如表1所示,内部电路结构如图1所示。

TA8777N应用电路

图2为TA8777N在长虹C3418PN型彩电上的应用电路。该机只设两路AV输入、一路S端子输入及一路AV输出功能,它能对输入的TV信号及各路AV信号进行切换,切换后的视频信号从(Y)和(C)输出;切换后的音频信号从(R)和(L)输出,同时,还能将切换输出的视频信号及音频信号送到机外。

1.信号输入情况
由主画面中频电路送来的TV视频信号经RC耦合后,加在TA8777N的,由丽音电路送来的双声道TV音频信号分别加在和。
AV1信号从②、③、④脚输入,③脚为视频输入端子,②脚和④脚为音频输入端子。AV1可带S端子,但本机未使用此功能,故将⑤脚经电阻接地。
AV2信号从⑥、⑦、⑧、⑨脚输入,其中⑥脚和⑧脚为左右两路音频信号输入端,⑦脚既可输入视频信号(CVBS),也可输入亮度信号(Y),⑨脚为色度信号输入端。当未插入S端子时,S端子内的同步开关位于图中位置,VQV06饱和导通,⑨脚为低电平(0V),AV2处于CVBS接收模式,此时由V孔输入的视频信号经同步开关送至⑦脚;当插入S端子时,同步开关上移,VQV06因基极接地而截止,⑨脚变为高电平(5.4V),AV2处于Y/C接收模式,此时由S端子送来的亮度信号经同步开关后加在⑦脚,色度信号加在⑨脚。
本机未设AV3、AV4输入功能,故⑩脚~未用。
2.信号切换输出过程
信号切换受I\(^{2}\)C总线控制,和分别为I\(^{2}\)C总线的SCL和SDA输入端,TA8777N在I\(^{2}\)C总线的控制下,完成各种状态的切换。
当电视机工作于TV状态或AV状态(非S状态)时,切换后的视频信号(CVBS信号)从输出,经VQV02射随后分三路,第一路送出机外;第二路经4.43MHz陷波后,分离出亮度信号,送回至,此路实际上是SECAM制亮度信号;第三路送至PAL/NTSC制Y/C分离电路(PL板),分离出Y信号和C信号,分别送回到和,这两路信号实际上是PAL/NTSC制Y、C信号。
然后,TA8777N根据I\(^{2}\)C总线所送来的制式信息,来选择Y/C信号,当电路工作于SECAM制时,就将输入的Y信号从输出,同时,将内部切换产生的彩色全电视信号作为C信号从输出。当电路工作于PAL/NTSC制时,就将输入的Y信号和输入的C信号分别从和输出。和输出的信号,将分别送至亮度处理电路及色度处理电路,以作进一步处理。
不管电路工作于何种制式,音频信号经切换后从和输出,一方面送至音频处理通道,以作进一步处理;另一方面还送到机外。
当机器工作在S状态时,则将⑦脚和⑨脚输入的Y、C信号,分别从和输出,同时还将⑥脚和⑧脚输入的音频信号从和输出。
和为切换后的TV音频信号输出端,由于本机已将和输出的信号送到了机外,故无须再使用和输出的信号。
TA8777N的为静音控制端,静音控制电压来自CPU的,高电平时,TA8777N处于静音状态,同时静音控制电压还加在VQB24和VQB25的基极。在静音状态下,R、L输出孔被旁路到地。
I\(^{2}\)C总线对TA8777N的控制
TA8777N的为地址码控制端,TA8777N的I\(^{2}\)C总线地址由该脚直流电压来决定,该脚直流电压的高低与地址码之间的关系如表2所示,在本机中,接地,电压为0V,故地址码为10010000,这是在编写CPU软件时就决定了的。
TA8777N的总线接口中,设有总线寄存器,寄存器中存有两组8位二进制数,分别用DATA1和DATA2表示,CPU只需改变DATA1和DATA2中的数据,就可实现对TA8777N的控制,并完成TV/AV切换过程。TA8777N的I\(^{2}\)C总线数据传输格式如图3所示。
DATA1中的8位二进制数从高位到低位分别用1B7、1B6、1B5、1B4、1B3、1B2、1B1及1B0表示。高四位(1B7~1B4)用来控制TV/AV选择。其中两位(1B3~1B2)用来控制TA8777N的工作制式,当1B2=0时,对应黑白模式,当1B2=1,对应彩色模式;当1B3=0时,对应4.43模式,当1B3=1时,对应3.58模式。低两位(1B1~1B0)用来控制TA8777N的静音与否,当这两位数据为00时,电路处于静音状态;为11时,电路处于接通状态。
DATA2中的数据从高位到低位分别用2B7、2B6、2B5、2B4、2B3、2B2、2B1、2B0表示,其中只有低5位(2B4~2B0)对TA8777N起控制作用。2B2、2B1、2B0决定TA8777N的增益,这三位数值与增益之间的对应关系如下:
0:2.9dB, 001:4.1dB,
010:5.1dB, 011:6.0dB
100:6.8dB, 101:7.6dB,
110:8.3dB, 111:8.9dB
2B3决定模式选择情况(视频模式或Y/C模式);2B4决定Y/C选择情况。
TA8777N的原厂技术资料,可到http://www.21icsearch.com/searchpdf/toshiba/E007311.PDF处下载。
(王忠诚)