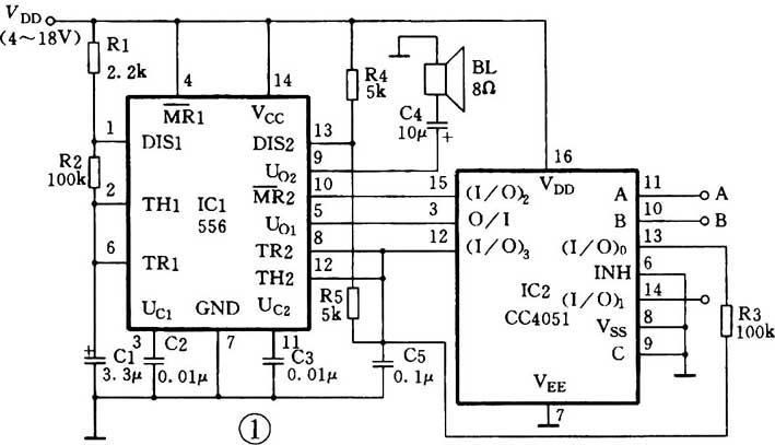
这次无线电小组活动中,同学们应用八路模拟开关集成电路CC4051组装了“多功能音响发生器”(图1);在老师的辅导下,大家学习了模拟开关的结构、工作原理及应用知识。

同学:老师,您在介绍“多功能音响发生器”电路时说,模拟开关是通过控制一对互补MOS场效应管的导通和截止来实现电路的通断的。请问实际电路是怎样的,又怎样控制它的通断呢?
老师:模拟开关电路非常简单,现画出它的实际电路(图2),图中,场效应管VT1、VT2组成了大家熟悉的CMOS反相器,VT3、VT4组成了CMOS传输门,C端是模拟开关的控制端。当C端为高电平1时,P沟道场效应管VT4的栅极为高电平,N沟道场效应管VT3的栅极为低电平,这时两只管子同时导通,传输门开通,I/O与O/I之间相当于一个接通的开关;当C端为低电平0时,VT3、VT4同时截止,传输门关闭,I/O与O/I之间相当于一个断开的开关。传输门的两端是对称的,输入、输出端可以互换,所以又称为模拟双向开关。

同学:我明白了。这种摸拟开关有专门的产品吗?
老师:国产CC4066是一种四双向模拟开关集成电路(图3),其内集成有四个彼此独立的开关可供选用。

同学:这里用的八路模拟开关集成电路CC4051(图4),只取其中的四路,可为什么在A、B控制端加上不同电平的组合,就能控制由时基电路556组成的振荡器发出四种不同的音响呢?

老师:CC4051与CC4066不同,它不只是独立的八个双向模拟开关组合,内部还集成了地址译码器(地址端A、B、C),经过地址译码器译码后,接通对应的模拟开关。由CC4051的真值表(附表)可以看到,在A、B、C端输入不同电平、可得八种不同的组合,以控制八个通道(I/O)0~7的导通。禁止端INH为高电平时,八路模拟开关皆关断,输出端呈高阻态。

同学:您说的地址译码器是怎么回事?又是怎样控制模拟开关接通呢?
老师:译码器电路大家应该是比较熟悉的(注:参见本刊2001年第10期“电子聊天室”)。由于模拟开关CC4051我们只用了四路(I/O)0~3,所以只要两位地址码(A、B端)就可以驱动四个模拟开关,简化电路示于图5,与此对应的真值表用粗线框起来(附表),大家一看也就明白了。哪位同学来分析一下。
同学:这是我们熟悉的与门译码器,地址端B、A可以输入“00、01、10、11”四组数码。“00”为例,只有与门D0的两个输入端全是1,所以D0输出为1,与之相连的双向开关SW0接通,其余三个与门的输出线上都是0,所以SW1~SW3全关断。其余三个开关的分析方法同此。
老师:很好。图5只是用来说明CC4051的工作原理,实际的内部电路要复杂得多,我们只需要掌握它的真值表,就可运用自如了。
同学:您曾讲到“多功能音响发生器”四种不同的音响信号是由四个模拟开关分别控制双时基电路NE556发出来的。您给我们讲过的555时基电路(注:参见本刊2000年第11期“电子聊天室”),与556的管脚符号不大一样,请您讲讲556的逻辑电路好吗?
老师:556是块双时基集成电路,它由两个独立的555时基电路组成,它是CMOS电路,所以内部电路与TTL型555电路稍有不同,图6示出其中的一个时基电路,大家对照一下也就明白了。
同学:在这个电路里,双时基电路556是不是组成了两个振荡器呢?
老师:对。图1中左边的555电路组成了超低频振荡器Ⅰ(①~⑧脚),振荡频率为2Hz9邀f1=1.443/[(R1+2R2)C1]9妖;右边的555电路组成了960Hz9邀f2=1.443/[(R4+2R5)C5]9妖的音频振荡器Ⅱ(⑨~),这两个振荡器通过四路双向模拟开关的相互联系,就能发出四种不同的音调和节拍。
同学:这两个振荡器通过模拟开关CC4051是怎么联系的呢?
老师:你提的问题请你们自己动脑筋独立分析,这样才能不断提高阅读电路图的能力。好,我先给大家做个提示。当输入端B、A都是低电平0时,IC2的③脚(O/I)与(I/O)0相通,这时振荡器Ⅰ的输出信号是正、负交变的,相当于交替地把R3接到电源的正端和负端,使振荡器Ⅱ的充放电速度发生变化,以两种频率交替振荡,扬声器就会发出双音调。现在我来问你们,A和B分别为1和0时,两个振荡器的关系是什么?
同学:当A为1、B为0时,根据CC4051的真值表,(I/O)1接通,也就是IC2③脚(O/I)与(I/O)1相通,可是是悬空的,所以振荡器Ⅰ对振荡器Ⅱ没有控制作用,扬声器只发出960Hz的单一音调。
老师:是这样。如果输入端A为0、B为1呢?
同学:根据CC4051的真值表,A=0、B=1,则(I/O)2通道导通,也就是IC2的③脚与相通,IC1中的超低频振荡器Ⅰ输出的2Hz信号加到IC1中的音频振荡器Ⅱ的复位端⑩脚(MR2),使IC1中Ⅱ的输出端只在UO1为正半周时有信号输出,所以产生的是断续振荡,扬声器发出间歇的音响。
老师:分析得很好。我来做个收尾吧。当A=1、B=1时,(I/O)3通道导通,振荡器Ⅰ输出的2Hz信号直接跟960Hz音频振荡器的电容C4相连,使C4快速地充放电,这时扬声器发出的是短促的节拍声。
(宋东生)