无线电遥控模型(车模、船模、航模)及各种遥控玩具都是通过发射的无线电波经接收器接收后进行控制完成各种动作。例如,高档遥控坦克玩具能作前进、倒退、左右转弯,并且还可以在行驶过程中转动炮塔、开炮,发出开炮声并发出光来(VD亮)。
本文介绍的遥控编码器MT8006有五个独立的通道,与发射器一起组成发射装置。如果被控对象只有2~4个通道,也可用本编码器,只要将不用的通道空着即可。与之配套的译码器MT8008其内集成了超外差接收器,使电路简单、便于制作。
采用MT8006及MT8008制作的模型或玩具,由于通道多、可以同时作不同的动作,采用比例控制,动作更准确、完美,为高档遥控模型及玩具的开发创造了条件。
五通道比例遥控编码器MT8006
该器件主要特点是:CMOS工艺制造,功耗低,静态电流5mA;五个通道独立发送连续的脉宽调制(PWM)信号;工作电压4.5~5.5V;各管脚有过压保护功能;集成度高,外围元件少;编码精度高达±0.5%;24管脚SOP封装;工作温度0℃~70℃。
管脚排列与各管脚功能
推荐工作条件及主要特性
推荐的工作条件:VDD=+5V(4.5~5.5V);高电平输入电压VIH≥0.85VDD,低电平输入电压≤0.15VDD;LED端输入电流5~10mA。
在VDD=5V时:输出高电平VOH≥4.0V;输出低电平≤0.6V;最大工作电流7mA。
输出的波形如图2所示。Tall=20±0.001ms,t1、t2、t3、t4、t5分别表示通道1~5的输出脉冲宽度,分别对应IN1、IN2、IN3、IN4、IN5的输入电压。如果DIR5、DIR4、DIR3依次悬空,则对应的输出脉冲被去掉(即去掉t5、t4、t3)。

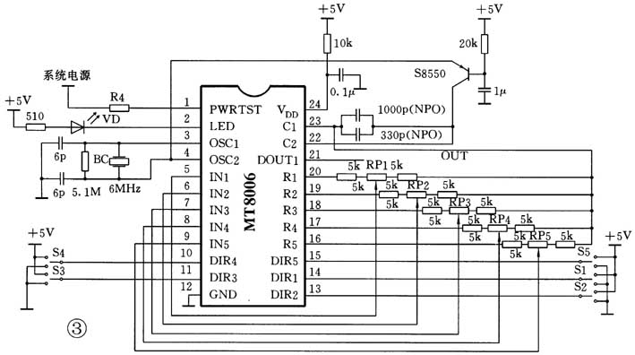
应用电路见图3。6MHz晶振组成内部振荡器提供时钟信号。S8550组成振荡加速电路,加快起振过程。S1~S5为遥控开关,RP1~RP5为调节脉冲宽度的电位器(它与C1、C2端接的电容值及R1~R5端所接的电阻值决定输出脉冲宽度),DIR1~DIR5分别接开关S1~S5。一种通过改变电位器转角来改变脉冲宽度的装置示于图4。

图3中①脚(PWRTST)及②脚(LED)是用来显示系统电源低电压时用的(系统电压一般为7~8.5V),当系统电源电压低于阈值电压VTH时(由R4设定),VD亮。R4这样设定:在系统电源端接阈值电压,R4用20kΩ电位器代替,先设电位器为最大值,此时VD灭,然后减小电位器值,直到VD亮为止。此时电位器的值即电位器,找一个相应值的电阻焊上即可。若此功能不用,①、②脚可悬空。
这种用于遥控模型或玩具的发射频率一般为40MHz频段。为提高稳定性,在同一频段内还须细分 。它们之间每一个相差20kHz。例如,40.61MHz、40.63MHz、40.65MHz等发射频率(步距为0.02MHz)。
五通道调频接收、译码电路MT8008
MT8008是一种集成了混频、中放、鉴频、缓冲放大、整形等电路,输出经译码后作五通道驱动信号。该器件特点:由于将超外差接收机与译码器集成在一起,使外围元器件少;工作电压4~6V;工作电流14.5mA(VCC=5V);接收灵敏度高,-3dB为2.6μV;最高工作频率达100MHz(一般用于40MHz频段);20管脚SOP封装;工作温度-20℃~85℃。
管脚排列与功能分别见图5、表2。

极限参数及主要特性最大电源电压VCC=10V;⑧脚鉴相输入电压为1V P- P;输入电压为1VRMS。
该器件的混频增益28dB;工作电流28mA;输入限幅电压(-3dB)典型值2.6μV;鉴相器输出阻抗450Ω,混频输入阻抗3.3kΩ;混频器输入电容9pF。编码及译码后的输出波形见图6。
应用电路见图7。在环境温度较低时,⑧脚应接相适应温度系数的鉴相线圈。⑨脚的R1由调试决定或省略。
接收器的振频(本振)应与发射器的频率相差一个中频频率。这里是455kHz(国内一般用465kHz)。C1~C4应采用贴片式多层陶瓷电容器(NPO介质),其余小电容可采用X7R的。
配合本文的邮购广告见第11期第70页。
(张景水)

