目前,很多音响爱好者都有了个人电脑,由于一系列因素的制约,多媒体音箱成了提高多媒体电脑声音素质的一个瓶颈问题。在本期,笔者介绍一款采用防磁扬声器制作的二分频多媒体音箱,供读者参考。
扬声器选择
由于多媒体音箱一般都紧靠显示器工作,我们知道,彩色显示器若在强磁场中就会造成色彩错乱,从而严重影响显示的效果,而扬声器本身就是一个强磁场,因此多媒体音箱中的扬声器应该选择具有防磁效果的扬声器。本文介绍的高音扬声器采用南京牌丝绢膜防磁高音扬声器,型号为YDQG20-8HB;低音扬声器选用南京牌6.5英寸长冲程进口pp 盆防磁扬声器,型号为YD166-8SP,各扬声器技术指标如表1所示。

箱体结构
本音箱的高、宽、深分别为400mm、195mm、265mm(内部有效容积约10L)。板材为厚15mm的中密度板。由于多媒体音箱通常都离听众很近,属于近声场型音箱,为了扩展其声像范围,两只音箱的高音单元采用了镜像排列方式。左右声道音箱前面板尺寸如图1、图2所示。由于箱体较大,若桌面空间紧张的话,则可以在音箱后面加装两个悬挂钩,将音箱悬挂在墙壁上。功放电路安装在右声道音箱中,因此,左右两个音箱的后面板布局有较大的差异。倒相管长度以及左声道音箱侧面视图如图3所示。右声道后面板接插件以及悬挂钩安装位置(左声道与右声道悬挂钩位置相同)如图4所示。




功放电路
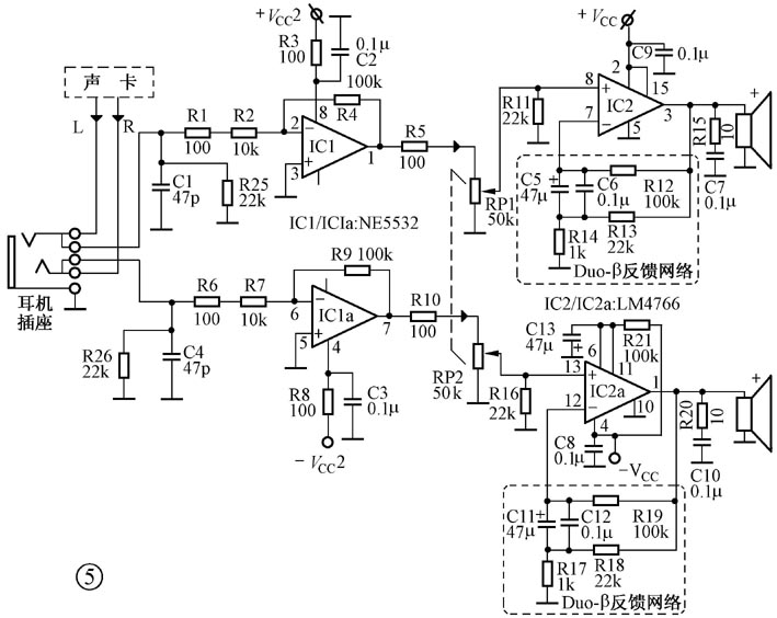
多媒体音箱功率较小,用输出功率30W左右的功放机推动就足够了。为了简化电路,本音箱中的功放电路采用了集成电路。功放电路如图5所示。

由于普通多媒体音箱都不带耳机输出插孔,需要使用耳机时,要反复插拔声卡输出插座中的插头,带来诸多不便,对此,笔者在这款音箱中设计了一个耳机插座,当耳机没有插入插座中时,插座内部触点闭合,声卡输出的音频信号直接送到功放电路中,当插入耳机时,插座内部触点断开,切断声卡到功放的接线,声卡输出的音频信号直接送到耳机中,音箱中就没有声音输出。
IC1及其周围元件组成缓冲放大级,电路增益=R4/(R1+R2)=100/(10+0.1)≈10倍。为了避免在电脑关机后,声卡停止工作时,前置放大器输入端处于悬空高阻抗输入状态,将感应到的50Hz信号送到后级电路放大,从而在扬声器中出现较强的噪声,特设置了22kΩ电阻R25、R26,这样不但可以将输入阻抗限制在22kΩ,避免前置电路工作在高阻抗状态,还可以对50Hz感应信号进行有效的抑制,提高整机信噪比。另外,在许多成品多媒体音箱也存在电脑关机后噪声较大的现象,此时,也可以通过加装这两个电阻来消除这种现象。
功率放大集成电路采用了NS公司生产的40W双声道高保真功率放大器LM4766,该集成电路的详细原厂资料可在www.national.com/pf/LM/LM4766. html上下载。LM4766采用15脚TO-220封装,其主要电气参数如表2所示。LM4766的负载在4~12Ω的范围内均能稳定地工作,其输出功率与负载的对应关系如图6所示。LM4766的供电电压范围为±15~±25V,当供电电压降低时,影响的只是输出功率的大小,而对其他指标影响不大,供电电压与输出功率的对应关系如图7所示。LM4766的⑥、为静噪控制端,当该脚接低电平时,LM4766内部电路执行静音操作,切断输出端的音频信号。因此可以在这些引脚中与负电压之间接一个RC延时网络,使其在开机瞬间为低电平,输出电路无音频信号输出,延时一段时间后,再正常输出,以达到避免开机瞬间输出端电位失谐对扬声器的冲击。图5中,R21、C13即为开机延时网络,调整它们的取值范围,可以得到不同的延时时间。
由于LM4766工作在交流放大状态,音频信号通过负反馈网络时要流经电容C5、C11,同时负反馈网络变为阻容网络,因此电容的容抗,放大器最低工作低频下限将受到限制,若C5、C11的频率特性不佳的话,就会严重影响到放大器的频率响应;另外由于电解电容存在一定的漏电和介质损耗,使放大器音质也受到一定影响,故C5、C11的品质对声音的影响较大。虽然在C5、C11的两端都并联了一个0.1μF电容改善它们的的高频性能,但是为了降低功放电路的低频下限,势必要加大C5、C11的数值,但该电容越大,其高频特性越不好,导致电路的高频性能变差,且此电容过大也将使放大电路在开机瞬间对电容充电时间过长,反映在输出端将产生一个可怕的直流电位,极易损坏扬声器,同时也易使放大器产生振荡,严重影响稳定性。为了克服以上缺点,笔者在设计电路时,将负反馈网络中加入一个电阻R13(R18),使电路的反馈方式变成Duo-β反馈电路,这样,就可以在负反馈电容C5、C11容量大小不变的前提下,使功放机低频下限降低一个数量级(或者说,在保持低频下限不变的前提下,可使电容容量减小一个数量级,这意味着可使用小容量的有机薄膜电容来改善音质)。具体原理,限于篇幅,在此不再赘述。LM4766应加装散热器才能稳定地工作,而且,散热器不能与地线以及LM4766的管脚相连。
在普通多媒体音箱中,音量控制电位器通常都安装在音箱面板上,在需要控制音量时,就得远距离调整电位器,使用过程十分烦琐。为了音量控制方便,笔者将本音箱中的音量控制电路设计成线控方式,这样就可以通过从音箱中引出的一根“尾巴”来方便地控制音量。
下面笔者简单介绍一下这个音量线控装置的制作方法:将音量电位器安装在一个报废的耳机音量控制盒中,耳机(带话筒的耳机)原先的6根连接线正好可以充当电位器连线。由于这个电位器盒比较小,双连电位器RP1/RP2可以选择随身听中常用的小型双连电位器。另外,由于在音量控制电位器中只用了5根线,因此还可以用另外的那一根线将电源指示灯也装在这个音量控制盒中,使指示更加直观。
C8和C9为电源旁路电容,起到降低电源高频内阻的作用,防止电路高频自激。
R15与C7构成扬声器补偿网络,可吸收扬声器的反电动势,防止电路振荡。
由于功放电路输出功率大于30W(LM4766输出功率与实际消耗功率如图8所示),电源变压器输出功率必须要大于45W,变压器输出电压为18V×2,电流大于3A即可。如果找不到合适的变压器,也可以用输出电压为16.5V×2(3A)的黑白电视机电源变压器代用。电源电路如图9所示。
分频器制作
图10是该音箱分频器电路图,分频点选在2.8kHz。由于扬声器是一个感性负载,当通过信号频率不同时,其阻抗变化很大,故在分频器中加入了由R1、C3、R2、C6组成阻抗校正网络,使分频器的负载阻抗近似为恒定值。分频器所用元器件的参数如表3所示。
在安装时,将分频器如图3所示安装在音箱后面板上,变压器安装在主音箱(以右声道为例)底部,功放电路安装在音箱内合适的地方即可。另外,需要注意的是,主音箱内部填充的吸音棉不能与功放电路中的散热器接触。
(科林)