TA7317P是TOSHIBA(东芝)公司生产的新型OCL功放以及扬声器保护电路,采用9脚单列直插封装,采用该芯片组装的功放机保护电路具有电路简单,可靠性高的优点,因此,目前被广泛应用在各类音响产品中。由于TA7317P可以通过改变外围电路的元件选取来适应不同类型的功放,所以,应根据功放机的条件来选择不同的外围元件。鉴于目前该芯片资料较少,在此笔者详细介绍该芯片的工作原理以及外围元件的选取方法,让读者能够更好地应用它。
1. TA7317P内部电路组成
TA7317P采用双电源供电方式,可以在较宽的电源电压范围内稳定地工作,推荐工作电压为VCC=±12~±60V,可以直接利用功放机的正负电源。
TA7317P工作极限值如附表所示。测试参数的条件为VCC=±50V,环境温度Ta=25℃。
附表

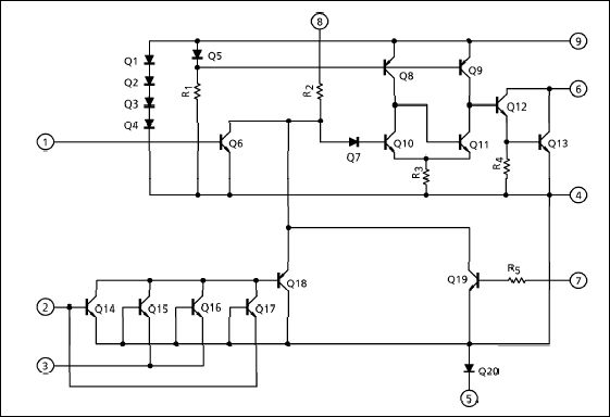
TA7317P标准应用电路如图3所示。
2. TA7317P外围元件选择
以下计算方法均以图3电路为例。
在应用TA7317P的电路中,电源接通至扬声器与电路接通的延时时间可以通过改变⑧脚外接定时元件的参数来调整,具体设置可以通过下式计算:
延时时间T=R1×C1×lnV\(_{9}\)/(V\(_{9}\)-V\(_{8}\))
上式中,C1、R1位置如图3电路所示,V\(_{9}\)是⑨脚参考电压,典型值是3.1V,V\(_{8}\)是⑧脚阀值电压,典型值是1.3V。当C1取22μF时,延时时间与R1的对应关系如图4所示。
(2) 功放输出端直流偏移电压阀值的设置
TA7317P的②、③脚为功放输出端直流偏移电压检测端,当这两个引脚的直流电压高于0.6~0.8V(不同批次的产品可能有稍微差异)时,TA7317P内部的检测电路就会启动,停止输出端的输出,使继电器失电断开,切断扬声器与电路的连接,保护扬声器不至于被过高的直流偏移电压损坏。功放输出端直流偏移电压通过R\(_{2}\)、R\(_{3}\)分压后,送往TA7317P的②、③脚,因此,可以通过改变R\(_{2}\)、R\(_{3}\)的比值来达到设置功放输出端直流偏移电压阀值的目的。其计算方法如下:
R\(_{3}\)/(R\(_{2}\)+R\(_{3}\))V\(_{DC}\)>0.6V~0.8V
上式中,V\(_{DC}\)是功放输出端直流偏移电压。图3电路中,R\(_{2}\)、R\(_{3}\)不但是分压电路,而且还与C\(_{2}\)构成抗干扰电路,以避免在低频大信号状态时TA7317P误动作,因此直流偏移电压检测电路就比不加C\(_{2}\)时滞后一段时间,滞后时间T可以用下式计算出来。
T=C\(_{2}\)R\(_{2}\)R\(_{3}\)/(R\(_{2}\)+R\(_{3}\))
另外,TA7317P内部的直流偏移电压检测电路响应速度与功放输出端直流偏移电压V\(_{DC}\)成正比,当R\(_{2}\)=R\(_{3}\)=56kΩ、C\(_{2}\)=47μF时,直流偏移电压检测电路响应速度与功放输出端直流偏移电压V\(_{DC}\)对应关系如图5所示。
(3) 限流电阻参数的设置
由于TA7317P的正电源端⑨脚的电压最高只能为3.1V,因此与功放电路电源相连时,应加接限流电阻,才能保证TA7317P工作在安全电压范围内,根据附表可知,TA7317P的⑨脚电流典型值为2.5mA,因此限流电阻R4应按照下式选择。
R4=(VCC-3.1)/2.5mA
上式中,V\(_{cc}\)是正电源电压,例如:当正电源电压V\(_{cc}\)=50V时,R4=(50-3.1)V/2.5mA=17.76kΩ,取典型值18 kΩ。
通过附表我们还可以知道,TA7317P的负电源端⑤脚的电压最高只能为-0.75V,该脚典型值为3mA,因此限流电阻R5应按照下式选择。
R5=|(-VCC)-(-0.75)V|3mA
上式中,-V\(_{cc}\)是负电源电压,例如:当负电源电压-V\(_{cc}\)=-50V时,R5=49.25V/3mA=16.42kΩ,取典型值18 kΩ。
(4) 关机静噪起控点的设置
TA7317P的①脚既是功率输出管的过载保护检测端,又是关机静噪电路保护端。在正常工作时,电源变压器次级绕组的交流电压经过半波整流后,通过电阻R7加在TA7317P的①脚,为TA7317P的①脚提供一个负极性电压,如图6所示。关机瞬间,变压器次级感应电压立即消失,负极性电压消失,而主电源电压由于滤波电容较大,不会立即消失,该电压通过电阻R6的作用,在关机瞬间使TA7317P的①脚出现高电平,TA7317P内部电路检测到这一个变化的电平后,输出端关断,继电器失电断开,切断扬声器与电路的连接,保护扬声器不受关机瞬间因功率输出管工作点不稳定而引起的大电流冲击。
为了保证在正常工作时TA7317P不会因电源电压出现波动而导致误动作,R6、R7的取值一定要符合要求,否则,将导致TA7317P不能正常工作。根据附表可知,TA7317P的①脚最大端子电压是0.75V,而且在正常情况下,R6上的电流为50μA,因此R6可以按照下式选取。
R6=(V\(_{9}\)-V\(_{1}\))/5
上式中,V\(_{9}\)是⑨脚参考电压,典型值是3.1V,V\(_{1}\)是①脚最大端子电压0.75V,由于V\(_{9}\)与V\(_{1}\)都是一个固定值,因此,R6也是一个固定值47kΩ。
R7应根据变压器次级输出的交流电峰值电压来选取,在正常情况下,R7上的电流为260μA,所以R7应按照下式选取。
R7= 2 V\(_{P}\)-P/0.26mA
V\(_{P}\)-P是变压器次级交流电压值(如图3电路中V\(_{P}\)-P=19V)。
通常情况下,R8=R6=47kΩ。
(5) 继电器限流电阻的选取
通过附表我们可以知道,TA7317P的继电器驱动端⑥脚的最大输出电流是50mA,因此在使用中要实行一定的措施,限制⑥脚输出电流在50mA以下。需要注意的是:在正常工作时,TA7317P内部的晶体管V\(_{1}\)3在导通时有1V的压降,至于限流电阻R9的阻值,可以根据继电器的直流电阻用欧姆定律计算出来,这里不再赘述。
TA7317P的⑦脚为锁存/非锁存工作状态控制端,当⑦脚接地或者通过阻容元件与⑥脚相连时(如图3),TA7317P工作在非锁存状态,此时当保护检测端电平恢复正常后,继电器随即恢复吸合,音箱恢复放音,图3中的R10、R11、C3为延时时间设定元件,可以使继电器断开一段时间后再吸合,通常R10=56 kΩ,R11=33 kΩ,C3=0.47μF;当⑦脚通过10 kΩ电阻与⑥脚相连时,TA7317P工作在锁存状态,此时,当保护电路启动后,继电器就会保持断开状态,直到将电源开关关断一次后再接通为止。
注:TA7317P的详细原厂资料可到http://doc.semicon.toshiba.co.jp/pdf-j/docweb123/j003350.pdf上下载。
(赵理科)


