TA1219AN的主要功能
TA1219AN是TA1218AN的浓缩品,它与TA1218AN相比,减少了一路视频输出通道和一路音频输出通道,取消了I/O3、O4及O5输出端口。TA1218AN常用于画中画彩电,而TA1219AN常用于非画中画彩电。目前,海信H98A机芯彩电、创维数码8000T系列彩电、牡丹CT2988型彩电、厦华A3416型彩电,均使用TA1219AN来完成TV/AV切换。
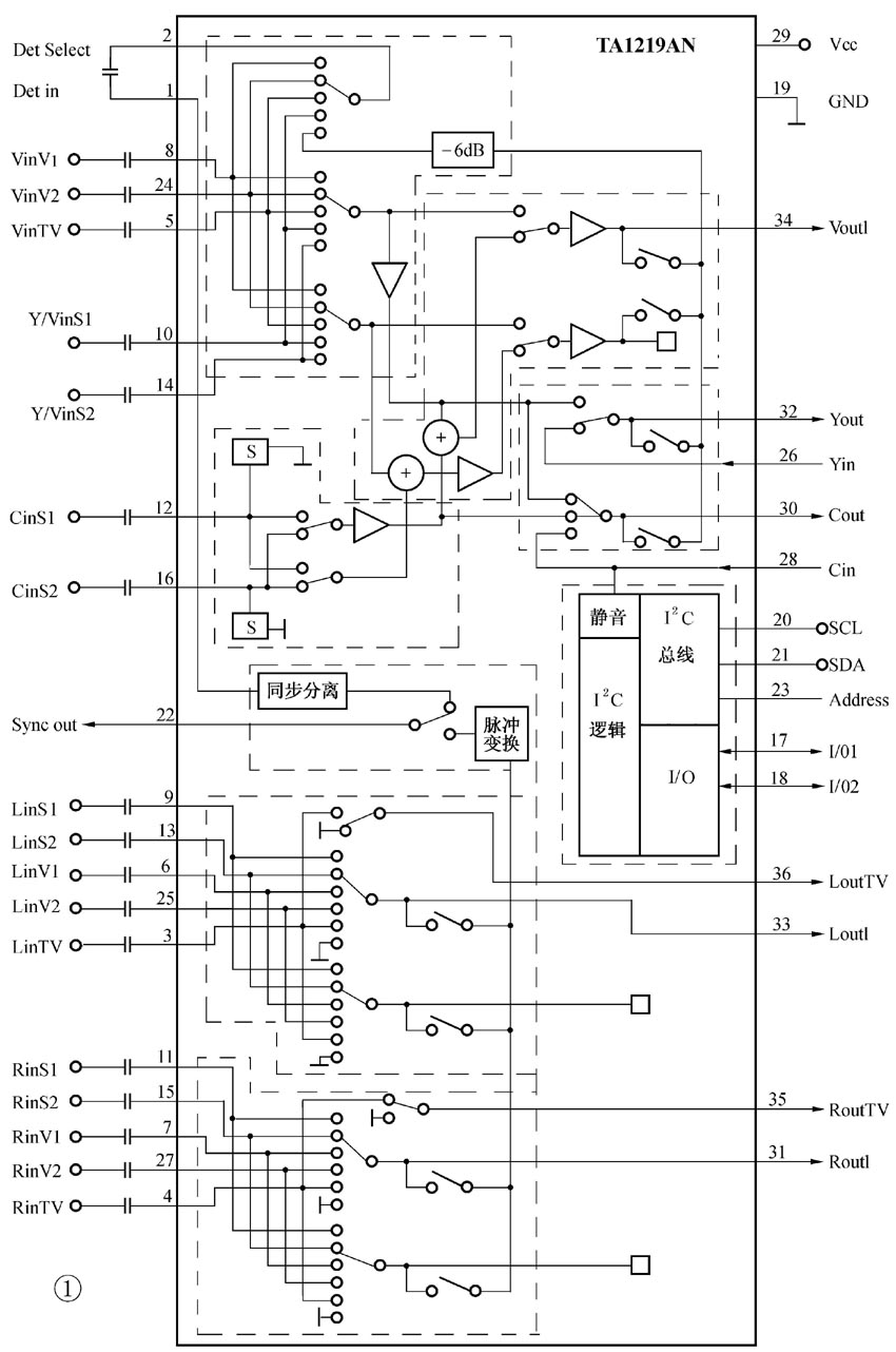
TA1219AN的内部电路结构与TA1218AN基本相同,但引脚排列顺序完全不同。图1为TA1219AN的内部结构框图,其引脚功能如附表所示。

附表

TA1219AN应用电路
图2为TA1219AN在厦华A3416型彩电中的应用电路,厦华A3416型彩电设有三路AV输入、一路AV输出功能。
由小信号处理器输出的TV音频信号,分左、右两路分别送至TA1219AN的③脚和④脚,TV视频信号送至⑤脚。
AV1视频信号送至⑧脚,左右两路音频信号分别送至⑥脚和⑦脚。
AV2带S端子输入功能,未插入S端子时,S插座内的同步开关位于图中位置,VA01饱和导通,为低电平,AV2处于CVBS(彩色全电视信号)接收模式,此时,由VI\(^{2}\)孔输入的视频信号经同步开关后送至⑩脚,左右两路音频信号分别送至⑨脚和。若插入S端子,则同步开关右移,VA01截止,变为高电平,AV2处于Y/C接收模式,此时,由S端子送来的亮度(Y)信号经同步开关后,加至⑩脚,色度(C)信号经高通滤波后,送至。
前置AV(即AV3)信号分别送至、及,和输入的是左右两路音频信号,输入的是视频信号,因前置AV未设S端子输入功能,故未用。
本机未设AV4输入功能,故、及悬空。
在I 2C总线的控制下,TA1219AN对上述各类信号进行选择,选择后的色度信号从输出,亮度信号从输出,它们被送至小信号处理器(TB1238N),以作进一步处理。由于本机未设梳状滤波器,故只有当电路工作在S状态时,和才真正输出色度信号及亮度信号,若电路工作在其它状态,则和输出的是彩色全电视信号,此时将由小信号处理器来完成Y/C分离。选择后的视频信号也可从输出,经VA05射随后,送至机外。选择后的左右两路音频信号分别从和输出,一方面送至机外,另一方面送至音频放大电路(AN5733)。
TA1219AN可以与梳状滤波器相连,当连接梳状滤波器时,只需将输出的视频信号送至梳状滤波器,再将梳状滤波器分离后的Y、C信号分别送回至和即可。
TA1219AN的为地址控制端,TA1219AN的地址及I 2C总线控制情况与TA1218AN相同,这里不再重述。
如果读者还想了解更详细的资料,可到http://www.21icsearch. com/searchpdf/openfile.asp?id=39490&filename=toshiba/E008143. PDF处下载。
(王忠诚)