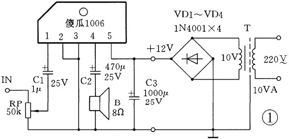
在这次无线电小组的活动中,同学们采用“傻瓜”功率放大集成电路1006,轻松地组装了OTL音频功率放大器(图1);在老师的辅导下,大家比较深入地学习了傻瓜功放模块的电路原理、特性和应用知识。

同学:用傻瓜模块组装的OTL功率放大电路,不需要外接元器件,不用调整和测试,放音效果也不错。请问您,它的内部电路是怎么组成的呢?
老师:傻瓜功放模块的内部电路与大家熟悉的OTL和OCL电路大体相同。我给大家画出内部电路的方框图(图2),可以看到,它也是由前置级、驱动级和互补推挽输出级组成的,还包括滤波、静噪和保护电路,这些电路的全部元器件都集成在内部基片上,外部只需接上音源、扬声器和直流电源,不需要调试就能满意地工作,因此人们管它叫“傻瓜”模块。

同学:您曾经给我们讲过半导体集成电路的特点。在硅片上制作晶体管很容易,可是制作大阻值的电阻、电容器和电感器,在工艺上还不过关,使用时还需要外接分立元件才能组成一个完整的电路。那么,傻瓜模块是怎么解决这个问题的呢?
老师:问题提得好!傻瓜模块是采用厚膜集成电路工艺制作的。厚膜集成电路与半导体集成电路不同,它的特点是电路的元器件和连线都是以“膜”的形式淀积在一块绝缘基片上,形成一个完整的电路。这种厚膜技术也是制造微电子电路的一种方法,最常用的是“丝网印刷法”。通俗地说,它与蜡纸誉印的方法十分类似,也就是把各种配制好的浆料通过漏印网板印刷在绝缘基片上,再经过烧结、调整等工序,制作出包括电阻、电容、电感、晶体管和连接导线(称为导电带)等厚膜元件,形成全膜化集成电路。需要说明的是,目前在厚膜技术上,除了电阻和导电带的制作工艺比较成熟外,其他厚膜元器件的制作还有很多困难,所以晶体管、电容、电感等一般都需要内接,成为厚膜与分立元件混合组成的电路,叫厚膜混合集成电路。
同学:厚膜电路的绝缘基片用的是什么材料呢?您所说的厚膜浆料是怎么配制的呢?
老师:厚膜电路的绝缘基片是厚膜元件、导电带和内接分立元件的承载体,起着机械支撑、绝缘和导热的作用,常用的是氧化铝瓷基片。厚膜浆料是制作厚膜元器件的原料。按功能不同,大致可分为厚膜导电浆料、厚膜电阻浆料、厚膜电容浆料,等等。厚膜导电浆料用来形成导电带(连接导线),是用一种或多种金属细粉、玻璃细粉和有机载体(粘合剂、有机溶剂)混合而成;厚膜电阻浆料是把粉状电阻材料和玻璃细粉悬浮于有机载体中制成的。为了适应丝网印刷工艺,需要分别把各种厚膜材料与有机载体调制成粘稠的均匀悬浮液体,这就是厚膜浆料。
同学:为什么称它为厚膜呢?膜层厚度有多大呢?
老师:厚膜集成电路是相对于另外一种薄膜集成电路而言的,这个问题今天就不谈了。其实所谓“厚膜”,膜层厚度也仅有几微米到几十微米。
同学:今天我们用的傻瓜1006功放模块,比指甲盖还小(10mm×8mm×2mm),它的最大输出功率有多大呢?跟一般的集成功放相比,它有哪些特点呢?
老师:傻瓜1006组成的是OTL电路,大家可以根据已经学过的计算输出功率的公式算一算。
同学:这个电路电源电压是12V,负载是8Ω,根据计算OTL电路输出功率的公式P\(_{O}\)=V\(^{2}\)\(_{DD}\)/(8R\(_{L}\)),可以算出它的输出功率是2.25W。
老师:对。傻瓜1006的最大输出功率是6W,电源电压范围是8~18V,负载阻抗为4~8Ω。如果电源电压选13.8V,负载阻抗为4Ω,输出功率就是6W。1006功放模块是“傻瓜”系列中输出功率最小的一个品种,常管它叫“小傻瓜”,它的特点是闭环增益比较高,约为45dB(分贝),是普通功放集成电路的5~6倍,这就意味着输入较弱的音频信号(例如话筒放大输出级、10mV以下的录放音信号)就能获得满意的放大。电子爱好者常用它制作微型有源音箱、耳机放大器等。傻瓜1006的频率响应为40Hz~90kHz,失真度小于1%。
同学:您说的高频响应可以达到90kHz,可是人耳能听到音频信号最高频率只有20kHz,那么高达90kHz有什么实际意义呢?
老师:超过20kHz的高频信号虽然人耳反应不出来,却可以明显改善音乐高音频段的清晰透明度,所以一般高保真音响器材的高频响应都要高于20kHz。
同学:傻瓜1006只能接成单电源的OTL电路,有没有接成OCL电路的傻瓜功放模块呢?
老师:广东省中山市达华电子厂开发了一系列的傻瓜功放模块,除了1006外,其余的产品都是接成OCL电路。例如,傻瓜175(图3),就是一个典型的O-CL功放。它采用±33V电源供电,最大输出功率为75W,这种功放模块的闭环增益为30dB,频率响应为10Hz~50kHz,失真度不大于0.7%。
同学:为什么傻瓜175的低频响应可以低到10Hz呢?
老师:双电源供电的傻瓜功放模块,内部电路采用了具有电子管特性的MOS场效应管作放大器件,所以频率响应都很宽(10Hz~50kHz),特别是低频响应非常好。同时,它们的输出功率大,线性好,失真小,无论是自己组装扩音机,还是在检修音视频设备用它代替各类功放电路,都是一种比较理想的器件。
同学:用傻瓜功放模块可以组装双声道立体声功率放大器吗?
老师:用两个单声道傻瓜175可以方便地组成双声道立体声功率放大器(图4),两个模块可以共用一组电源供电,组装起来十分方便。厂家还生产了一种傻瓜275(图5),它的内部含有两个傻瓜175电路,可以直接用作双声道立体声功放。不过根据实践经验,使用两个单声道175制作的双声道扩音机,从散热效果、音道分离度以及价格比,都会比使用单个的傻瓜275要好。

同学:输出功率最大的傻瓜功放模块有哪几种产品呢?
老师:傻瓜1100的最大输出功率可以达到100W。还有一种新产品AMP1200傻瓜功放模块,称为“功放皇后”,最大输出功率为200W,频率响应为10Hz~30kHz,失真度小于0.3%,它的外形只有一张扑克牌大小(当然要加装250mm×250mm×5mm的散热器),可以说是目前最大的傻瓜功放模块啦!
同学:再问您一个问题,傻瓜功放电路输入端的引线为什么一定要使用金属屏蔽线呢?
老师:这是因为傻瓜功放模块的输入阻抗都比较高(一般为50kΩ左右),所以输入回路很容易感应低频交流信号,因此音源至电位器以及电位器与模块之间的信号线都要采用金属屏蔽线。
编者注:有关傻瓜功放模块更详细的原厂资料可上网下载:http://www.twh.com.cn。
(宋东生)