[1] 集成稳压器是指将不稳定的直流电压变为稳定的直流电压的集成电路。由于集成稳压器具有稳压精度高、工作稳定可靠、外围电路简单、体积小、重量轻等显著优点,在各种电源电路中得到了普遍的应用。常用的集成稳压器有:金属圆形封装、金属菱形封装、塑料封装、带散热板塑封、扁平式封装、双列直插式封装等,如图1所示。

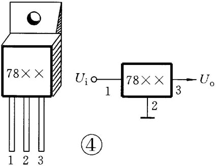
[2] 集成稳压器的文字符号采用集成电路的通用符号“IC”,图形符号如图2所示,左图为三端式稳压器,右图为多端式稳压器。在电子制作中应用较多的是三端固定输出稳压器。

[3] 集成稳压器可分为串联调整式、并联调整式和开关式稳压器三大类。图3所示为应用最广泛的串联式集成稳压器内部电路方框图,其工作原理是:取样电路将输出电压Uo按比例取出,送入比较放大器与基准电压进行比较,差值被放大后去控制调整管,以使输出电压U\(_{O}\)保持稳定。

[4] 7800系列集成稳压器是常用的固定正输出电压的集成稳压器,输出电压有5V、6V、9V、12V、15V、18V、24V等规格,最大输出电流为1.5A。内部含有限流保护、过热保护和过压保护电路,采用了噪声低、温度漂移小的基准电压源,工作稳定可靠。7800系列集成稳压器为三端器件,①脚为输入端,②脚为接地端,③脚为输出端,如图4所示,使用十分方便。

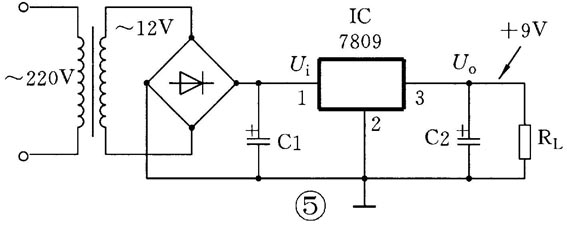
[5] 7800系列集成稳压器的典型应用电路如图5所示,这是一个输出正9V直流电压的稳压电源电路。IC采用集成稳压器7809,C1、C2分别为输入端和输出端滤波电容,R\(_{L}\)为负载电阻。当输出电流较大时,7809应配上散热板。

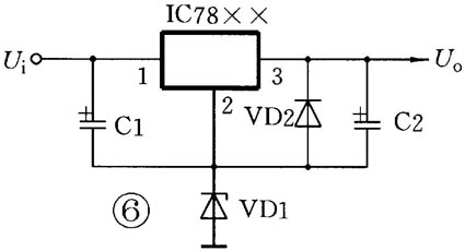
[6] 图6为提高输出电压的应用电路。稳压二极管VD1串接在7800稳压器②脚与地之间,可使输出电压U\(_{o}\)得到一定的提高,输出电压U\(_{o}\)为7800稳压器输出电压与稳压二极管VD1稳压值之和。VD2是输出保护二极管,一旦输出电压低于VD1稳压值时,VD2导通,将输出电流旁路,保护7800稳压器输出级不被损坏。

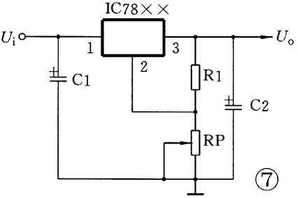
[7] 图7为输出电压可在一定范围内调节的应用电路。由于R1、RP电阻网络的作用,使得输出电压被提高,提高的幅度取决于RP与R1的比值。调节电位器RP,即可在一定范围内调节输出电压。当RP=0时,输出电压U\(_{o}\)等于7800稳压器输出电压;当RP逐步增大时,U\(_{o}\)也随之逐步提高。

[8] 图8为扩大输出电流的应用电路。VT2为外接扩流功率管,VT1为推动管,二者为达林顿连接。R1为偏置电阻。该电路最大输出电流取决于VT2的参数。

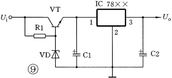
[9] 图9为提高输入电压的应用电路。7800稳压器的最大输入电压为35V(7824为40V),当输入电压高于此值时,可采用图9的电路。VT、R1和VD组成一个预稳压电路,使得加在7800稳压器输入端的电压恒定在VD的稳压值上(忽略VT的b-e结压降)。U\(_{i}\)端的最大输入电压仅取决于VT的耐压。

[10] 集成稳压器还可以用作恒流源。图10为7800稳压器构成的恒流源电路,基恒定电流I\(_{o}\)等于7800稳压器输出电压与R1的比值。
[11] 7900系列集成稳压器是常用的固定负输出电压的三端集成稳压器,除输入电压和输出电压均为负值外,其他参数和特点与7800系列集成稳压器相同。7900系列集成稳压器的三个引脚为:①脚为接地端,②脚为输入端,③脚为输出端,如图11所示。
[12] 7900系列集成稳压器的应用电路也很简单。图12所示为输出-9V直流电压的稳压电源电路,IC采用集成稳压器7909,输出电流较大时应配上散热板。
[13] 同时运用7800和7900稳压器,可以组成正、负对称输出的稳压电路。图13所示为±15V稳压电源电路,IC1采用固定正输出集成稳压器7815,IC2采用固定负输出集成稳压器7915。VD1、VD2为保护二极管,用以防止正或负输入电压有一路未接入时损坏集成稳压器。
[14] CW117为三端可调正输出集成稳压器,输出电压可调范围为1.2~37V,输出电流可达1.5A。图14所示为CW117外形及电路符号,其①脚为调整端,②脚为输出端,③脚为输入端。
[15] 图15所示为CW117典型应用电路,R1与RP组成调压电阻网络,调节电位器RP即可改变输出电压。RP动臂向上移动时输出电压增大,向下移动时输出电压减小。
[16] 当将CW117的调整端直接接地时,即可获得1.2V的固定低压稳压输出。图16所示为固定低压应用电路。
[17] CW117还可以用于软启动电源电路,如图17所示。刚接通输入电源时,C2上无电压,VT导通将RP短路,稳压电源输出电压U\(_{o}\)=1.2V。随着C2的充电,VT逐步退出导通状态,U\(_{o}\)逐步上升,直至C2充电结束,VT截止,U\(_{o}\)达最大值。启动时间的长短由R1、R2和C2决定。VD为C2提供放电通路。
[18] CW137为三端可调负输出集成稳压器,输出电压可调范围为-(1.2~37)V,输出电流可达1.5A。其①脚为调整端,②脚为输入端,③脚为输出端,如图18所示。
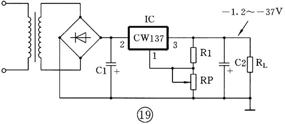
[19] 图19所示为CW137典型应用电路。调节电位器RP可改变输出电压的大小,RP动臂向上移动时输出负电压的绝对值增大,向下移动时输出负电压的绝对值减小。

[20] 图20为采用CW117和CW137组成的正、负对称输出可调的稳压电源电路,输出电压±(1.2~37)V,最大输出电流1.5A。调节双连同轴电位器RP1,即可使正、负输出电压的绝对值同步变化。

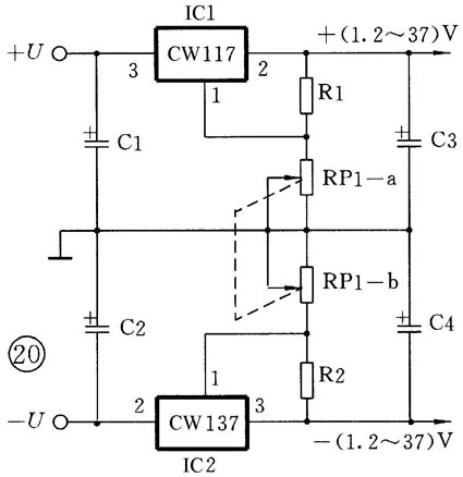
(莫恩)