输出1.5A降压式DC/DC变换器LM1572
LM1572是一种输出1.5A电流的降压式DC/DC变换器。输入电压8.5~16V,输出电压3.3V、5V或可调输出(2.42~5V)。该器件组成的开关式电源主要特点是:工作频率500kHz,允许采用小尺寸贴片元件;内部有导通电阻150mΩ的功率MOSFET作开关;电流型控制;静态电流2.3mA;可编程软启动,可防止启动时大的冲击电流;内部设有斜坡补偿;有省电关闭控制(TTL电平兼容),在关闭状态时耗电26μA;有短路保护及过热保护;16管脚TSSOP封装。
该电源主要适用于LCD监控、机顶盒、电缆调制解调器及12V转换成5V或3.3V的系统。
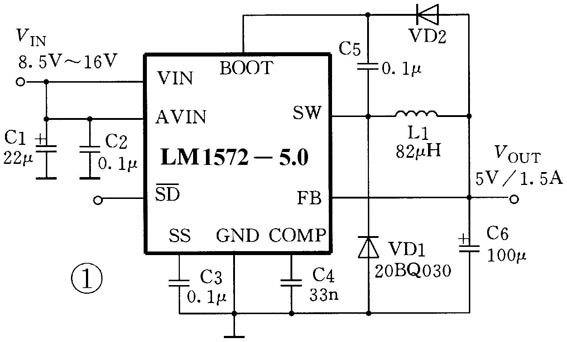
典型应用电路见图1。输入电压8.5~16V,输出5V/1.5A。图中VD1(20BQ030)为续流二极管,应采用肖特基二极管。C3为软启动电容,C4为补偿电容。SD为关闭控制端,低电平有效,若不用此功能时,此端可接VIN端(串接10k~100k电阻)。

查询网址:www.national.com/ds/LM/LM1572.pdf。
低功耗、低工作电压、满幅度输出单运放LMV341
LMV341是一种低功耗、低工作电压、满幅度输出的单运算放大器。该运放工作电压范围2.7~5V,在2.7V时保证全部性能;工作电流低,典型值为100μA;增益带宽积1.0MHz;最大的失调电压4mV;压摆率为1.0V/μS;有省电关闭控制,在关闭状态时耗电典型值45pA;从关闭状态到工作状态时间短,典型值为5μS;小尺寸SC70-6封装;工作温度范围-40℃~+125℃。
该运放主要应用于无绳电话、蜂窝电话、膝上型计算机、PDA、PCMCIA卡,电池供电的便携式电子产品、电源电流监控及电池电压监控等。
LMV341的管脚排列见图2,一种用LMV341做成的采样保持电路见图3。利用A1的SHDN作采样时钟输入,A1、A2接成跟随器,C为保持电容。


查询网址:www.national.com/ds/LM/LMV341.pdf。
由三个电流反馈运放组成的宽带运算放大器OPA3691
OPA3691是一种由三个电流反馈运放组成的宽频带运算放大器。该运放工作电压范围宽为±(5~12)V;单位增益稳定(400MHz,G=1),输出电流大,典型值为190mA;在±5V供电时输出电压幅值±4V;高压摆率,典型值为2100V/μs;工作电流,每个运放为5.1mA;在 “禁止”状态时每个运放耗电仅150μA(“禁止”端接低电平时有效),若不用此功能时,此端悬空或接高电平。
该运放用于RGB线驱动、宽带IN-A、宽频带视频缓冲器、高速成像通道、便携式仪器、A/D变换器缓冲器、有源滤波器及电缆驱动器等。
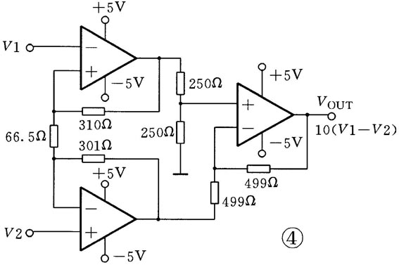
典型应用电路见图4。V1、V2是差动输入,VOUT是输出,按图中的电阻参数,输出电压VOUT与V1、V2的关系为

V\(_{OUT}\)=10(V1-V2)
查询网址:www-s.ti.com/sc/ds/opa3691.pdf。
输出5A、低电压、低压差线性稳压器MIC37500/37501/37502
MIC37500/37501/37502是一种输出电流5A、输出低电压(固定电压及输出可设定)、低压差线性稳压器。该器件可保证输出电流大于5A;最大的压差为500mV,较理想的从3V转换到2.5V,从2.5V转换到1.8V及1.65V转换到1.5V;用陶瓷电容及钽电容可使输出稳定;输入电压范围2.3~6.0V;初始精度±1.0%;良好的线性调整率及负载调整率;有省电的关闭控制(低电平有效);有输出电流限制及过热保护;有反向电流及电池反接保护;可调输出范围1.24~5V,固定输出有2.5V、1.8V及1.5V;结温-40℃~+125℃;低剖面高度S-Pak封装。
该器件组成的低电压、大电流电源主要用于低电压数字集成电路,如微处理器、DSP、高效线性电源、开关电源的后续调节器、充电器等。
一种输入3V、输出2.5V固定输出电路如图5所示。其中VEN是关闭控制端,不用此功能时VEN接V\(_{IN}\)。FLG是电源故障信号输出,100kΩ是上拉电阻(内部是开漏结构)当输出电压有故障时,FLG输出低电平。

一种可调整输出电路见图6。V\(_{OUT}\)与R1、R2关系为:

V\(_{OUT}\)=1.24(1+R1/R2)
查询网址:www.mickel.com/-PDF.mic37500-501-502.pdf。