本文介绍的遥控式数字时间控制器及温度控制器,除可以用时间及温度分别控制器两个继电器外,还可以用时控继电器的触点与温控继电器的触点串联,构成双控器,即在特定时间范围内温度达到某范围才启动设备。此外,其倒计时功能,遥控开关功能都令使用者感到异常的方便。输出除有继电器外,尚有蜂鸣器兼有按键响应及到时、超温报警作用。
本产品可供工厂接产或科研单位批购,也可供爱好者装配自用。
一、功能:
① 显示标准时间、② 显示室内(外)温度(-20℃~99℃),③ 两开两关定时控制(时间继电器输出)、④ 温度控制(温度继电器输出)、⑤ 双继电器(时间、温度继电器)输出、⑥ 蜂鸣器报警提示、⑦ 99分钟倒计时控制(时间继电器输出),⑧ 手动开关(时间、温度控制继电器输出),⑨ 全遥控功能。
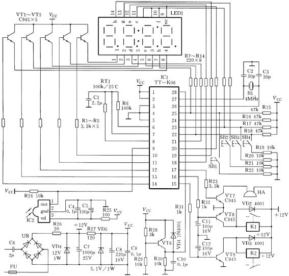
二、电路图:
附图为简化电路结构,特采用通途公司开发的芯片,该芯片引脚少,焊接、布板均较方便,适合大量生产。采用晶振可使计时更精确。其中遥控接收头采用专用IC,带放大整形部分。显示屏为绿色共阳极扫描式,采用小时十位的e、f笔段代表上、下午,这样可以减少引脚便于装配。其中RT1为热敏电阻,用玻璃封装,精度可采用1%的。R6精密电阻,误差优于1%,电源采用电容降压式,要做好防触电的措施。电路板上留了变压器的位置,用户可自由选择。当采用变压器时,所有的继电器全部换成5V的,变压器次级的绕组采用7V、总功率为1W的带针脚直焊式的便可。

三、关于继电器开关的多控制互相屏蔽的问题:
本电路的继电器有两组:时间继电器及温度继电器,其中时间继电器接受定闹1的开关、定闹2 的开关、倒计时的开关、手动即时开关等四重控制,中间难免不会出现一组控制信号会被其它组的控制信号屏蔽的问题,所以本电路在设计时定下如下一些规定:1.最高级别为手动开关,其它为倒计时、闹1、闹2。2.高级别的信号可以屏蔽低级别的信号,低级别的信号则不能屏蔽较高级别的信号。举例来说:目前闹1正在运行,继电器吸合,触点通,此时按下手动开,由于开状态已存在,故不发生变化,如果按下手动关,则尽管闹1还未到关闭的时间,但由于手动控制级别最高,故可以改变闹1所控制的不同开关状态。如果在手动开或闹1开的运行过程中,闹2的关信号来了,但闹2关不能屏蔽闹1开的信号。这一点用户在设定自已的控制程序时应多加注意,以防预期的控制信号不发生效果。温度继电器只有温控及手控两种。
四、安装:
由于电路不存在模拟部分,只要零件数值准确,一般是不用调试即可使用的。显示屏采用绿色一体化专用屏。
安装时尽量选用同型号的热敏电阻,否则温度计的精度不能保证。
遥控器采用超薄卡片式(薄膜型),便于携带,可以做成钥匙扣,共8个按键,重量约12.7g,相当于半张名片那么宽,寿命10万次以上。
广州通途电子有限公司供:①全套元件含外壳70元,②组装好80元,③主要件IC 10元,屏5元,热敏电阻2元,印板8元,邮费6元。地址:广州麓景西路6-8号首层,邮编510091,电话/传真:020-83592575,83504870。网址:www.tongtu168.com。
(通途)