三、编码显号式楼宇对讲开锁电话系统:
楼层较高或每层户数较多的居民楼,如15层楼、每层4户的楼型,每个单元共60户,倘选用直按型门口主机,面板大、按键多、眼花缭乱、使用不便。编码显号式楼宇系统接线少,带负载能力强,分机有单通和互通二种,主机和互通分机上均带有电话键盘,使用方法与普通电话相同。如12楼第3户编号为三位数的“123”,来客按“123”号时依次按“1、2、3”这三个数字键,数码管显示“123”数字码,分机响铃,摘机即可通话开锁。编码电路易于升级进行各种遥控、报警、联网等,选择编码显号系统可为日后功能扩展奠定基础。
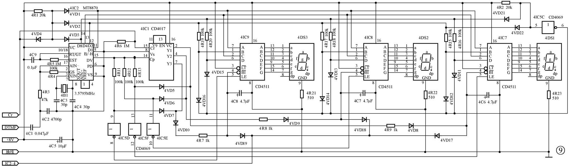
1. HT-986D/E编码四总线门口主机:这种主机有不锈钢和铝合金等多种外形,面板上装有数字键“0~9,*、#”的电话键盘和LED数码管,一般采用DTMF双音频发解码,其呼叫、拨号、主控、开锁和通话电路等与图5基本相同(请参阅上期文图)。图9为该机数码管显示电路:发码集成块W91419发出的DTMF双音频信号由4C1和4R3输入4IC2解码器MT8870放大、滤波、解码后由输出8421数据码,4IC7~4IC9三只7段BCD锁存译码驱动器CD4511数据输入端并联,且受4IC1十进制计数器CD4017的控制,依次驱动4DS1~4DS3三只LED数码管显示被呼号码。来客按主机号码盘第一个号时,4IC2数控确认脚DV输出给4IC1计数输入端Cp一个高电平进位信号,4IC1的Y1输出脚由0(低电平)变1(高电平),经4R9和4VD8使4IC7④脚BI消隐控制端由0变1,4R13和4VD5交点为1经反相器4IC5F反相为0,使4IC7⑤脚数据传送控制端LE由1变0,4DS1数码显示器显号。按第2、第3个号码时,CD4017的Y2、Y3输出脚由0变1,4IC8、4IC9重复上述过程。有的地区习惯将前述的12楼第3户编为“1203”类四位数号,可照上述工作原理利用CD4017的Y4输出加配CD4511等组成四位显号器。由于CD4511不好直接用于显“0”这个数字,本电路先用4VD21和4VD22解出“0”的二进制码,再经4IC5C反相由4R15~4R20和4VD11~4VD16等配合实现显“0”。4VD17~4VD19接在CD4511的消隐控制脚BI端,在主机不工作即图5电路R-S主控器处于静态、IC2④脚电平为0时,使BI保持低电平不能显号。本系统一般利用“*”信号进行复位关机,图9电路中4R1和4VD1~4VD3为“*”(1011)信号解码器,当分机挂机时自动发“*”信号或来客按“*”键时该电路输出由0变1,4VD4使4IC1的复位脚Cr脚为1,计数器清零复位,R-S主控器IC2等关闭,显示器消隐。CD4511组成的LED数码显示器成本低、设计规范、不需编程、扩容简单、工作可靠,用途十分广泛。

2. HT-968C编码四总线单通分机电路:其呼叫、通话、开锁、电源等电路与图6类似,不再赘述。图10为编号和识码电路原理图:这种电路通用于各型双音频电路中,单通和互通分机均可选用。主机或互通分机发来的DTMF双音频信号由通话线经C9和R11输入IC2(MT8870),解出的二进制8421码由输至BCD二进制码转十进制码译码器IC3(CD4028),在其到⑤脚得到十进制数“1~9”的编号输出,见图10相关标注。计数器IC1(CD4017)的Cp脚受IC2DV的控制,DV每输出一个确认信号,计数器进位一次。IC4(CD4043)内部集成了四组R-S触发器,本电路中用其中的三组级联作三位数房号的识解码,其工作过程为:守侯状态时计数器IC1置零,其Y0脚为1,其余Y1~Y3等脚为0;三个R-S触发器IC4-1~3输出均为1,经IC5反相为0;Q3输出控制的铃音电路等均不工作。设本机编号为“123”,三条编号线“1”~“3”分别连至IC3的、②脚和。当来客按主机电话键盘“1”时,计数器IC1进位Y1为1,译码器IC3输出为1,经编号线1和电阻R1传到IC4-1的置零输入端R1,此时VD7因Y1为1而截止,IC4-1的置1输入端S1为0,所以IC4-1输出端Q1由1翻转为0;来客按“2”时,IC1进位Y2为1,IC3②脚输出1,经编号线2和电阻R2传到IC4-2的置零输入端R2,因S2连Q1为0,所以IC4-2输出端Q2由1翻转为0;来客按“3”时,IC1进位Y3为1,IC3输出1,经编号线3和电阻R3传到IC4-3置零输入端R3,因S3连Q2为0,所以IC4-3输出端Q3由1翻转为0,经反相器IC5反相Q3为1,控制后面的铃音片等电路得电工作,分机响铃,摘机可通话。-VO是受分机手柄开关控制的一个十分重要的逻辑电位,在挂机状态时呈高电平1,摘机状态时呈低电平0。当识解码输出端Q3翻转为高电平响铃音时,倘分机未摘机则-VO为高电平1,VD12截止,R10通过VD11为电解电容C6充电,C6上的电压逐渐上升,一段时间后C6上的电压超过电源电压的一半,经R8传至IC4-1的置1输入端S1为高电平1,Q1、Q2和Q3受控依次变为1,IC5-5反相为0,铃音停止,电解电容C6通过VD10放电。选择R10值可使铃音在无人摘机时响8~12下自动关闭。当有人摘机通话时,-V O翻转为0,VD12导通,短路R10不起作用。R9为C6充电,由于R9数值较大,延时约2分钟上述过程重现,分机自动关闭。在双方通话完毕,分机挂机时,-VO由0变1,电容C2输出的微分正脉冲由VD6控制IC4⑥脚S1使输出关闭。本电路由于计数器IC1的作用,使识码过程不仅检查来客所按号码是否符合房号,还要检查该数码出现在什么位置。如果省略IC1计数器则本电路只能编三位互不相同的号码,而当要求编“111”这种号码时,因为编号线1~3均接至IC3,在来客按第一位“1”时,IC4-1~3均翻转使输出为1响铃而导致工作紊乱;加入计数器后虽然号码仍为“111”,三条编号线并在一起,但在来客按第一位数“1”时,只有Y1为1,VD7截止,而VD8、VD9均因Y2和Y3为0而饱和,短路电阻R2和R3,使IC4-2~3不翻转,按第二、第三位号的情况相同。本机可编“000~999”共1000位号码而不会错号。如再加用一只R-S触发器并利用IC1计数器CD4017的⑩脚Y4,则可编“0000~9999”共10000个号。由于CD4028不能解出“0”这个十进制码,图10电路中加用VD4和VD5解“0”码。VD13~VD15则解出“*”码用于IC1计数器Cr的复位和其他用途。VT1恒流源既提供IC2等的6V工作电源又不致分流通话线信号。
3. HT-988B2编码二总线互通分机电路:将呼叫、开锁、通话、复位等功能集中在二条公用线上,采用共模反馈形式的二总线无极性传输方式,便捷、可靠、省工省料,深受设计工程人员欢迎。图11电路中通话信号等由L1、L2输入,经VD1~VD4极性校正,经C1和R23输入IC2双音频DTMF信号,译为二进制码输至IC3再译为十进制码。编号电路由IC4B~IC4D(CD4001三组二或非门)等组成:收到第一个相符的呼叫码时编号线1经VD15为电解电容C4充电,此时由于编号线2仍为低电平0,VD16短路R1使IC4B输入端电位为0,IC4B输出维持高电平。收到第二个相符码时,VD16截止,R1将C4积存的高电平信号输至IC4B输入端使其输出为0。当收到第三位相符码时,IC4B因VD16重新导通而翻转为1,C20输出的正脉冲因VD6、VD7截止使IC4C和IC4D组成的R-S触发器翻转,IC4变为高电平,音乐片IC5得电工作,R9驱动VT3放大,扬声器BL1振铃,摘机可通话,分机按“#”键,可遥控开电子门锁。这种形式较之图10电路简单,可省去计数器CD4017。它允许用于三位数编号且中间一位号码与两边号码不同的应用场合,如可编“101”、“602”等号,但不允许编“110”、“223”之类号。VD11、VD12和IC4A组成解“0”电路,发码、通话等电路与前述电路相近,请读者自行对照分析,限于篇幅不详述。
(刘永华)