MAX4238/39是采用美国美信公司(MAXIM)的BiCMOS工艺,内含821只晶体管的放大器,利用专利自动调零技术,可获得接近于零的输入失调电压和温度漂移。它们都采用8脚窄体SO封装和6脚SOT23封装,如图1所示。IN+为放大器同相输入端,IN-为反相输入端,OUT为输出端,VCC为电源电压,GND接地,N.C为空脚,SHDN为关闭输入脚。

两种放大器的不同点是:MAX4238的稳态闭环增益A\(_{V}\)≥1V/V,增益带宽乘积GBWP=1MHz;而MAX4239的稳态闭环增益A\(_{V}\)≥10V/V,GBWP=6.5MHz。
MAX4238/MAX4239的共同点如下:
(1) 2.7~5.5V单电源满摆幅输出,电源电流仅0.6mA,输出短路电流达40mA,工作温度-40℃~+125℃。
(2) 输入偏置电流I\(_{B}\)≤2pA,输入失调电流I\(_{OS}\)≤2pA,共模输入电压(V\(_{CM}\))为( GND-0.1V)~(V\(_{CC}\)-1.3V),共模抑制比(CMRR)≥120dB(典型值是140dB)。
(3) 在25℃下,输入失调电压V\(_{OS}\)=0.1μV(典型值);在-40℃~+85℃下,V\(_{OS}\)≤2μV。
(4) 在R\(_{S}\)=100Ω和f=0.01~10Hz下,输入噪声电压典型值是1.5μVP-P。
(5) 输入失调漂移典型值是10nV/℃。
(6) 电源抑制比(PSRR)为140dB,大信号电压增益(A\(_{VOL}\))是150dB。
(7) 将脚SHDN连接到V\(_{CC}\),器件正常工作;若SHDN输入逻辑低电平(≤0.8V)或接地,IC“休眠”,仅消耗0.1μA的关闭输入电流。
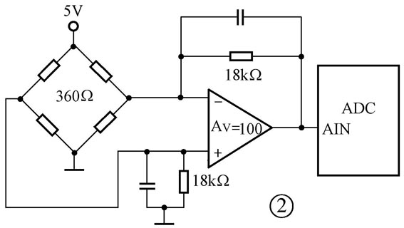
MAX4238/39是具有超低失调、超低漂移和低噪声的放大器,在热电偶、应变仪、电子天平、医学仪器和仪器放大器等应用中,具有明显优势。图2示出的是MAX4238或MAX4239在应变仪这种低速高精度放大中的应用简图。它们在此作模数变换器的缓冲器,其性能是同类IC无法与之媲美的。与反馈电阻相并联的电容器,可限制闭环带宽,以减小时钟馈入到输出的总量。

编者注:有关MAX4238/39更详细的原厂资料可上网查询pdfserv.maxim_ic. com/arpdf/MAX4238-MAX4239.pdf。
(祝大卫)