许多工薪阶层的HAM下决心买了车台后,又为配置重载电源而犯难。一个专业线性重载电源的价钱与一台二手UV段车台相当,经济上确实难于负担。本文介绍一种用微机电源改制13.8V重载电源方法,供HAM参考。
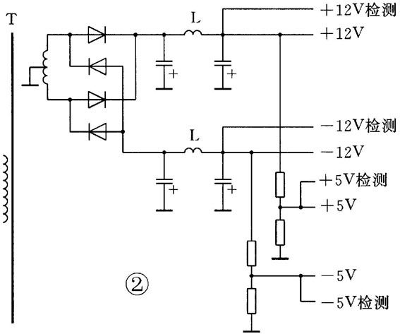
图1是改制前微机电源的电路图。改制时,先把里面的脉冲变压器T拆下,去掉原5V、12V次级线圈,然后用大于原12V线圈两倍截面的粗线重绕,此时应注意绕线方向要与原来方向相同。由于改制时要把原机12V改为13.8V,所以必须求出多绕圈数。绕好后将线圈焊在原5V脚位(因此脚整流管额定电流较大,滤波电感线圈较粗),再把变压器焊回线路板上。接着,再断开5V基准,以13.8/5的分压比用电阻分压出一个信号接在此处(见图2),分压电阻可取几十至几百欧姆。注意原滤波电容的耐压值是否足够,若耐压值不够,应予更换。再跳线及分压处理好±12V、-5V三个位置的基准,否则检测电路检测不到电压,误以为输出短路,并使保护电路起作用而无输出。装好后一定要细心检查一遍,避免因搭错线或漏焊而在通电瞬间烧坏整个电源。需要指出,大部分微机电源必须带上负载才能启动,所以需在输出端焊只功率大点的电阻,加上灯泡、仪表做启动电阻更好。


(陈永翔)