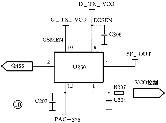
四、TXVCO
发射VCO电路用以产生最终发射信号。CD928、328等手机使用分立元件的VCO电路,其他电路形式与RXVCO电路形式差不多,只是工作参数不同而已。从V998开始,多使用集成组件的TXVCO模块。图10所示的就是一个TXVCO组件电路。D-TX-VCO是指1800MHz的TXV-CO;G-TX-VCO是指900MHz的TXVCO。

五、功率放大
不同型号摩托罗拉手机的功率放大器变化相对大一点,但它们也有相同之处:
●功率放大器的机构相似。TXVCO输出后都会经一个缓冲放大器放大,以防止功放电路影响TXVCO的工作。
●从328手机电路开始,它们的发射电源电子开关电路基本一样。如图11所示。

●除87、82、2288手机外,其他手机的功放电路都使用了负偏压电路。
●发射机电路的控制信号基本相同。
六、功率控制
摩托罗拉手机的功率控制电路形成都一样。如图12所示。它专门由一个PAC模块组成。该模块的④、是启动控制端,受逻辑电路的控制。当④、为高电平时,⑦脚输出高电平,功率放大器开始工作。②脚是取样输入端。射频信号在模块内经高频整流,得到一个反映发射功率大小的直流信号,该信号对自动功率控制参考电平AOC-DRIVE进行处理,改变⑦脚电压,达到功率控制的目的。

摩托罗拉手机重要信号
除T2688手机外,大多数摩托罗拉手机中的重要控制信号都一样,分别叙述如下:
SAT-DET信号:
当功率放大器处于饱和状态时,该信号为低电平,通知功率控制电路降低自动功率控制电平AOC;当功率放大器未处于饱和状态时,该信号为高电平,通知功率控制电路使自动功率控制电平AOC上升(图13)。
TX-KEY信号:
TX-KEY信号是一个时序控制信号,控制PAC电路给功放提供初始偏压(图14)。
AOC信号:
AOC是一个线性自动功率控制电压信号(图15),该信号控制PAC模块输出的信号电压大小。
TX-EN信号:
DM-CS信号:
发射机启动控制信号(图17),用以控制发射变换、发射VCO电路。

发射基带信号:
RX-ACQ信号:
该信号是在待机状态下测试的波形(图19)。当该信号为高电平时,射频电路向逻辑电路传输接收数据信号。

接收基带信号:
RXI和RXQ信号是接收基带信号,该信号是在“450060#”、“262000#”、“25013#”、“241#”时检测到的波形(图20)。


I/Q-REF信号:
该信号是在“450060#”、“262000#”“25013#”、“241#”时检测到的波形(图21)。

RX-EN信号:
RX-EN信号是接收机启动控制信号(图22),在测试模式下,该信号是一个2.75V的高电平信号。

复位信号:
复位信号控制逻辑电路。若逻辑电路有问题,则一定周期后,该信号为低电平(图23)。

DP-EN信号:
LCD电路控制信号(图24)。当该信号为高电平时,LCD工作;当该信号为低电平时,LCD电路不工作。

摩托罗拉GSM手机测试指令使用
摩托罗拉GSM手机的测试指令很多,在很多资料上都有记载。但常用的指令并不多。善于使用这些测试指令可提高维修速度。
一、接收机测试指令
检查接收机常用的指令是“45”的命令。该命令启动接收机电路。并将频率合成电路设置于相应的信道上。如“45060#”,就是将接收机射频电路设置在GSM的60信道上。
在测试状态下,接收机的控制信号是一个2.75V的高电平。
在GSM60信道,我们已知接收机频率为947MHz,同时又知道接收中频信号,可以由此来获知RXVCO电路此时的信号频率,用以判断RXVCO电路是否工作正常。
二、发射机测试指令
发射机的测试指令一般是3个指令相互配合,它们是“11”、“12”和“31”。
第一个命令是将发射机设置在某一个信道上;第二指令是设置发射机的功率级别;第三个指令是启动发射机电路。
使用“12”指令时,应注意结合“1205#”和“1215#”的使用。若一部手机发射关机,在使用“1215#”时(最小的功率级别),手机还会关机,则应重点检查功率放大器电路。
有一点值得注意的是,在测试状态下,发射机的控制信号仍然是一个脉冲信号,只不过是一个4.616ms的固定信号。
三、音频通道的检查
接收音频通道和发射音频通道可以使用测试指令打开,用示波器来检查音频电路,非常方便。它们是:“08#”、“10#”、“434#”、“36#”。
(安泰信手机维修研究中心)



