2. 失真度分析
失真度测量仪用于测量低频信号的非线性失真。一个正弦信号经过非线性网络后,其输出信号中不仅存在与原来频率相同的基波分量,还会有各种谐波分量。非线性失真的程度用非线性失真系数即失真度表示。失真度定义为谐波总功率与基波功率之比的平方根,因此失真度是一个百分数。
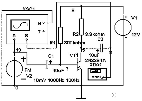
现以图10单管放大电路为例,来说明测量电路失真度的方法。取用仪器板上的失真度仪,将失真度仪的输入端连到电路的输出端。在电路中的双踪示波器同时显示输入和输出波形,以便察看输出波形的失真情况(图11)。


我们可在闭合仿真电源后,改变电阻R1的数值。此时可看到输出波形和THD也随之变化。
失真度仪面板各项目(图12)的意义如下:

(1) Total Harmonic Distortion(THD):总谐波失真值。
(2) Fundamental Frequency:谐波测量基频。
(3) Control Mode:控制模式。THD以总谐波失真方式,SINAD以信号-噪声比方式。Settings是设置失真度仪的工作参数。如谐波的计算方法采用IEEE还是ANSI标准、基频的范围(在20~20000Hz内设置)和谐波数(在1~1000内设置)。
(4) Display Mode:显示模式。%以百分数方式;dB以分贝方式。
3. 相频和幅频分析
波特仪用于测量电路的频率-幅度和频率-相位特性曲线。可在1mHz到1THz之间研究电路的频率响应。在这个范围内,它可以绘制出在线性坐标或对数坐标中相应的幅频和相频曲线。数据可以用文件形式存储。
运行频域分析,必须在信号源的Analysis Setup页中设置交流小信号参数。波特仪的in端接电路输入端,out端接电路输出端,如图13所示。

波特仪的面板(图14)各项目的意义如下:

(1) Magnitude幅度增益,Phase相位移动。
(2) Save将数据保存到扩展名为.BOD(Bode Data)的纯文本文件中。Set是设置每个频率数量级内数据的点数。
(3) Vertical设置纵坐标,标度为“dB”或“°”。可将纵坐标设为对数Log或线性Lin。F栏是坐标的最大值,I是坐标的最小值。
(4) Horizontal设置横坐标,标度为“Hz”。
(5) 最下面为游标控制和读数。
在虚拟仪器的小窗口中只能粗略地显示波形。要对波形作进一步的研究必须借助波形图示窗口Analysis Graphs。执行菜单命令View/Show/Hide Grapher,在打开的波形窗口中将显示波特图(图15),也可打开一个已经存在的波特数据文件。和其他电路分析软件一样,Multi-sim也支持对波形图的各种修饰、更可用游标获取图线的详细数据,并将此数据导出到Excel电子表格中。

4. 频谱分析
频谱分析仪用以确定信号中各频率分量幅度和频率的关系。它能显示信号中各频率成分沿频率坐标分布的情况。我们用频谱仪来分析一个方波的频谱,只要按图16将信号输入到仪器的Input端即可。
波特仪的面板(图17)各项目的意义如下:
(1) Span Control为频率取值范围控制。Set Span项由使用者输入测量的起始和终了频率。 Zero Span为零跨度,只分析某一点频率。Full Span为全跨度,取仪器的内置频率范围,从0Hz到4GHz。
(2) Frequency 为分析的频率范围。按下Set Span按钮后,在 Start栏中输入起始频率,在End栏中输入终了频率,再按下Enter按钮。仪器自动计算出频率跨度Span和中心频率Center。按下Zero Span时只要输入中心频率数值。
(3) Amplitude为谐波幅度。dB基于20×log10(V),V为信号电压。dBm基于10×log10(V/0.775),0dBm相当于1mW的功率消耗。Lin是直接用谐波的电压表示。Ref.是参考电平,可选用合适的参考电平使图线恰当地显示在屏幕上。
(4) Resolution Frequency 为分辨频率。此值为各谐波频率之差。系统最初设此值为Δf=f-end/1024,可将其改为更大的值以便观察频谱。所以最后显示的各谐波的频率是分辨频率的整数倍。当该区域下方显示的数字和分辨频率相同时,说明分析已完成。
5. 网络分析
网络分析仪是一种复杂的大型微波测量设备。网络分析仪能对有源元件和无源元件如放大器、混频器、双工器、滤波器、耦合器和衰减器的特征进行测量,这些元件在通信和微波设备中被大量使用。网络分析是通过测量元件对频率扫描和功率扫描测试信号的幅度与相位的影响,来精确表征元件特性的一种方法。
矢量网络分析仪是网络分析仪中功能最强大的一类。它能在5Hz到100GHz的频率范围内测量显示电气网络的整体幅度和相位特性。这些特性包括S参数、幅度和相位、驻波比、插入损耗或增益、衰减、群延迟、回波损耗、反射系数和增益压缩等。
Multisim提供的正是这样一个功能超强的矢量网络分析仪。图18显示的是某放大器的Smith图。
关于网络分析仪和微波测量技术请参阅相关专业材料,本文从略。
三、Multisim数字电路分析
Multisim的数字电路仿真功能在各电路仿真软件中可能是最强的。特别是它的虚拟逻辑分析仪有相当强的实用性。由于数字电路分析仪器的价格非常昂贵,大多数电子爱好者未能接触,缺乏感性认识。把Multisim的3个数字虚拟仪器——字发生器、逻辑分析仪和逻辑转换器组合应用,不但能帮助我们学习数字电路原理,了解相关专业仪器的操作,也能用于开发小规模的数字电路产品。但字发生器和逻辑转换器并没有对应的实际仪器。
1. 字发生器
字发生器是驱动电路的数字激励源编辑器。它能产生32位并行数字信号;可在指定的地址码以ASCII码、二进制或十六进制编辑数据;支持断点设备;有单步、脉冲串和连续等运行方式。为了同步传输数据,可采用内部或外部的触发时钟,可向外电路输出数据准备就绪脉冲信号。字发生器的图标上有32个数据输出端。图标下部两个接线端的作用是:R端向外电路提供数据就绪脉冲信号;T是外触发时钟输入端。
字发生器面板上有6个区域(图19)。
(1) 数据显示区在面板的左方,显示用户设定的16进制输出数。在面板的最下方是二进制当前输出数。数据的范围从00000000到FFFFFFFF(以十进制表示为0到4 294 967 265)。
(2) Address区对数据地址进行操作,创建一个输出字符的子集。Edit栏是在数据显示区被选中数据的地址;Current栏是当前输出数据的地址;Initial栏设定输出字符子集的第一个数据地址;Final栏设定输出的最后一个数据的地址,最大值为1FFF。
在图19中,当前编辑地址是0005,当前输出地址是0008,起始地址是0002(不一定要从0000开始。虽然在数据显示区仍然有0000和0001两个地址的数据,但并不向外输出),终了地址是000D。
(3) Controls区设置数据格式和控制数据输出。输出数据的地址由Initial和Final栏中的数据定义。Cycle为自动循环输出数据;Burst输出起点到终点的数据一次;Step是人工控制单步输出数据;Breakpoint在当前编辑地址设置断点;Pat-tern设置数据的模式,点击后打开对话框,见图20。
Clear Buffer清除显示区中已有数据;Open打开数据模式文件,Save将显示区内容保存为数据模式文件。UP Counter和Down Counter设置为递增或递减的连续数;Shift Right和Shift Left设置为右移位数或左移位数。选中Set Initial Pattern,在打开的对话框中设置第一个数据的值。
(4) Trigger区设置信号的触发方式。Internal使用字符发生器内部的时钟;Ex-ternal使用外部的时钟。选中External时,应在字符发生器图标的T端连有时钟信号线。同时可以选择按时钟的上升沿或下降沿触发。
(5) Frequency区设置字符发生器的内部时钟频率。
(6) Edit区编辑被选中地址的数据。在各栏中直接输入相应字符:Hex为十六进制、ASCII为ASCII字符、Binary为二进制字符。在一个栏中输入字符时其他的两个栏中的字符会自动变化。
(甘雨)