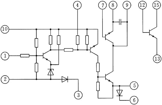
夏普彩电开关电源多选用厚膜集成电路STK7359。它工作时功耗大、电压较高,是易损坏的器件之一。当它出现故障又一时不易购到,可采用应急修理方法使之恢复正常。STK7359内电路图见附图。

STK7359内部最易损坏的是大功率开关管。若检查确认是它损坏,可剪掉它的,用一只2SC1942等类型的高反压大功率管(BVCEO=700V、PCM=50W、ICM=5A)来替代损坏的功率管,b、e、c极分别焊到印制电路板上原来的脚的焊盘上,再装好散热片,注意管壳要与散热片用云母片绝缘。
如果进行上述处理后,通电试机时功率管又立即被击穿,连2A电源保险丝也同时被熔断。其原因是厚膜块内部过压保护三极管开路。它的e、b、c极分别由⑧、⑦、⑨脚引出(见附图)。经过检测三个引脚的阻值即可判断该管损坏。再剪断STK7359的⑦、⑧、⑨脚,用一只3DG12B型中功率管,其b、e、c分别焊到印制板上的原⑦、⑧、⑨脚的焊点上,再在⑧、⑨脚之间焊上一只100pF/400V的瓷片电容。这样这只电源厚膜集成块就应急修复了。STK7359内部其它元件损坏,只要该元件与内部连接关系相对独立,又有相应的引出脚,也可采用外接元件法予以修复。与STK7359类似的STK7358、IX06689CE,也可这样应急修复。
(倪服务)