一台凯歌牌4B23型数字式调幅、调频立体声收音、自动循环放音高级汽车音响,收音功能正常。用磁带放音时,刚开始一切正常,放音一段时间后,声音会突然消失,随即出现很强的交流声。如这时关机后再开机,机器可以恢复正常,但放音一段时间后,故障会重又出现。
1. 检修思路
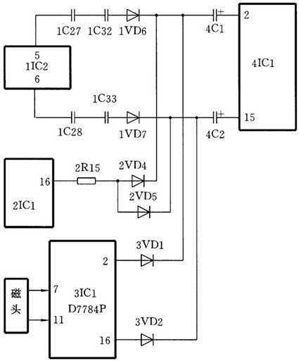
凯歌牌4B23型数字式汽车音响电路结构较复杂,与本例检修有关电路见附图所示。主要由14块集成电路为主构成。从附图中可看出,FM波段收音信号从1IC2集成电路的⑤、⑥脚输出,经1C27与1C32和1C28、1C33电容及1VD6、1VD7隔离二极管,加至4C1、4C2耦合电容的负极端。AM波段收音信号从2IC1(μPC1215V)集成电路的输出,经2R15电阻、2VD4、2VD5隔离二极管,也加至4C1、4C2耦合电容的负极端。

放音电路的信号从3IC1(D7784P)集成电路的②、输出,经3VD1、3VD2隔离二极管同样也加到4C1、4C2耦合电容的负极端。
由上分析可看出,4C1、4C2耦合电容及其之后的直流音调、音量控制电路、功率放大电路、扬声器电路是收音和放音的共用部分。由于收音功能正常,说明这部分收音和放音的共用电路是正常的。放音异常,说明问题仅出在与放音有关的电路。检修时,应重点检查从磁头与3VD1和3VD2隔离二极管之间的电路。
2. 检修方法
(1) 判断故障的大概部位
用手握螺丝刀金属部位,将其头部去碰触4C1、4C2耦合电容的正极端(在放音状态,机器无声时),扬声器内有较响的“喀喀”声传出,说明故障确与4C1、4C2耦合电容之后的信号通路无关,问题仅出在与放音电路有关的电路。
(2) 检查放音电路
① 在检查放音前置放大集成电路3IC1(D7784P)时,发现该机磁头与前置均衡放大集成电路D7784P间无隔直电容。查找有关资料,才知D7784P是仿日本东芝公司生产的集成电路TA7784P,该集成块内的左、右声道磁头放大器采用了特殊的偏置电路,省掉了传统的隔直流电容器。
② 经过对D7784P集成电路进行检查,发现其信号输入端⑦、内电路中的部分元件可能存在软损坏。
(3) 故障处理
由于一时无该型号的集成电路可换,加之该IC只是局部损坏,故试采用在磁头与前置放大器间(D7784P的⑦、)分别串入一只10μF/16V的电解电容器(电容器的正极接⑦、),改原直接耦合方式为交流耦合方式,通电试机,故障排除。
小结:
由于D7784P集成电路信号输入端⑦、内电路局部存在软损坏,致使其工作点不稳定,开机工作一段时间后形成阻塞,以致出现了上述现象。
该机经采用上述方法修复后,经过长时间的实际使用,再未出现过上述故障,证明这种修理方法行之有效,且可使机器长期使用下去。本例的这种修理方法,对于其它机型的同类故障也同样适用。
(孙余凯 吴鸣山)