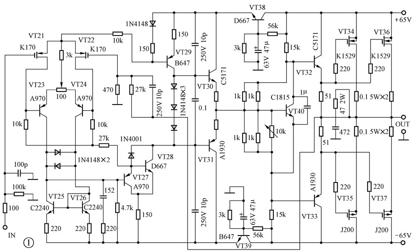
“魔笛2号”是一款高性价比Hi-Fi功放,采用末级恒压供电无大环路负反馈形式及控制恒流并联稳压电路,低频丰满有力,中频聚焦准确,高频细致明亮,声场的开阔感与纵深感非常好,全机采用直耦方式,其电路见图1。

输入级
由场效应管VT21、VT22组成低噪声输入电路,具有较好的线性及较低的噪声特性。VT23、VT24组成典型差动放大电路,VT25、VT26组成镜像电流源负载,使得输入级的对称性、稳定性均很高,对共模输入干扰具有很强的抑制力。100Ω电位器为输入级的平衡电位器。
电压放大级
VT27、VT28及VT29组成电压放大器,它既是输入级的负载,其电流又受VT23、VT24控制,对提高电路的共模抑制比、展宽频响很有益处, 其后是互补射极跟随器(VT30、VT31),具有一定的功率输出。
推动及输出级
VT32、VT33组成推动级电路,VT40为其偏置,偏置电压设计得较大,使推动级的工作电流为40mA。VT34~VT37为功率场效应管并联而成的全互补推挽输出级,输出功率很大,达180W×2。本机的反馈点从推动级上取出,属于无大环路反馈形式(末级无负反馈), 具有动态范围大、转换速率高、解析力强等优点,整机增益约35dB。
VT38、VT39组成电子滤波及降压电路,用于向输入级及电压放大级提供稳定纯净的工作电压。
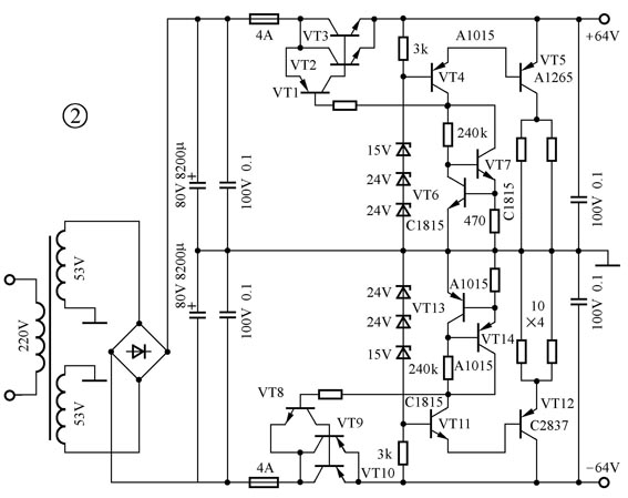
电源电路
图2为本机的电源电路为“控制恒流并联稳压电源”,它对功放性能提高所作的贡献是非常大的。传统的整流滤波电源是低频、低速、低稳定度、低纯净度的电源。在应付大动态时不可避免地因内阻过大而造成输出电压下降,对于大多数功放来说最大可下降5~8V以上。即使有充足的变压器及滤波电容容量,也只能减少这种下降幅度及速率而不能从根本上解决问题。这就使功放的电流输出能力受到限制,控制力下降,低频单薄且混浊。“控制恒流并联稳压电源”处于整流滤波之后但在负载之前,将因电压变化对功放管线性造成的影响消除,并以极低的输出阻抗保证数十安的恒压电流输出。

图2中VT2、VT3 (VT9、VT10)为大功率调整管,它为负载提供输出电流,VT4、VT5(VT11、VT12)与稳压管组成内阻极低的传统并联稳压电源,VT5(VT12)的静态由VT4(VT11)控制。由于VT1(VT8)的基极电流与VT4(VT11)的集电极电流共同流经由VT6、VT7(VT13、VT14)组成的恒流源,就使得这两个电流之和为一常数。当负载电流增大时,VT5(VT12)的电流也随之变小,使VT4(VT11)的集电极电流也变小,则VT1(VT8)的基极电流必定增大,使VT2、VT3(VT9、VT10)的电流增大,满足负载的大电流要求。反之亦然。电源的最大输出电流取决于VT6、VT7(VT13、VT14)的恒流值及VT1、VT2、VT3(VT8、VT9、VT10)的放大倍数,“魔笛2号”恒流值设计为1.27mA,VT1(VT8)的放大倍数为250,VT2、VT3(VT9、VT10)为90,最大输出电流为28A。调整管的静态压差为14V,在15A峰值电流输出时,最大电压下降仅0.2V,如不用此电源,则电压下降达6V之多。放大器对输入方波进行响应时传统电源与本电源输出电压变化对比见图3。
其它
“魔笛2号”的用料与制作工艺也十分精良,600W的巨型环形变压器端坐机内中央,滤波电容总容量达32800μF,机内两侧的散热器下设有14个通风孔,8mm厚的银白色面板上嵌有三块7mm铁灰色的衬板,在时下放眼皆为香槟色一统天下的功放中,显得独树一帜。该机线路板为双层设计,布局严谨有序,工艺精良。所用的元器件也多为高级品,如镀金输入输出插座、拉索选择开关、ALPS电位器。所用的晶体管也为世界一流的音响名管,如K170超线性超低噪声场效应管,A970/C2240、B647/D667、A1930/C5171双极型对管、K1529/J200大功率场效应管等。
音质表现
“魔笛2号”在推一些低灵敏度音箱时,表现得从容不迫,低频纯净丰满,下潜很深,气势非常宏大。中频的聚焦准确明亮,而高频则带有一种透明的光泽。
主要技术指标
输出功率:180W×2
失真:0.2%
信噪比:90dB
频响:0~20kHz(0.1dB)
(周兴华)