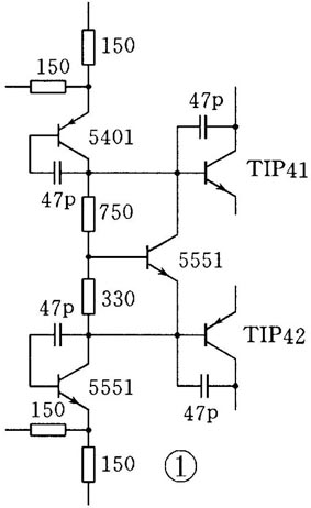
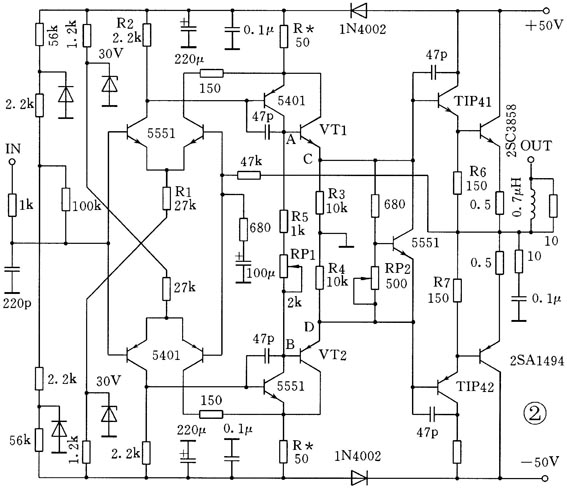
雄鹰功率放大器价格低廉,用料较扎实,无论它用在纯功放还是用在AV功放,电路几乎一脉相承,均为全互补对称推挽电路。由于这种电路具有性能稳定、动态较大等优点,亦被其他一些品牌如东鹏757型、雅顿、湖山等放大器所采用,故对它的改进很有价值。笔者的AV放大器型号为FD-555,经过一段时间的使用,发现其音色较为通透,低频的控制力也不错,但在听《蔡琴老歌》时,还是感到人声较薄,底气不足。经过分析,决定从电压放大级(见图1)入手,修改后的电路如图2所示,想法与著名的NAD3020I相似,即在电压放大级的后面增加了VT1~VT2作射极输出,分别与5551、5401组成复合放大,以提高本级的电流输出能力,这比在输出级用三级达林顿要稳定合理,可谓一举两得,既增加了电路的线性又增添了一缓冲级。VT1、VT2选用中功率音响对管(这里采用的是2SD667、2SA647),需严格配对(在3% 以内),为使本级具有较好的线性,加入电阻R3、R4,阻值可在7~10k之间。由于新增元件较少,不必单独制作线路板,可在原线路上直接修改。在调整时,应先将AC、BD短接,把RP2调得较大,同时测量推动级R6、R7两端电压,使之接近于0V,以保证功放管的安全。然后调整后级工作点(应边计算边测量),由图2可知,输入级射极电阻R1的电流:I1≈(30-0.6)/(27×10\(^{3}\))=1.1mA,则流过负载R2的电流I2=I1/2=0.55 mA,R2两端的电压为:0.55 mA×2.2k =1.21V, R*两端的电压为1.21V-0.6V=0.6V左右,即流过R*的电流0.6V/50Ω=12mA。随后将RP1调到最小,断开AC、BD的连线,测量R5的电压,同时调整RP1,使V\(_{R5}\)=4V,则I\(_{R5}\)=4V/1k=4mA ,即VT1的电流为8mA,回头再测量R*的电压应在0.6V左右基本不变,然后将表笔接到2SC3858、2SA1494的射极电阻(0.5Ω)两端,逐渐调小RP2,使电阻的压降为50mV(也可再大些,但散热措施要到位)。最后测量输出端的漂移电压应小于20mV(否则要检查后级管子配对情况),即可接上10Ω假负载通电观察半小时,经测量正常即可投入使用。实验表明改进是成功的,放大器中频加厚,人声凸现,细节明显,极有助于演绎音乐的精髓,低频的控制力和力度亦有所增强。


(吴越屏)