也许有的朋友用普通的立体声音箱欣赏电影和动态较大的交响乐时会觉得缺少那种身临其境的感觉,这是因为普通的立体声音箱的频率下限通常都在100Hz以上,所以,用它重放电影或者动态较大的交响乐时,是听不到那震撼人心的超重低音效果的。在本期,笔者介绍一款超重低音音箱,供读者参考。
扬声器选择
超重低音音箱一般都工作在大功率、大动态下,在这种情况下,扬声器的音盆振膜会进行大幅度的往返运动,若扬声器性能不佳的话,很容易产生杂音甚至损坏。因此,低音扬声器尽量选用名厂的产品,在该款超重低音音箱中,笔者选用的是惠威公司生产的10英寸低音扬声器,型号是D10。该款低音扬声器的振膜材料采用矿物混合类高强度、高阻尼材料,这种材料的振膜硬度较大,不会在运动时产生多余的振动,使重放出来的声音准确、干净。音圈采用ASV铝骨架材料,机械强度高,承受功率大,很适合在大动态条件下工作。另外,该款扬声器采用了大口径100mm音圈与大型钕铁硼磁路系统相配合,在钕铁硼磁路系统中有一个金属导磁板,该金属导磁板不但可以将钕铁硼磁路封闭,使磁路具有防磁效果,还可以在磁隙当中形成稳定的具有对称漏磁场的对称驱动磁场,使长冲程音圈获得对称驱动力,减少音圈电感和音圈运动中产生的反电动势之间相互调制,确保重放声音的准确性。D10扬声器参数如附表所示。

箱体制作
超重低音音箱通常都在大动态环境中工作,在这种情况下,音箱的箱体一定要坚实,在受到剧烈振动时也不能有丝毫的变形。这款超重低音音箱的箱体材料采用了厚度为20mm的松木板,其高、宽、深分别为420mm×300mm×350mm(有效容积约28L)。为了将低频信号充分地释放出来,笔者在音箱的前面加了两个小口径倒相管,并将该款音箱的内部设计成迷宫倒相式。前面板尺寸如图1所示。倒相管长度以及音箱内部结构如图2所示。将箱体用铁角板固定后(详细方法见本刊7期文章),再往音箱内部倒入2kg熔化的沥青,把各板交接处灌实,如果沥青与木板不易粘连,则可以事先在需要灌沥青的地方错落地钉一些小铁钉即可。需要说明的是,有的朋友是用纯沥青进行浇灌,据笔者试验,这样的效果不是太好,应该用沥青与锯末以及细砂子的混合物来灌注,它们的比例为沥青∶锯末∶细砂子=4∶1∶1。待沥青凝固后,即可在音箱内部后壁以及左右面贴上一些吸音海绵,然后就可以安装扬声器以及进行外观装饰工作了。


低音滤波器的设计
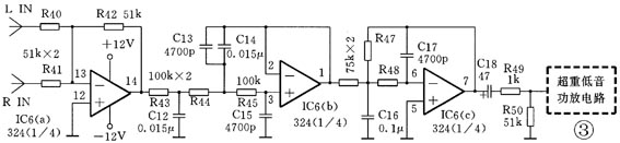
在普通的功放机中,都没有超重低音信号输出接口。因此,若要加装超重低音音箱,还需要自己制作超重低音滤波器,该滤波器的作用是,滤除音频信号中的高于150Hz的信号,将150Hz以下的低频信号送到超重低音功放机进行放大,推动超重低音音箱。超重低音滤波器可以采用运算放大器按照图3的电路来制作。如果有条件的话,也可以采用达华电子厂生产的专用超重低音模块TWH32,该模块可以对40~120Hz的低频信号提升14dB。TWH32应用电路如图4所示。在图4电路中,RP1、RP2为超重低音增益调节电阻,阻值越小,增益越大。


需要注意的是,在图3、图4电路中,音频信号应该从功放机或者音源的音频信号输出端引入,而不能直接从普通立体声音箱接线端引入,否则,将有较大的噪声。如果对超重低音要求较高的话,也可以将图3、图4电路换成三菱数码式超重低音芯片M51134,由于该制作过程比较复杂,限于篇幅在此不再多说,有兴趣的读者可以参考本刊以前的介绍。
至于超重低音功放,只要功率大于80W即可,可以用成品功放机,也可以用TDA7294自己组装。
音箱的放置
虽然超重低音信号对方向性的要求不是多么严格,摆放位置比立体声音箱随意得多。不过,需要注意的是若超重低音音箱与两只立体声音箱的摆放位置处理不好时,可能导致声场比较混乱,失去应有的方向感,此时的解决方法就是慢慢挪动超重低音音箱的位置来进行调整。如果不想靠移动超重低音音箱的位置来进行调整时,可以在超重低音功放与超重低音滤波器之间加一个如图5所示的移相电路,通过调整可变电阻RP1的阻值来进行位置校正。
(科林)