目前,很多家庭都有电子琴和电脑,但是怎样把它们连接在一起,从而进行资源共享呢?比较简单的方法就是用一根MIDI连线把MIDI键盘、音源和声卡的游戏/MIDI端口连起来,不过这根MIDI连线,原装的要250元,笔者自制一条仅为市价的1/10,介绍如下。
图1中,三极管VT1、VT2组成简单的缓冲电路,可以明显地提高兼容性和抗干扰能力;R1(1kΩ~20kΩ)为缓冲电阻,其取值不能太小,否则声卡MIDI端口容易损坏,C1(100pF~220pF)作为旁路电容可以消除干扰,使输出的MIDI控制信号更加纯净。

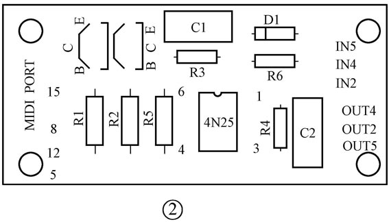
插座XS1、XS2为MIDI五芯插头(老式电脑键盘的插头,不是PS/2插头,有脚号),XP为D型15针(不是孔)电脑游戏接口专用插头,IC1为光电耦合器4N25,其余元器件参数见图1。图2为印刷电路板。

使用方法:
往电子琴上接的时候,MIDI IN插头接电子琴MIDI OUT插座,MIDI OUT插头接电子琴MIDI IN插座(不能接反)。然后,再打开一个MIDI编辑器软件,在MIDI输入设备中选择“MPU401输入”。再打开电子琴弹奏一曲听听,是不是声音已经传送到了电脑音箱中了?
附:MIDI设备接口以及声卡游戏/MIDI接口各引脚功能
MIDI OUT接口:①②③脚接地,④脚接+5V,⑤脚接声卡插座;
MIDI IN接口:①②③脚接地,④脚接+5V,⑤脚接声卡插座;
D型15针插座:①⑧⑨脚+5V,②脚B1 Button1,③脚X1 Joystick 1-X,④⑤脚GND地,⑥脚Y1 Joystick 1-Y,⑦脚B2 Button2,⑩脚B4 Button 4,X2 Joy-stick 2-X, MIDITXD MIDI 输出, Y2 Joystick2-Y, B3 Button3, MIDIRXD MIDI输入。
(赵理科)