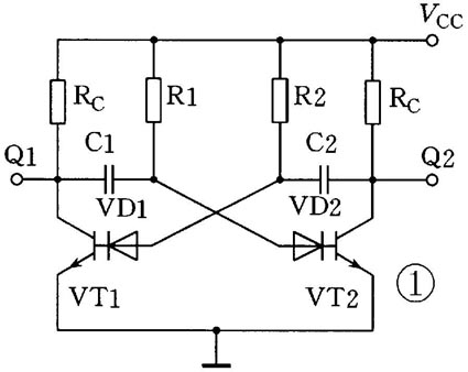
1. 由分立元件组成的多谐振荡器
图1用两个同型号的三极管构成。设VT1导通,C1经R1充电使C1两端的电压不断升高,即VT2的b极电位不断升高,最终VT2导通,VT1截止;这时,C2经R2充电,C2两端的电压不断升高,即VT1的b极电位不断升高,最终导致VT1导通,VT2截止,如此循环形成振荡,VT1、VT2轮流导通与截止,在Q1、Q2端输出矩形波。若电路对称(R1=R2,C1=C2),则Q端输出一定频率的方波,振荡周期T≈1.4R1C1。

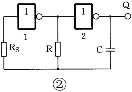
2. 由门电路组成的多谐振荡器
图2电路由两个非门组成。假设Q为低,则门2的输入为高,经R对C充电,C上电压上升到门1的翻转电平时门1输出变低,Q变高。Q点、C、R、门2输入点构成放电回路(所述电路放电过程也有包含反向充电的,均称为放电。即充、放电在此表示相对的概念),C上电压下降到门1的翻转电平时,门1再次翻转,Q为低,如此循环,形成振荡,在Q端输出方波。若门电路的翻转电压为电源电压的1/2,则T≈2.2RC。Rs用于稳定振荡频率,其值取(6~10)R。

图3是由三个非门构成的多谐振荡器,比二级门构成的振荡电路更易起振,工作更稳定,可获得很高的频率。

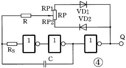
以上两款产生的均为方波,占空比D=1,要改变占空比,可使用二极管将充、放回路分开,见图4。滑动RP使占空比可调,充电回路(RP2+R)C;放电回路(RP1+R)C。

另外,若将上述三种电路的第一个门电路改为2输入的与非门或或非门,则另一输入端可作为开关信号,用于可控多谐振荡器。
用施密特触发器组成多谐振荡器比用一般的门电路组成的多谐振荡器更为简单,且频率范围很宽,受电源电压、温度变化影响小。施密特触发器的翻转电压(正向或反向)不一致,因此只需一个门便可构成多谐振荡器,见图5。T≈RCln[(V\(_{TH}\)+-V\(_{CC}\))/(V\(_{TH}\)--V\(_{CC}\))]V\(_{TH}\)-/V\(_{TH}\)+},其中V\(_{TH}\)+为正向触发翻转电压,V\(_{TH}\)-为反向触发翻转电压,由于充、放电回路相同,故占空比与V\(_{CC}\)、V\(_{TH}\)+、V\(_{TH}\)-有关,与RC无关。通过二极管分开充、放回路同样也可形成占空比可调的电路,还可做成可控振荡器。振荡周期按下式估算:T=1.4RC,然后根据要求对R、C进行调整。

3. 由555电路组成的多谐振荡器
图6的充电回路:V\(_{CC}\)、R\(_{A}\)、R\(_{B}\)、C、地;放电回路:C、R\(_{B}\)、IC⑦、地。T≈1.44(R\(_{A}\)+2R\(_{B}\))C,占空比D=R\(_{B}\)/(R\(_{A}\)+2R\(_{B}\))。④脚若不接在电源上,可用其控制振荡器的启停。该电路的充电回路与放电回路相互影响,同样若在充电回路与放电回路串入二极管、可变电阻,可构成频率与占空比可调的多谐振荡器。

4. 由触发器组成的多谐振荡器
图7为两个D触发器分别组成单稳态电路,串起来构成多谐振荡器。工作过程:当开关信号一到(低有效),或非门输出一上跳脉冲,触发第一个单稳电路进入暂稳态,Q1__为高电平,它经R1对C1充电使触发器的复位端R有效,Q1输出一上跳脉冲,触发第二个单稳电路,Q2为高电平,它经R2对C2充电使触发器的复位端R有效,Q2输出一下跳脉冲,经或非门变为上跳脉冲,再次触发第一个单稳态,如此周而复始,形成振荡。Q1、Q2均可输出矩形波,二极管VD1、VD2分别提供C1、C2快速放电回路。占空比分别由R1C1、R2C2调节。

该电路也可改成:D端接地,S、R互换,Q、Q_互换,原理相对应。
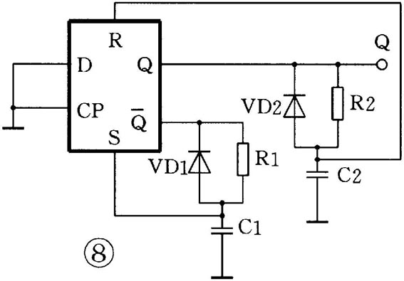
另外,也可只用一个触发器构成,见图8。触发器的复位R与置位S端通过RC充电回路轮流有效,使Q输出矩形波。

以上电路的D触发器也可用JK触发器代替。
专用集成单稳态电路(如4098,14528等)也可以构成多谐振荡器。如图9所示。它们的振荡周期:T≈0.5(R1C1+R2C2)。
5. 由集成运放组成的多谐振荡器
见图10,选用双电源的运放,Dz起限幅之用。输出方波(“1”为+Dz,“0”为-Dz),振荡器的周期T≈R\(_{F}\)Cln[(R1+2R2)/R1]。
从以上可以看到:多谐振荡器由两部分构成,一部分我们称之为开关模块,输入不同,使输出为“0”或为“1”,输出由0跳1或由1跳0对应的输入电压值,称为翻转电压。另一部分为RC充放电回路,其循环往复的充放电过程使开关电路模块的输入电压在翻转电压值上下振荡,从而输出一定频率的矩形波。充电(放电)时间根据如下公式计算:T1(T2)=RCln9邀[Vc(∞)-Vc(0+)]/[Vc(∞)-Vc(t)]9妖,式中Vc(∞):稳态值,一般为电源电压值或0;Vc(t):充放电所需达到的值,即翻转电压值;Vc(0+):初值,充电过程其值为放电结束时的Vc(t),放电过程其值为充电结束时的Vc(t)),其和T=T1+T2为矩形波的振荡周期,前面所给出的各电路振荡周期都是以此估算得到。由此我们看到:充放电回路相同(R、C相等),且Vc(∞)、Vc(0+)、Vc(t)对应相等,则得到方波,要使占空比可调且相互不影响,一般可用二极管将充放电回路分开,再串入可变电阻。电路形式固定以后,多谐振荡器的周期由R、C决定(即充放电时间)。R、C取值的原则一般为C尽量取小,R尽量取大,但频率的上限还取决于开关模块的工作(翻转)速度。要使工作频率稳定,可在上述电路中加入晶振。
(李春玲)