在这次无线电小组的活动中,同学们组装了BTL功率放大电路(图1),制作和调试完成后,老师给大家讲了集成功率放大器的工作原理和BTL电路的分析方法。

同学:今天活动一开始,您给我们介绍BTL电路,说它是在OTL电路和O-CL电路的基础上发展起来的新型功率放大电路,可是从电路图上看到的是在两个功放集成电路D4100的输出端直接接上了扬声器,还是弄不明白BTL电路的工作原理,请您再讲讲。
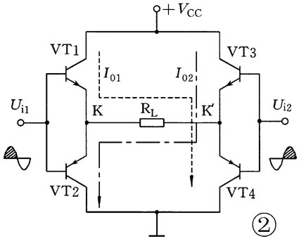
老师:BTL功率放大电路的结构比较复杂,所以一般都是以集成电路作为主体组合而成,很少采用分立元件电路。它的工作原理还是很简单的。我先画出它的原理电路(图2),大家可以看到,它是由两个OTL(或OCL)电路组合起来的,在两个OTL电路的输出端之间接上了负载R\(_{L}\),两组互补推挽放大管的基极连在一起,作为两个交流信号的输入端,分别输入大小相等、相位相反的交流信号。由于这种电路具有良好的平衡和对称性,中点K、K\(^{‘}\)的电位始终保持恒定,在静态时负载R\(_{L}\)上是没有电流流过的。根据这个电路,请同学们自己分析一下,当两个输入端分别输入大小相等、相位相反的交流信号U\(_{i1}\)和U\(_{i2}\)时,电路是怎么工作的。

同学:在交流信号的前半周,U\(_{i1}\)为正、U\(_{i2}\)为负,这时VT1、VT4处于正向偏置而导通,VT2、VT3处于反向偏置而截止,信号电流I\(_{0}\)1经过VT1、RL、VT4构成回路,用虚线表示;在交流信号的后半周,U\(_{i1}\)为负、U\(_{i2}\)为正,VT2、VT3导通,VT1、VT4截止。信号电流I02经过VT3、R\(_{L}\)、VT2构成回路,用点划线表示,它正好与I\(_{0}\)1方向相反。这样,在R\(_{L}\)上就获得了完整的正负两个半周的交流信号。
老师:很好。大家可以看到,BTL电路的特点是需要两个大小相等、相位相反的信号进行激励。
同学:从BTL电路的原理图上看,它好像一个电桥电路,四个晶体管组成电桥的四个桥臂,电桥的两个对角线分别跨接着直流电源V\(_{CC}\)和负载R\(_{L}\)(图3)。在没有交流信号输入时,电桥处于平衡状态,所以R\(_{L}\)上没有电流。这样分析不知道对不对?

老师:非常正确,所以BTL电路又叫桥接推挽功率放大电路。
同学:功放集成电路D4100是不是就是一个OTL或OCL电路呢?
老师:对。D4100是一种小功率OTL音频功率放大集成电路,最大输出2.25W。其实D4100的内部与集成运放很相似,也是由输入级、中间级和输出级组成(图4)。为了抑制零点漂移,输入级采用了单端输入、单端输出的差动放大电路。D4100的同相端输入音频信号,反相端引入深度交流负反馈,所以它的闭环电压放大倍数A f主要由反馈网络决定。

同学:您这么一讲就明白了。用两个D4100集成功放正好组成一个桥接推挽电路。两个D4100的输出级晶体管构成四个桥臂,电源V\(_{CC}\)和扬声器BL分别作为电桥的两条对角线。BTL电路所需要的两个大小相等、相位相反的音频信号是由分立元件VT组成的激励级提供。
老师:需要说明,VT组成的单管放大电路没有电压放大作用,只是从它的集电极和发射极分别向BTL电路提供大小相等、相位相反的音频信号,以所称它为分负载放大电路,也叫负载倒相放大电路。请同学分析一下它的工作原理。
同学:分负载放大电路中,采用分压式偏置供给VT管静态工作电流,从集电极和发射极输出的音频信号大小,分别为IcRc和IeRe,由于Ic≈Ie,Rc=Re,所以两路信号大小相等而极性相反,它们分别通过电容耦合到BTL电路的两个同相输入端。
老师:分析得很好。D4100集成功放在应用时都要引入深度交流负反馈,负反馈电阻R11已经集成在芯片上,只需外接R1和C1,就形成了电压串联负反馈。有谁知道它的闭环电压放大倍数有多大?
同学:根据同相输入负反馈放大器计算电压放大倍数的公式,即A\(_{f}\)=1+(R11/R1)=1+(20kΩ/680Ω)≈30(倍)。
老师:C1除了隔直外,尚对放大电路的低频特性影响很大,一般应大于1/(2πf\(_{L}\)R1),低端频率取f\(_{L}\)=16Hz,算得C1均大于15μF,电路中选22μF的电解电容器。
同学:D4100作为互补推挽输出的OTL电路,是否也要接入自举电容呢?
老师:是的。D4100①脚之间的47μF就形成了自举电路。
同学:您再给我们说说电路中其他几个电容的作用吧。
老师:D4100⑩、上的是退耦电容;之间的电容用来防止寄生振荡;⑤、①脚和⑤、④脚之间的电容都是用来消除自激振荡的。
同学:BTL电路与OTL、OCL电路相比较,优点是什么呢?
老师:BTL电路的突出优点是在电源电压和负载都相同的情况下,它的输出功率相当于OTL电路或OCL电路的四倍,这就说BTL电路可以用较低的电源电压获得足够大的输出功率。
同学:BTL电路的输出功率呢?
老师:可由下式计算:
P\(_{O}\)≈V\(_{CC}\)\(^{2}\)/(2R\(_{L}\))
(宋东生)