[1] 光电器件是指能将光信号转换为电信号的电子元器件,包括光电二极管、光电三极管、光电耦合器等。光电二极管有一个PN结,光电三极管有两个PN结,图1所示为金属壳封装、透明塑封、树脂封装光电二、三极管外形。

[2] 光电二极管的代号为“VD”、图形符号见图2。靠近管键或色点长脚是正极,短脚是负极。

[3] 光电二极管的最高工作电压URM是指在无光照、反向电流不超过规定值(常为0.1μA)的前提下允许加的最高反向电压,光电流IL是指在受到光照时加有反向电压时所流过的电流,如图3所示。光电灵敏度Sn是指光电二极管的光电流IL与入射光功率之比,Sn越高越好。

[4] 光电二极管通常工作在反向电压状态,如图4所示。无光照时,VD截止,反向电流I=0,负载电阻RL上的电压UO=0。有光照时,VD的反向电流I明显增大并随光照强度的变化而变化,这时UO也随光照强度的变化而变化,从而实现了光电转换。

[5] 光电三极管的代号为“VT”、图符如图5所示,有NPN、PNP型光电三极管两类。其基极即为光窗口,因此它只有发射极e和集电极c两个管脚,靠近管键或色点的是发射极e(长脚),另一脚是集电极c(短脚);少数光电三极管基极b有引脚,用作温度补偿。

[6] 光电三极管可以等效为光电二极管和普通三极管的组合元件,如图6所示。光电三极管基极与集电极间的PN结相当于一个光电二极管,在光照下产生的光电流IL又从基极进入三极管放大,因此光电三极管输出的光电流可达光电二极管的β倍。光电二极管和光电三极管各有特点,要求线性好、工作频率高的场合应选用光电二极管;要求灵敏度高时,应选用光电三极管。

[7] 光电二极管和光电三极管可用万用表检测:万用表置“R×1k”挡,红表笔(表内电池负极)接光电二极管正极或光电三极管发射极e(NPN型,下同),黑表笔接光电二极管负极或光电三极管集电极c。用一遮光物遮住透明窗口,如图7所示,这时表针应指无穷大。

[8] 移去遮光物,使透明窗口朝向光源(自然光、白炽灯或手电筒等),这时表针应转至几kΩ处,如图8所示。表针偏转越大灵敏度越高。

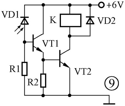
[9] 图9为光控开关电路。无光照时,光电二极管VD1截止。有光照时,VD1导通,VT1、VT2导通,继电器K吸合接通被控电路。

[10] 图10为光信号放大电路,光信号由VD接收,经VT放大后经C输出。

[11] 红外光到可见光的转换,如图11所示。红外光VD1接收,VT1、VT2放大并驱动发光二极管VD2发出可见光。
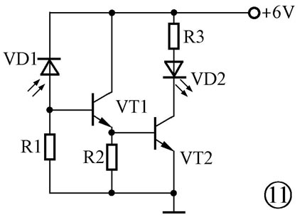
[12] 图12所示VT1为光控开关电路,它比使用光电二极管的同类电路简化了许多。
[13] 光电耦合器是以光为媒介传输电信号的器件,还可实现输入输出间的电隔离。常见的封装形式见图13。
[14] 光电耦合器种类较多,如图14所示。有:光电二极管型、光电三极管型、光敏电阻型、光控晶闸管型、达林顿型、集成电路型等。
[15] 光电耦合器的主要参数有正向电压UF和输出电流IL等。如图15所示,UF是指光电耦合器输入端发光二极管正向导通所需要的最小电压(即管压降);IL是指光电耦合器输入端接入规定正向电压时,输出端光电器件通过的电流。
[16] 光电耦合器的封装形式,仅双列直插式就有4、6、8脚等,如图16所示。
[17] 检测光电耦合器输入部分:万用表置“R×1k”挡,分别测量输入部分发光二极管的正、反向电阻,正向电阻数百Ω(图17),反向电阻几十kΩ。由于其中的发光二极管的正向管压降较普通发光二极管低,在1.3V以下,所以可以用万用表“R×1k”挡直接测量。
[18] 检测光耦的传输性能:如图18所示,万用表置“R×100”挡输入端接入(+3V)时VT应导通,万用表指示阻值很小。断开(+3V)时,VT应截止,阻值为无穷大。
[19] 光电耦合器的作用是隔离传输。如图19所示,当输入端加上电压GB1时,I1使发光二极管发光;光电三极管受光照后就产生光电流I2,从而实现了电信号的传输。由于这个传输过程是通过“电→光→电”完成的,GB1与GB2之间并没有电的联系,所以实现了输入、输出之间的电隔离。
[20] 光电耦合器还可以用作隔离控制。图20所示为交流电钻控制电路。当按下SB时,光电耦合器产生输出电流,VS导通,电钻M转动。由于光电耦合器的隔离作用,只需控制3V低压直流电即可间接控制交流220V电源。
(莫恩)