单一差动输出1.9W、单端立体声输出85mW的音频功放LM4854
LM4854是国家半导体公司2002年5年推出的新器件,在5V供电、负载阻抗3.2Ω、THD+N=1%、接成BTL功放电路时,输出功率可达1.9W(典型值),单端立体声输出(32Ω负载)为85mW的音频功率放大器。主要特点是:导通及关断时间快,典型值为0.1ms,最大值为1.0ms;单端输出时无需耦合电容器;有消除开机“咔哒”声电路;有立体声耳机放大器电路;待用状态时功耗低(16μA~27μA);有关闭模式0.05μA(典型值);有过热关闭电路;工作电压2.4~5.5V;单位增益稳定;由外部电阻来设定放大器的增益;贴片式TSSOP封装。
该器件主要应用于PDA、笔记本电脑、蜂窝电话、便携式电子产品等。
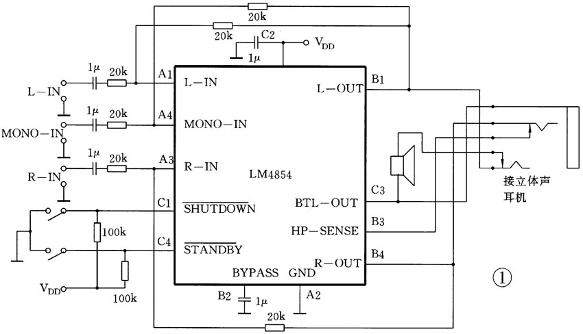
应用电路如图1所示。图中STANDBY_______端接地时为待用模式,SHUTDOWN________端接地时为关闭模式。MONO-IN为单音输入端,L-IN及R-IN为立体声输入端。无论连接扬声器或立体声耳机,都无需输出耦合电容器。本图放大器增益为1,输入阻抗为20kΩ。

查询网址:www.national.com/ds/LM/LM4854.pdf。
低噪声、输出稳压5.0V的电荷泵式DC/DC变换器LM2750
LM2750是国家半导体公司2002年4月推出的新器件,是一种低噪声、输出稳压5.0V升/降压式电荷泵DC/DC变换器。输入电压2.7V~5.6V,在输入电压为2.7V时输出电流大于40mA;输入电压大于2.9V时,输出电流可达120mA。该器件其它特点是:转换效率高,达85%,平均效率(2.9V~4.2V)为70%;输出噪声低、输出纹波电压低(工作频率1.7MHz);有关闭模式,此时耗电小于2μA;输出电压5.0V(1±4%);有软启动,可防止启动时冲击电流;有预调节,可使输入电流纹波减到最小;有输出电流限制及过热关闭保护;电路仅外接3个小陶瓷电容;10管脚LLP封装。
该器件主要应用领域有:白色LED的电源、蜂窝电话的SIM卡、音频放大器电源,适用一节锂离子电池转换成5V的变换器等。
应用电路如图2所示。输入、输出电容C\(_{IN}\)及C\(_{OUT}\)采用2.2μF陶瓷电容,泵电容CFLy为1μF陶瓷电容,采用贴片式多层陶瓷电容X7R时,温度稳定性优良,输出纹波电压低,电源尺寸也很小。SD__端为关闭控制端,低电平有效。若不用此功能时,SD__端可与V\(_{IN}\)连接。图中V\(_{IN}\)端接2.9V电压检测器输入端2,当VIN<2.9V时,电压检测器输出低电平,使LM2750关闭,VD亮,表示电池要充电了。

查询网址:www.national.com/ds/LM/LM2750.pdf。
具有SMBus接口、两通道精密数字温度计MAX6680
MAX6680是美信公司2002年4月推出的一种精密、两通道数字温度计(一个测本身管芯温度,另一个测远地温度)。
主要特点:工作温度-55℃~+125℃;在60℃~100℃,遥测温度精度可达±1℃;可设定两个报警温度,由ALERT_____、OVERT_____端输出(一般ALERT_____信号送μP的中断,OVERT_____信号用于关闭系统);遥测温度转换成11bit,分辨率为0.125℃;遥测温度传感器采用PN结温度传感器,可用NPN型2N3904或PNP型2N3906;该器件组成的温度计无需校正;SMBus/I\(^{2}\)C兼容接口;16管脚QSOP封装。主要应用于台式计算机(测CPU的工作温度来控制冷却风扇)、笔记本电脑及服务器、工作站等。
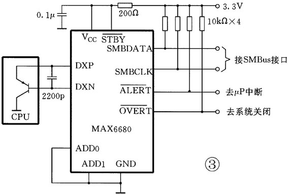
应用电路如图3所示。图中SMBDATA及SMBCLK为两线制串口(采用2个10kΩ上拉电阻)。ALERT_____及OVERT_____内部为开漏结构,外接10kΩ上拉电阻。图中的温度传感器是CPU内部的测温二极管。

查询网址:pdfserv.maxim-ic.com/arpdf/MAX6680-MAX6681.pdf。