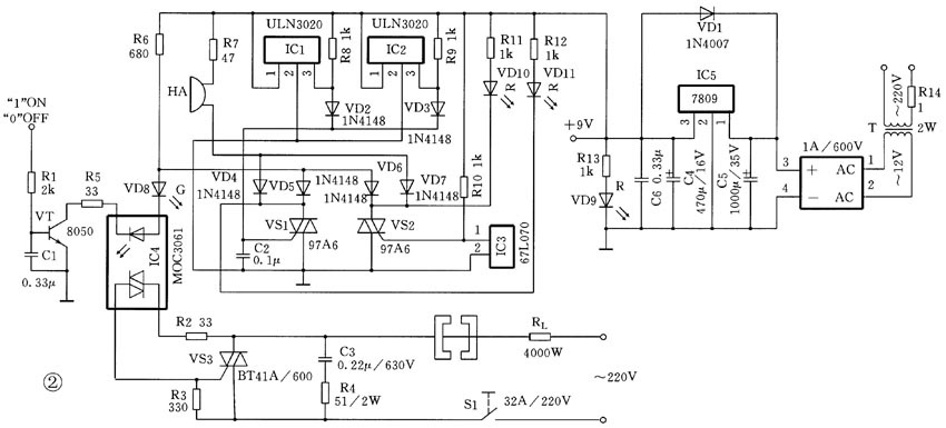
保护电路由两个U型磁体与两个三端型集成霍尔元件组成一个带有一定间隙的闭合磁路,作为电流的检测系统,通过负载及晶闸管电流的导线从磁路平面的中心穿过,在磁路中产生一个交变磁场,见图3。当通过晶闸管的电流小于额定值时,它在磁路中所产生的磁场强度较小,低于霍尔元件的动作磁场强度,保护电路不动作。一旦过流、磁场强度大增,超过霍尔元件的动作磁场强度,即被触发翻转,同时触发保护电路,关闭主电路中晶闸管的触发电路,并使晶闸管在过零瞬间关断。

电路中IC1和IC2为霍尔集成电路ULN3020,常态时③脚始终为低电平,VD2、VD3截止,晶闸管VS1关断,发光管VD11不发光,电源通过R6、VD8、IC4、R5、VT到地形成一个回路,如果三极管VT的基极为高电平时,它导通,从而使过零触发器IC4开通,触发双向晶闸管VS3导通,负载RL得电工作,其电流将在磁路中产生一个交变磁场,当磁场强度的峰值没有达到霍尔元件的开通磁场强度时,IC1和IC2状态不变。而一旦由于负载不正常,或其他原因导致电流异常增大时,IC1和IC2中有一只将处于短时高电平输出状态,从而通过VD2或VD3触发晶闸管VS1导通,VD5导通,VD8截止,使过零触发器IC4关断,VS3将在电源过零后关断,这就实现过电流保护作用。同时,VD11点亮,指示出过电流故障。VD4也导通,蜂鸣器HA得电工作,发出报警声。由于晶闸管VS1能够一直保持导通状态,所以该保护作用将一直持续下去,直到关闭控制电路的电源为止。
电路中的IC3为一只TO-220封装的67L070二脚温度传感开关元件,它的动作温度为70°C,常温下为常闭导通状态。它安装在VS3的散热器上,温度没有达到70°C,它保持常闭状态。而当晶闸管过负荷或其他缘故而使功耗大增时,其温度将会快速升高,一旦达70°C时,IC3将从常闭转为常开→VS2经R10触发导通→VD6导通,VD8截止→IC4截止→VS3截止,从而保护它不至因过热而损坏。与此同时,发光管VD10被点亮,指示出过热故障,VD7也导通,蜂鸣器HA报警,直到关闭控制电源为止。
使霍尔元件动作的电流大小可以通过改变两个U形磁芯间隔来调整,本例限制在40A,磁芯截面为5mm×4mm,两磁芯间隔约为2mm,实际保护电流的大小最好通过实测决定。霍尔元件安装时,对正磁芯截面,印字全部朝向一个方向,这样才能使两只霍尔元件分别正确检测交流电流的正负半周。
在主电路中S1为32A的空气开关,也对VS3起保护作用。
必须指出,曾经出现过晶闸管被烧短路的情况,这主要是保护电路动作之后,晶闸管只能在电源过零之后才能自然关断,而空气开关的分断速度也是有限的,所以应采用快熔等其他措施来对晶闸管进行最后的短路保护。
(赵文冲)

