自日本东芝公司推出智能机器狗“阿宝”系列以来,在广大的青少年中掀起了一股机器人热,各大科技馆成了众多游客热衷的观光之地,机器人玩具也成了热销的商品。为了使电子爱好者能对机器人有更深入的了解,提高动手动脑能力,本人在现有的成品玩具机器人的基础上加装了一套能够自动追寻光源的电子机械装置,供初学者实验和改装,有兴趣者不妨一试。
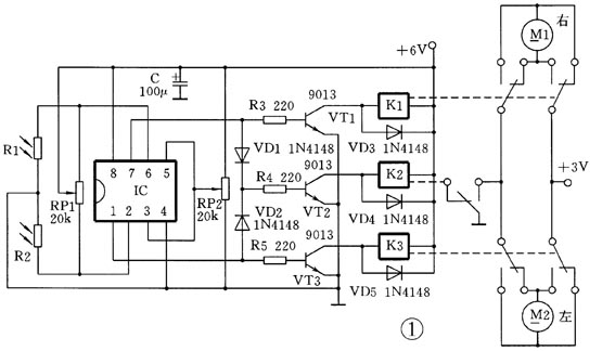
电路见图1,光敏电阻R1和R2是机器人的眼睛,用来决定机器人的运动方向,两只光敏电阻分别接到运算放大器IC的输入端作比较放大,经放大后的信号分别触发三极管VT1和VT3,驱动K1和K3两个继电器使行驶电机换向,三极管VT2和继电器K2起电机开关作用。当光线同时照射到光敏电阻R1和R2上时,两个运算放大器的反向输入端⑥、②脚的电压将下降到低于正向输入端⑤、③脚的电压,两运放的输出端⑦、①脚分别输出高电平,使三极管VT1、VT3导通,并驱动继电器K1、K3。由于VD1、VD2的存在促使VT2导通、继电器K2吸合,使两个动力电机M1、M2都正转,机器人向前运动。当光线只照射到R1上时,IC⑥脚电压降低,其⑦脚输出高电平,VT1、VT2导通,使K1、K2吸合,右电机M1正转、左电机M2反转使机器人向左转。同样,当光线只照射到R2上时,IC②脚的电压将降低,①脚输出高电平,VT2、VT3导通,K2、K3吸合,左电机M2正转、右电机M1反转,机器人便向右转。如果R1、R2都接收不到光线的照射,则IC⑦、①脚都为低电平,VT1~VT3都不导通,M1、M2断电,两电机都不转动,机器人静止不动。电路中RP1是用来调整R1、R2的平衡值的,而RP2可用来调整IC中两个运算放大器的增益。

元器件选择:R1、R2选用硫化镉光敏电阻,两只电阻的明暗阻值相同,如果使用带有聚光透镜的光敏电阻则效果更好。IC可选用NE5532、TL082等,但最好使用单电源型的TL092、BA728双运放。VT1~VT3选用NPN型的9013、8050等,二极管全部为1N4001、1N4148等;K1、K3为6V的4088型两组触点小型继电器,K2为4098型单触点小型继电器;RP1、RP2为20kΩ的小型碳膜可调电阻,R3~R5都是220Ω~470Ω1/16W的金属膜电阻,电容C选100μF/16V的小型铝电解电容。M1、M2采用随身听上的3V小电机,它比玩具上的131型电机性能更加可靠,耗电量也小。电源使用四节5号电池,动力电机的电源只用其一半,电路的调整也较简单,用手电筒光分别照射光敏电阻R1和R2,微调RP1、RP2即可。电机驱动的机械部分采用蜗轮和蜗杆传动,若采用平面齿轮传动其减速比应取大一些,使其速度放慢,运动更加平稳。
(陈建华)