最近我用玩具电机制作了一套线控电动窗帘装置,工艺简单,造价低廉,用来拉动一般轻质窗帘,效果很好。其工作原理及制作方法如下:
变速装置 玩具电机的特点是转速快、扭力小,而窗帘的移动速度相对较慢,所需拉力相对较大,为了解决这一矛盾,常采用齿轮变速机构,但工艺复杂、造价较高。本装置用电动机机轴直接拨动直径较大的变速轮盘实现变速,具体结构及尺寸见图1。变速轮盘用4mm厚的有机玻璃制作,为增大机轴与变速轮盘的摩擦力,机轴上可套上质量较好的气门芯管。变速盘中间的定滑轮(相对于变速轮盘)可用直径相同的钢筋棍加工,定滑轮中间插入固定轴,以便使变速轮盘固定在支架上,在电动机机身上套上橡皮筋,以使机轴紧靠在变速轮盘上,电动机通电转动后,机轴便拨动变速轮盘转动,从而实现了变速功能,由高转速小扭力变为低转速大扭力。机轴、变速轮盘、定滑轮的直径决定了变速比,变速比越大,窗帘移动速度越慢,扭力越大,窗帘若材质较轻,可取变比小一点,反之则取大一点。一般机轴与变速轮盘取1∶35,机轴与定滑轮取1∶2.5,窗帘两头用的滑轮可从商店购买,靠近变速装置的一头装两个,另一头装一个。窗帘拉线用1.5的尼龙线制作,穿绕方式见图1。为使绕线在变速滑轮上排线整齐,在滑轮上方的铁片上,钻上了两个2的绕线限位孔,使拉线从孔中穿过,根据情况绕线可在滑轮上绕4~6圈。

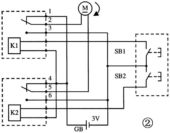
该窗帘装置的电路见图2。为使电路简单、造价低廉、控制可靠。这里采用有线遥控方案。利用控制盒的两个按钮分别控制两个继电器绕组的电源,使继电器的常开和常闭接点进行转换,从而控制电机的电源正负切换,实现电机的正反旋转。具体流程是:当按钮SB1按下时,继电器K1的绕组接通电源而动作,使接点2与1断开,与3接通,从而使电机左边接通电源“-”极、右边接电源“+”极而正转;当按下控制器SB2按钮时,继电器K2的绕组电源接通而动作,使接点5与4断开,与6接通,从而使电机左正右负而反转,从而实现了窗帘的拉开与关闭。

元器件的选材和制作如下:
电机:采用3V~6V的直流微型电机。
继电器:采用密封式3V~6V小型继电器。
电池盒:可采用市售的装两节5号电池的塑料电池盒。
电路板:采用单面敷铜电路板,可先将两个继电器和电池盒安排在电路板上,然后根据它们的引脚和引线在电路板上打孔,因电路较为简单,可采用刀刻法制作电路连线,最后将继电器和电池盒固定在电路板上,并将电机、电池和遥控器连线接至电路板上。
控制盒:用电话接线盒改制,两按钮可用废旧电话的按钮代替,根据按钮的大小在接线盒盖上开两个孔,分别控制两个继电器的电源,实现电机的正转与反转、窗帘的拉开与闭合。
控制线:可用带屏蔽层的两芯话筒线制作,控制线一头接电路板,另一头接控制盒放在方便操作的房间位置。
变速装置和电路板制作好以后,可将变速装置先固定在电路板的一头,再将它们固定在较大的200mm×300mm×20mm的木板上,该木板最后固定在窗帘盒的左下方或右下方,使变速装置的绕线滑轮与上方的窗帘传动滑轮基本垂直,根据此要求,上面所说的木板尺寸也可视实际情况进行修改。
使用时只要按下控制器上的按钮,就可方便地控制窗帘的开闭,当窗帘完全拉开或完全闭合时随即松开按钮,否则会加大电源消耗和机械磨损。
(刘桂福)