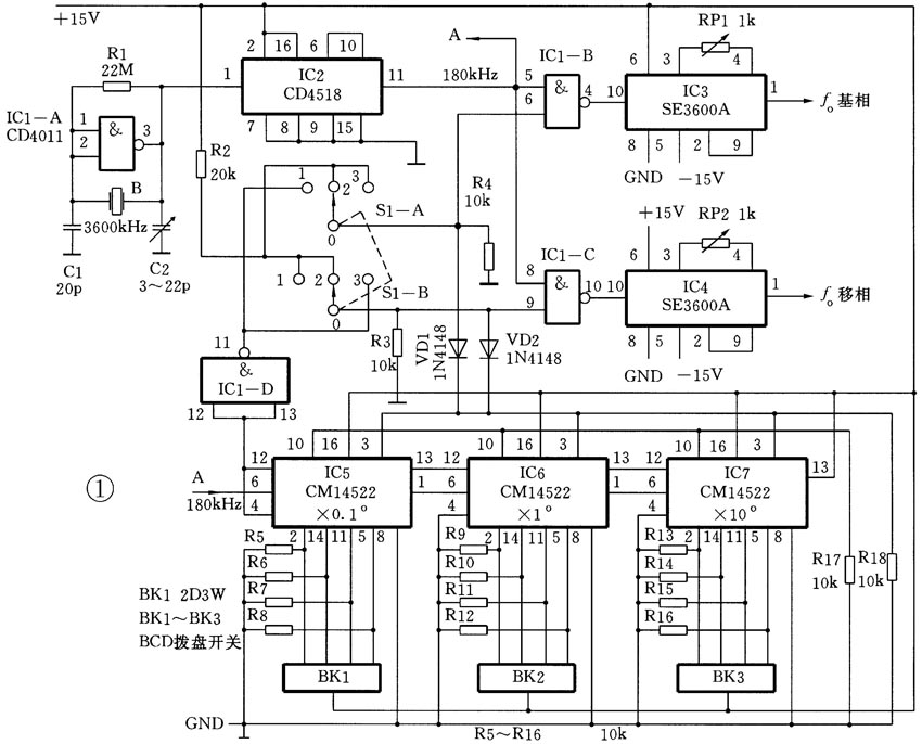
交流伺服电机的控制,半导体器件生产时的管脚引线焊接——超声波压焊,电子音乐合成器中特殊音响效果的产生,Hi-Fi高保真系统,放大器、扬声器、话筒等设备技术指标的测试等都会应用各种频率的正弦波信号。因而,数码频率合成正弦波是一项有广泛用途的电子技术。同时在精密测量、自动控制系统中常需要高稳定、低失真、便于控制的纯正弦波信号。本文介绍一种采用数码频率合成的工频移相器就是其中之一,原理见图1。

电路的核心部件为两个低频正弦波数码合成模块SE3600A(IC3、IC4),外形见图2,管脚特性见附表。SE3600A的主要技术参数:


● 相位分辨度0.1°
● 相位/幅度数据8bit×3600
● 输出频率 1Hz~20 kHz
● 时钟脉冲TTL电平、下降沿触发
● 工作电压:±12V;+5V(纹波≤2mV)
● 输出正弦波频率fo,与输入钟频fi关系式:f\(_{o}\)=f\(_{i}\)/3600(Hz)
● 频率稳定度由时钟脉冲稳定度确定,当用石英晶体振荡器分频后产生时钟脉冲时为10\(^{-}\)5
● 正弦波总谐波失真≤0.01%
● 输出幅度V\(_{P}\)-P5V(可调)
图3为该模块方框图,在模块的数据存储器中,存有从0°~360°全周期正弦函数值;在时钟脉冲f\(_{i}\)的作用下,地址计数器从0号单元起依次取出这些数据;经D/A转换后,还原成标准纯正弦波输出。输出频率f\(_{o}\)=f\(_{i}\)/3600(Hz),f\(_{i}\)为输入钟频。该模块产生的正弦波有频率稳定、波形失真小、移相方便、无触点、移相范围宽等优点。

由于取出存储器中的正弦函数值(实是相位/幅度转换器),都是从0号单元开始的,因此只要把两块SE3600A置于同一时钟脉冲之下;控制时钟脉冲的输入时刻,就可获得起点相对移动的两路正弦波。为此,在SE3600A(IC3、IC4)的输入端增加了相位控制开关S1及门控IC1-B、IC1-C。由IC1-A与晶体B构成的CMOS振荡电路产生3600kHz的脉冲,经IC2(CD4518)20分频,形成180kHz的时钟脉冲,由于S1与IC1-B、IC1-C的控制会形成三种工作状态:
1. IC3、IC4输出的正弦波同相(相当于纯电阻负载)。此时S1置于“2”端,R2将IC1-B、IC1-C的控制端同时置高电位,IC3、IC4在同一时钟脉冲的作用下,同时、同步计数,输出无相位差的两路正弦波。而由IC5、IC6、IC7及BK1、BK2、BK3构成的移相计数器与IC3、IC4脱离,无论何种设置均不影响IC3、IC4的工作状态。
2. IC4的输出滞后于IC3的输出(相当于电感性负载)。此时S1置于“3”端(设BK1、BK2、BK3均置9,相当于移相999个脉冲,即99.9°),因S1的控制,IC1-B的控制端被R2置高电位;IC1-C的控制端被置低电位;IC3与移相计数器在时钟脉冲作用下同时、同步计数,IC3有正弦波输出;IC4暂时无输出,当第999个脉冲到达时,移相计数器的各级预置数均减为“0”;IC5的借位输出QC向本级EN__端发出禁止脉冲;移相计数器停止计数,同时IC1-D将禁止信号反相后,使IC1-C的控制端变为高电平,时钟脉冲允许通过IC1-C,使IC4开始滞后于IC3(999个脉冲)产生正弦波。
3. IC4的输出超前于IC3的输出(相当于电容性负载)。此时S1置于“1”端。其工作原理同前。
本电路所用的元件,除SE3600A较特殊外,其它元件均为通用元件:IC1为四2输入端与非门CD4011;IC5、IC6、IC7为二-十进制可预置1/N计数器CM14522;S1为2D3W开关,BK1、BK2、BK3为BCD编码拨盘开关;D1、D2为开关二极管1N4148;所有电阻用1/4W、±5%的碳膜电阻,RP1、RP2选用精密可调电阻。
本电路输出的正弦波为10V、10mA。若需更大功率及更高电压,可按图4加装一功率放大器,输出可用升压变压器提升至需要值。
(杨烈勋)