二、总线制直按式单通/互通型楼宇对讲开锁电话系统
这种电路改分线制式的每户一条呼叫线为公用一条呼叫线。接线为通话线、呼叫线、开锁/受话线和地线共4条总线,较之分线制式的10户13条线,12户15条线大为简省,施工和维修十分方便。其门口主机面板结构和来客的操作方式均与分线制相同,亦为“101”、“102”的直按形式;但按键按下时不再是分线方式采用的简单电平变化,而是对应于每个房户发出不同的编码信号,各房分机内置的解码器在收到与房号相同的编码呼叫信号时启动电子开关使该分机响铃,摘机可双工通话和按键遥控开电控门锁。图5、图6和图8分别为采用DTMF双音频编解码形式的直按四总线楼宇主机、单通分机和互通分机的电原理图。


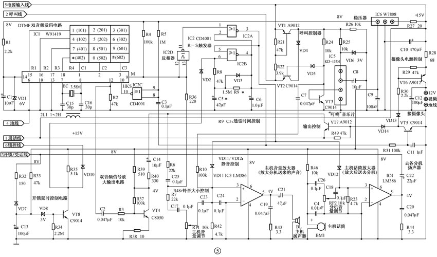
1. HT—998D直按四总线门口主机电路
由呼叫电路、发码电路、主控电路、开锁电路和功放电路等组成。
呼叫电路:与图2对应电路基本相同,当2号呼叫线所并接的各台分机中的某一台分机收到主机发出的对应编码信号时,其内部的开关管接通分机扬声器,呼叫线对地形成环路,R22为VT1提供偏置,VT1导通,IC5音乐片得电工作,“叮咚”音乐由VT3放大、VT2射随输出经2号呼叫线驱动分机扬声器发声;C7和R10送“叮咚”声去功放块IC3使主机响回铃声。
发码电路:图5中IC1是普通电话常用的DTMF双音频发码集成电路W91419,其R1~R4和C1~C3引出脚组成的行列矩阵控制其发出对应于电话键盘的“0~9,*、#”共12个双音频组合码(见表1)。门口主机面板将12个码以由下到上双排直按房号“101~601”、“102~602”的形式分布,如IC1R1与①脚C1连通时发“1”这个双音频码,而在直按机的面板上标为“101”房号。IC1输出的DTMF双音频码由C2和R3送VT4放大,经R40和C14、VT7输至1通话线去分机。

主控电路:由IC2A/IC2B的R-S触发器和开关管VT5、VT7等组成。发码块IC1⑨脚M平时为高电平,反相器IC2D输出低电平,二或非门IC2A/IC2B组成的R-S单稳态触发器处静态:IC2B④脚输出低电平,开关管VT5/VT7截止,通话线无信号输出;IC2A③脚输出高电平,VD11和VD12关闭功放块IC3和IC4,主机静音。当来客按主机键盘时,IC1⑨脚M变为低电平,IC2D输出高电平触发IC2A/IC2B单稳电路,输出翻转:IC2B④脚变高电平,R31使VT5/VT7导通,将VT4放大了的双音频信号送1号通话线去各分机识码;IC2A③脚变低电平,VD11和VD12截止,功放块IC3和IC4进入工作状态。IC2B翻转后,其④脚高电平经R9为C5充电,C5上的电压逐渐上升,当电压幅度达到电源电压的一半时触发器翻转回静态,选择R9和C5值可使主机工作时间控制在2分钟左右。开关管VT6亦受VT5控制,提供安装于主机内部的用于可视系统摄像头的工作电源,非可视型主机VT6等可省略。
开锁电路和功放电路:与图2电路基本相同,不赘述。图5电路中的2L1安装在电源箱内,采用高导磁率磁罐绕制,要求电感量大于1H,直流电阻值小于4Ω,串联在+15V电源和通话线之间,既能为各并联分机供电;又因其电感量大、交流阻抗高不会造成对通话信号的分流。
2. HT—998F直按四总线单通分机电路
图6中,VT6射随输出提供译码和通话电路所需的6V稳压电源,滤波电容C5接于VT6基极和射极之间,具有交流阻抗高的特点,对通话线信号影响小。IC1为通用DTMF双音频解码集成电路MT8870。主机发来的双音频呼叫信号由C1和R1输入IC1③脚前置放大,放大倍数为R2/R1,再经内置网络滤波、比较、译码,当认定输入的DTMF信号有效时,其数据判定DV由低电平变为高电平,以二进制8421码方式锁存并输出数据(见表1)。比如来客按主机“101”房号键盘时,实际发出的是“1”这个十进制数的双音频组合码,其低频组频率为697Hz、高频组频率为1209Hz,MT8870收到该码并认定有效后其输出对应的二进制8421码“0001”,即为低电平,为高电平。根据表1所列MT8870(更详细的原厂资料可上网查询:f5ad.free.fr/Docs-Composants/MT8870.pdf)的输出状态可方便地实现解码控制。每台分机根据房号用不同极性接法的VD1~VD4四只二极管进行编号,方法是将表1中对应于D8~D1的四个引出脚的低电平“0”的管脚用正向二极管接至A点,高电平“1”的管脚用反向二极管接至B点。如“101”房号的二进制码为“0001”,接法为三只二极管VD1~VD3正极分别接IC1,负极接A点;另一只二极管VD4负极接IC1,正极接B点,如图7所示。未收码或码值不符时VT3集电极为低电平,开关管VT1、VT2截止。当收码值相符:图7“101”分机收到“0001”码时,VD1~VD3因正极端为低电平“0”而截止,VT3基极无偏压而截止;VD4和VD5因负极端为高电平“1”亦截止,R4接入的6V电压经VD7为C12充电,R8使VT1/VT2导通,2呼叫线经VT2、分机手柄开关S1-1接扬声器BL1,主机门铃电路启动发声。C12容量决定响铃时间长短。分机摘机时BL1随S1-1改接受话线,S1-2接通话线,R11和R7分别使VT5和VT7导通,VD8使C12经VT7对地放电,VT1/VT2截止,铃音电路关闭;VT4等通话电路开启,来客和户主实现双工通话。
3. HT—998E直按四总线互通分机电路(图8)
这种分机的键盘与主机键盘相似,亦配印有房号“101”、“102”……的按键,各住户只须按一个键如“101”,相应房间即响铃,对方摘机即实现双工对讲。其解码电路与998F单通分机相同,发码电路与主机类似,不赘述。为提高带负载能力,由VT5和VT6组成深反馈射随输出话筒放大器。通话放大器VT7前置有R21~R23组成的消侧音网络,利用VT6集电极和发射极输出话音极性相反的特点,适当选择R23值,可使VT7放大输出的对方声音调至最大,己方话音调至最小。本机的呼叫电路亦依靠主机提供,系统中单通分机和互通分机可混合使用,用户可随意挑选配备。
采用DTMF双音频解码电路组成的直按呼叫系统直观、方便、工作极其可靠、传距远、不错码,但可供使用的码源较少,一般适合于六层楼以下,每层一到二户的场合。
下期将介绍相对于较高楼层或每层住户较多的居民楼应选用的电路程式,有感兴趣的读者可与笔者进行技术交流,电话:0536-7661428。
(刘永华)