电脑的外围设备越来越多(如打印机、调制解调器、扫描仪……),众多的设备使电脑上仅有的几个串并口难于应付。若利用无线通讯设备即可解决这个难题!
红外线通讯是一种廉价、近距离、无连线、低功耗和保密性较强的通讯方案,简单地讲,IrDA(Infrared Data Association,红外数据协会)技术是一种利用红外线进行点对点通讯的技术,其相应的软件和硬件技术都已比较成熟。主要优点有:
无需专门申请特定频率的使用执照,这一点,在当前频率资源匮乏、频道使用费用增加的背景下是非常重要的。
具有移动通信设备所必需的体积小、功率低的特点,HP公司已推出结合模块应用的约从2.5×8.0×2.9(mm3)到5.3×13.0×3.8(mm3)的专用器件,与同类技术相比,耗电量最低。传输速率在家庭和办公室使用的微微网(Piconet)中是最高的,达16Mbps,由于采用点到点的连接,数据传输干扰较少。接收角度由传统的30°扩展到120°。硬件及相应软件技术都已比较成熟。此外,IrDA的市场优势也是十分明显。目前,全世界有5000万台设备采用IrDA技术,并且仍然每年以50%的速度增长。有95%的手提电脑安装了IrDA接口。在成本上,红外线LED及接收器等组件远较一般RF组件来得便宜,IrDA端口的成本在5美元以内,对速度要求不高者,可以低到1.5美元以内,相当于蓝牙产品的1/10。
鉴于红外线通讯的诸多好处,现在大多数的主板都提供了红外线接口,以便用户利用它进行与带红外线接口的设备通讯,如笔记本电脑、打印机、Mo-dem、掌上电脑、移动电话等等。但计算机主板上仅仅提供了红外线接口,并未提供完整的发射接收装置,所以用户在想使用红外线通讯时,仍需额外的设备。下面几种方案,以供大家参考。
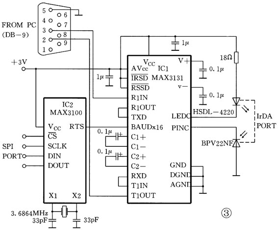
主板红外线接口大多为一单排5针插座,通过4线5孔插头与IrDA接口连接器相连。IrDA接口连接器上安装有控制门电路和红外线发射、接收管。5针插座管脚定义依次是:①IRTX(Infrared Transmit,红外传输);②GND(电源地线);③IRRX(Infrared Receive,红外接收);④NC(未定义);⑤VCC(电源正极)。图1为发射部分,图2为接收部分。


根据IrDA提供的“异步串行通讯标准”资料显示,IRTX引脚能提供>6.0mA的输出电流,而IRRX引脚吸收<1.5mA 电流就能对输入信号作出反应。资料同时显示红外线接口的发射部分已将传输数据进行38 kHz的载波,而接收部分将进行信号分离处理,所以在制作接口电路时无须再考虑载波和分离电路。图3仅供参考,读者可自行设计、制作。红外线发射、接收管可用普通的,若距离远可选用功率大的管子或普通管并联使用。

如果主板没有红外线接口可以用美信公司的MAX3130/3131(3V~5.5V,IrDA集成RS232)制作,也可用CRYSTAL公司的CS8130等红外器件制作。
安装红外线接口连接器以后,配合支持红外线通讯的操作系统Windows98/2000/XP,可与带有红外线接口的笔记本电脑、掌上电脑、移动电话、打印机、数码相机等设备实现红外线通讯。
主板自带红外线接口红外线通讯功能时,需对CMOS参数中相应的IrDA接口功能选项进行设置。在AWARD BIOS中,有一“UART2 Use Select”选项,当设置为Enabled时,将启动主板上第二个串口为支持红外线传输的设置,此时原COM2将会失去作用。
CMOS参数设置完毕启动Windows 98时,系统提示找到新硬件(IrDA),要求插入Windows 98安装光盘,并会自动安装即插即用红外线串行口、红外线监视器、虚拟红外线并行(LPT)端口、虚拟红外线串行(COM)端口、快速红外线传输协议、红外线接收驱动程序等Windows98提供的专用于红外线传输的相关内容。此后,你就可以利用红外线通讯与外部设备交换信息了。比如与手机通讯,可下载铃声图标,修改中文电话簿、手机上网……玩法很多。与数据线比较,具有更方便、更快捷的优点,但前提是手机必须有红外线传输功能。
编者注:有关更详细的原厂资料可上网查询:MAX3130/3131:pdfserv.maxim-ic. com/arpdf/MAX3130-MAX3131.pdf,CS8130:www.cirrus.com/pubs/pubs-current/8130. pdf。
(丁丁)