所谓数字仪器就是指通过一些AD转换电路把模拟信号转换为数字信号或者直接把数字信号送到电脑的外部接口,由电脑对这些数据进行处理分析,来完成各种测量工作。由于大部分的操作都是通过鼠标点击屏幕上的虚拟仪器面板来完成的,所以也称为虚拟仪器。
数字仪器有很多优点:
1. 电脑本身有着强大的运算能力,利用它可以完成很多复杂的计算转换等工作,大大简化测量电路,并能完成很多非常复杂的测算。
2. 电脑显示器可以完成各种复杂的数据波形或文字、图形的显示,这是普通的液晶屏、数码管很难做到的。
3. 电脑具有存储功能,可以存储大量的数据,将测量的结果保存起来,以便进行细致的比较分析等工作。
4. 电脑可使传统的仪器在设计上大为简化。
我们将介绍一些简单易制的数字仪器。:
本文介绍的频率计,与普通的频率计不同,它是与电脑相连的,通过电脑端的程序来完成普通频率计的各种操作及显示。它的各种功能开关,并不是实际的开关,而是屏幕上的图像,我们也不是真的去拨动它,而是用鼠标进行操作,所以称它为虚拟频率计。
虚拟频率计通过一个简单的单片机电路连接到PC机,通过串口与电脑进行数据传输,用电脑端的程序可以完成一些简单的测量工作。
硬件电路
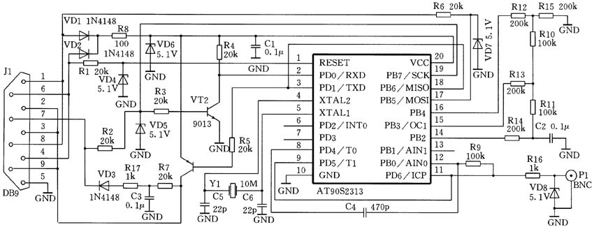
硬件电路的核心是一片ATMEL公司的单片机AT90S2313。由于采用了单片机,所以大大简化了设计。电路原理图如图1所示。

1.电源
电源是由串口提供的,不需要外接电源了,给使用带来了很大的方便。我们知道232电平为 ±12V,因此我们可以通过计算机端的程序将串口的某些闲置引脚设为高电平,则这些脚上就会有+12V的电压,然后我们就可以通过一个简单的稳压电路(电阻+稳压管)得到我们需要的+5V电压供单片机使用。在电路图中可以看到,VD1、VD2、R8、VD6组成了供电电路,VD1、VD2可以防止串口数据线之间短路,R8用来限流,一般可用100Ω,如果串口能力差(比如一些笔记本)可以用更小的阻值。
2.串行通讯电路
对于AT90S2313,它有两个I/O口是用来进行串行通讯的。我们利用它的这两个I/O口与计算机的串口进行串行数据传输,由于232电平与TTL电平不兼容,因此增加了三极管部分的电路进行电平转换。这部分有VT1和VT2以及相关的外围电路组成。同理,其他串口直接与单片机I/O口相连的地方都使用了电阻+稳压管的方式来限制电平,达到了电平兼容的目的。
3.测量部分
输入端对地有一个稳压管,它是用来保护I/O口的,以免意外接入较高的电压损坏单片机的I/O口。为了确定电平的高低,这里利用了AT90S2313内部的比较器功能,这样可以利用比较器把输入电平与参考电平进行比较,以区分高电平和低电平。
电路制作要点
单片机芯片要使用集成电路插座,焊接完成后要仔细检查电路。先不要插单片机芯片,首先检查电源电压是否正常,AT90S2313的⑩脚是地,是电源,用万用表检查单片机电源脚对地的电压,应为+5V左右。如果不正常,需检查这部分的稳压管,然后检查其他几个稳压管对地的电压均应为+5V左右。当确认电源和单片机的几个I/O口的电压均正常后,方可插上单片机芯片。(注意,这部分测量工作要将硬件电路连接到计算机的串口上,并且启动频率计软件)。
单片机芯片在安装到电路之前要先写入程序,可以使用编程器来完成这项工作,关于AVR单片机编程器的制作请参照本系列前几期的文章。
输入口可采用BNC接头,这样可以直接使用买来的探头。要简单便宜的话,也可使用普通的万用表表笔。焊好的电路板和做好的成品分别如图2、3所示。

软件部分
首先是软件的安装,将软件解压缩到任一目录下,双击VFM.EXE即可启动程序。程序界面如图4所示。

主要参数
1.需要测量的数据:频率、周期、时间间隔、脉冲计数。
2.关于频率测量:
(1) 模拟信号测量频率范围:0.1Hz~250kHz;电压范围:0.1~30V。
(2) 数字信号测量频率范围:0.1Hz~5MHz;低电平:0.1~2.0V,高电平:2.5~30V。
(3) 测量周期:1ms,10ms,100ms,1s,10s。
3. 关于周期测量:
(1) 周期测量范围:10ms~10s。
(2) 精确度:0.1ks。
(3) 采样次数1、10、100、1000个周期。
(4) 输入信号:模拟、数字。
软件的使用
启动软件后,首先要进行设置,在此之前,你要把硬件电路连接到计算机的串口(COM1或者COM2)。然后选择OPTIONS菜单下的OPTIONS,选择硬件电路所连接的那个串口即可。另外一个参数是用来设置软件连续显示结果的间隔时间,默认值为1s,这个不需要修改。
然后点击测量按钮,如果没有提示出错,则表示硬件电路工作正常,如果弹出出错窗口,则表示硬件部分有问题,通讯不成功,需要检查硬件电路。
软件功能介绍
左边是关于输入(input)的各项功能设置:
第一项是数字信号(DIGITAL)和模拟信号(ANALOG)的选择。如果测量数字电路、单片机电路可选择数字信号,如果是模拟电路则选择模拟信号。
第二项是输入信号的电平选择(仅对模拟信号有用)。
第三项是选择低通滤波开启或者关闭(仅对模拟信号有用)。
第四项是选择下降沿触发还是上升沿触发。
中间是结果显示窗口。
两个窗口可同时显示频率和周期,非常方便。如果选择测量频率,则上面的窗口显示频率,下面的窗口显示周期。如果选择测量周期,则相反。
中间的下部是功能选择:第一项是校准;第二项是测量频率;第三项是测量周期;第四项是测量时间间隔;第五项是脉冲计数,可以测量出从开始测量到结束测量期间测量到的脉冲数的总和。
当选择测量频率功能时,右侧是采样时间选择,单位是ms,因此10的0次方表示1ms,下面依次为10ms、100ms、1s、10s。如果被测脉冲的宽度大于采样时间的话,则无法得到正确的结果。可根据具体情况进行选择。
当选择测量周期功能时,右侧是采样次数选择,可以在1、10、100、1000个周期之间进行选择。
右下的两个按钮分别表示循环测量和测量两个功能。点击一次测量按钮,则会测量一次,点击循环测量按钮,则会自动循环进行测量,除非你中止循环测量。
下面我们通过实际测量来检验一下它的效果。
首先要有一个信号源,为了方便,采用了软件的信号源,利用一个软件从声卡输入信号供测量使用。软件叫做Test Tone Generator。这个软件可以产生正弦波、方波、三角波,并且可以随意改变频率。因此用来作为信号源是最合适不过的了。(见图5)

先将声卡和音箱连接好,启动TTG软件,选择Constant Tone(固定音调)。在频率选择栏输入一个频率值,比如440Hz。其他选项可采用默认值。然后点击ON按钮,这时可从音箱中听到440Hz的声音。这证明你的声卡是正常的,现在可以把音频连线从音箱一端取下,然后把PC频率计电路与计算机连接好,启动虚拟频率计软件,然后进行如下设置:
1. 输入部分选项需要设置的有:选择模拟信号,将输入电平设置为4。
2. 功能选项设置为测量频率。
3. 采样时间选择1s,即10 3ms。
现在可以开始测量了。将PC频率计的探针与从声卡连过来的音频线的RCA插头连接好。然后点击测量或者循环测量按钮。图6是测量结果。

在测量过程中可能会出现通讯错误,通常是单片机死机造成的,解决方法是关闭测量程序,然后重新打开。
本文涉及的所有程序或软件可到网站http://ediy.yeah.net下载。
(电子DIY工作室)