故障现象:该电话机摘机后没有拨号音,不能拨号,没有来电显示,但接收外线铃流信号正常。
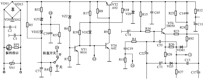
分析检修:从话机的故障现象来看,判断有可能是话机的公共电路部分有问题。打开机壳,检查没有发现元件异常的现象。在没有画出话机电路图的情况下,用表直接测外线输入经二极管VD10~VD13整流后的电压为48V,稳压二极管VZ2、VZ5、VZ6的两端电压分别为25V、0.6V、0V,根据所测电压来分析,可能后级电路没有工作。简单画出话机的部分原理图(见附图)之后进行检查分析,根据所画电路图,逐步测量各级电压值。用表先测三极管VT2的各极电压,b极为44V、e极为48V、c极为0V,显然是三极管VT2没有导通工作;检查三极管VT2也正常,接着再测三极管VT4的各极电压,b、e极电压都为0V,c极为44V,从电路图中不难看出,造成三极管VT4的b、e极电压都为0V的原因是其be结或三极管VT1的ce结短路。把三极管VT4焊下后进行检查,发现其be结确已呈短路状态,由于三极管VT4的b、e极短路,使调整三极管VT2的b极电位始终处于高电位,从而不能导通工作向后级输出电压,所以就出现了在摘机后没有拨号音,不能拨号,没有来电显示,但接收外线的铃流信号正常的故障现象。用一个同型号管子代换后,故障排除。最后再测三极管VT2的各极电压,b极为4.0V、c极为4.6V、e极为4.8V;三极管VT4的b极为0.6V、c极为0.2V、e极为0V。

(韩军春 梁保国)