一、故障原因分析
1. 色不同步
色不同步是指荧光屏上彩色呈不规则的滚动或闪烁。主要是因为副载波没有被色同步信号锁定所致,导致色不同步的原因有:
① 无色同步信号(即色同步信号丢失)或色度IC内色同步选通电路不工作。
② APC鉴相器电路(含IC内的部分电路)有元件不良,其输出电压异常致使副载波频率发生偏移。
③ 色度IC内副载波锁相环出现开环故障,使VCO(压控振荡器)处于自由振荡状态。
④ VCO外接元件变质,使副载波频率偏离过多,使得APC鉴相器无法调整至正常状态。
2.彩色爬行
彩色爬行就是常说的百叶窗干扰(好似屏幕上挂了百叶门帘)。这是APL制彩电独特的故障现象。主要是因为延时解调器(梳状滤波器)对U、V信号分离彻底,使U、V信号进行改变极性,导致屏幕上出现明、暗相互间隔且向上移动的条纹,即所谓爬行现象。其故障产生主要原因有:
① 延时解调器失调。
② 双稳态触发器、PAL开关不工作或使该部分工作的行逆程脉冲丢失。
③ F\(_{U}\)或F\(_{V}\)信号丢失。
3.红、绿对调
红绿对调是指彩色图像的红色与绿色位置互换,变成红草地、绿面孔。导致该故障的常见原因是PAL开关异步工作,即N行倒相、P行不倒相,正常应是P行倒相,N行不倒相。其主要故障点有:
① 触发双稳态电路工作的行逆程脉冲(飞利浦机芯为沙堡脉冲)异常或幅度不足。
② PAL识别电压异常,使双稳态电路工作失常。
③ 双稳态触发器本身损坏。
4.偏色
偏色是指荧屏底色偏向某一颜色,为偏红、偏绿、偏蓝等。偏色故障主要发生在基色矩阵电路或显像管本身。
偏色故障分二种情况,一是未收到信号时,荧光屏光栅就偏向某一种颜色,其原因有:
① 基色矩阵电路有一基色电路的偏置电路有元件损坏。
② 暗平衡未调整好。
③ 显像管对应阴极衰老,如光栅偏黄就有可能是蓝阴极衰老。
二是在未接收信号时,荧屏光栅颜色为白色,但在接收信号时,图像却偏向某一颜色,这主要是亮平衡失调所致。
5.单色
单色故障是指荧屏只显示某一种颜色光栅(有时还带有回扫线),如红、绿、蓝色等。其故障原因有:
① 显像管某阴、栅极短路或漏电。
② 显像管某阴极与灯丝短路或漏电。
③ 显像管某阴极与地之间的放电隙(在视放尾极上)有导电物质,致使阴极与地漏电。
④ 某视放管集电极与发射极漏电或击穿。
⑤ 两路色差(或基色)信号输出端对地滤波电容或钳位二极管击穿 。
⑥ 色度IC某色差(或基色)信号输出端内部损坏,致使该端输出高电平,导致该路色差(或基色)放大管饱和,从而使荧屏显示该基色颜色。
6.补色
补色故障是指荧屏缺少某一基色,使荧屏显示出不正常颜色,如缺少红色使本应形成的白色光栅就变为青色。同理缺少绿色,白色光栅就变为紫色光栅;缺少蓝色,白色光栅就变为黄色光栅。出现补色故障原因有:
① 显像管某阴极开路或严重衰老。
② 末级某视放管或它的供电电阻开路。
③ 色度IC某色差(或基色)信号端内部开路或信号输出端至末级视放管基极之间的电路开路。
7. 局部色块、色斑
局部色块、色斑故障是指屏幕上光栅局部有异色(一种或几种颜色),将色饱和度调至最小,黑白图像上还是有固定的色斑或色块。导致该故障的原因是:
① 自动消磁电路故障。一般有消磁电阻开路或消磁线圈开路,多数情况是它们的焊点开裂。
② 色线调节磁环发生松动而导致移位。
③ 偏转线圈松动,导致移位或所配偏转线圈与显像管不配套(指原偏转线圈烧坏后)。
二、故障检修思路
1.色不同步故障的检修思路
本故障绝大多数机器开始表现为无彩色,在强迫打开消色门后(使消色电路停止工作),才能看到色不同步故障,部分色度IC打开消色门的方法参看附表。若打开消色门后,荧屏出现彩色闪烁或彩色滚动现象,则说明是色不同步故障。其检修思路是:

① 先检测色度IC行逆程脉冲输入端(如TA7698、TDA4501、LA7680、TDA8362)的电压波形或电压值是否正常。如异常,就应检查行逆程脉冲传输电路中的电阻或电容是否开路或变质(值)。若无问题,则说明是色度IC该脚内部电路损坏,应予更换。
② 若上述检查均未发现异常,就应检查色度IC外接副载波振荡电路、APC鉴相电路元件,例如TA7698应查、TDA3561A应查、LA7680应查、TDA8362应查外接元件,其中重点是晶振。
③ 若上述检测均未发现问题,就说明是IC内部的色同步分离电路或副载波振荡电路不良,可更换色度IC试之。
2.彩色爬行故障的检修思路
① 检测梳状滤波器中的色度延时电路和色度直通电路元件,如TA7698应查⑧脚与(延时电路)和⑧脚与(直通电路)的外接元件;LA7680应查外接元件;TDA3561A应查外接元件是否正常。
② 若上述检测没有发现问题,再查色度IC行逆程脉冲输入端的行逆程脉冲波形及幅度是否正常。若异常,应查行逆程脉冲传输电路中元件是否变值(质)。
③ 若上述检查均正常,则基本可认为是解码IC内部的延时解调电路或双稳态触发器或PAL开关失常,应予更换。
3.红、绿对调故障的检修思路
① 先查色度IC行逆程脉冲输入端有无行逆程脉冲电压或波形。若没有或异常,请查行逆程脉冲传输电路元件。
② 若上步检查均正常,则基本可认为是色度IC内识别放大器或双稳态电路失常。一般更换IC,即可恢复正常。
4.偏色故障的检修思路
① 观察无信号时,荧屏光栅是否偏色。若偏色,调节暗平衡,普通彩电调节三个暗平衡调节电位器,I\(^{2}\)C总线彩电调出数据后再进行调试,看能否恢复正常。
② 若上述调整不能恢复正常,再测量显像管的三个阴极电压和基色信号波形是否正常。若不正常,可将末级视放与色度IC的色差(或基色)信号的输出线断开,再测量末级视放管的各极电压,看是否恢复正常。若恢复正常,说明视放前级(包括色差或基色信号放大电路及信号传输电路)有故障。若仍不正常,则说明末级视放电路有元件损坏。
③ 若上述检测中,三个阴极电压和基色信号波形正常,则表明显像管有关阴极衰老严重,例如光栅颜色偏黄,说明蓝阴极衰老,可通过增加该阴极的视放管b极电压,从而增大该阴极电流来弥补。具体电路请参见图1。

④ 若观察在无信号时荧屏不偏色,而是在接收信号时图像偏色,可调节亮平衡(普通彩电调节二个激励电位器,I\(^{2}\)C总线彩电通过遥控器进行数据调试),一般可排除故障。
5.单色故障的检修思路
① 测显像管阴、栅极,阴极与地之间电阻是否很小(机器未通电时)。若是,再将视放尾板从显像管上拔下,重测显像管上述极间电阻(阴极与地之间电阻、实际可测阴极与灯丝间电阻)若阻值仍很小,说明显像管极间的确短路。对于阴极与灯丝间短路,可在行输出变压器上绕3~4匝绝缘导线,然后对灯丝单独供电,一般可解决问题。
② 若检测显像管上述极间电阻无穷大,说明短路点可能在视放尾板上,可检查阴极与地之间的放电隙有无短路杂质及视放管有无击穿。
③ 若在上述第一步的检测中测得的电阻很大,则说明故障可能在色度IC内部的色差(或基色)输出电路或色度IC至末级视放的接口电路中。可先查接口电路中的滤波电容、钳位二极管有无击穿,信号传输电阻是否开路。若三路有两路的信号传输电路有短路或上述电阻开路,就会形成单色故障。
④ 若上述接口电路无问题,可更换色度IC试之。若仍不正常,则必是末级视放有两路出现开路故障。例如视放管c极与e极相连的大功率电阻的焊点出现裂纹,视放管内部开路等,通过检测有关极电压便可知晓。
6.补色故障的检修思路
① 检测显像管三个阴极电压是否正常(正常大约110~150V)。若正常,说明可能是显像管某阴极开路或严重衰老或显像管座该脚未插接好,此时可测显像管阴、栅电阻来确认。
② 在上述检测中,若某阴极电压大于170V,可断开色度IC的色差(或基色)信号输出端子连线,检测三个末级视放管基极电压(若是视放IC,可查R、G、B三基色信号输入端电压)是否基本相等。若基本相等,则表明补色故障是色度IC内部损坏或色差(或基色)信号传输电路有元件损坏,可检查排除。
③ 若在上步检查中断开色度IC的色差(或基色)的信号输出后,三个末级视放管基极电压(或视放IC的R、G、B信号输入端电压)仍不相等,则故障可能在末级视放电路。包括某视放管内部开路、它的在路焊点出现裂纹、它的偏置电路元件出现开路或焊点出现裂纹等。实践证明,元件出现开路或焊点出现裂纹是补色故障的常见原因。
7.局部色块、色斑的故障检修思路
① 拔下消磁线圈插头,测量其阻值应为十几Ω,若无穷大,表明已开路。
② 上述检测若阻值正常,可在路测消磁电阻冷态电阻,通常正常为10~30Ω,若大于这个阻值说明消磁电阻不良,应予更换。
③ 若上述所测消磁电阻阻值正常,再查消磁电阻焊点及引线插座焊点是否出现裂纹。若有,予以补焊。
④ 若消磁电路良好,可再查显像管管颈上固定的色线调节磁环或偏转线圈是否因剧烈振动而移位。若无异常,基本可判定故障是由于显像管内部的阴罩栅网变形移位所致。不过这种情况极为少见。
三、故障检修实例
例1:一台康佳T2806型彩电,开机后彩色图像出现爬行现象(PAL制式时)。
由于本故障主要涉及延时解调电路、双稳态触发器及PAL开关电路,故决定首先检查色度信号的直通及延时电路。从图2可见该机的色度信号从IC301(TA8759BN)的输入内部的ACC电路,经自动制式识别及切换开关后,将对应制式的色度信号送入相关的色解码电路。工作于PAL制时,从上述切换开关输出的色度信号分两路:一 路作为直通信号从IC301内部传给PAL矩阵电路;另一路作为延时信号从输出,驱动色度延时线(DL302),延时约1行(64μs)的时间并倒相,然后送回。这两路信号在PAL矩阵中产生和、差信号,并由解码器解调出R-Y、B-Y两个色差信号,然后从②、紟{6}脚输出,再经C346、C347耦合至紛{6}、紝{6}脚,最后在IC301内部的G-Y矩阵中合成G-Y色差信号。经查,工作于PAL制式时IC301⑩、已为正常时的6V高电平,表明制式识别及切换开关电路均正常。查电压为2.2V(正常为4.7V),显然故障的确在色度延时电路,最后查出是旁路电容C332(0.01μ)严重漏电,更换后彩色恢复正常。由于C332严重漏电,使DL302失去工作偏置电压,致使色度信号的FU、FV分量无法正常分离而导致本故障。
例2:机型同上,故障现象为图像一会儿偏色、一会补色、且闪烁失真,光栅忽明忽暗。
外接VCD输入的视频信号故障依旧。由现象知故障点可能在:(1)IC301R、G、B基色输出电路;(2)IC301的R、G、B钳位电路;(3)IC301②、紛{6}脚R-Y输出、输入电路;(4)IC301紝{6}、紟{6}脚的B-Y输出、输入电路;(5)末级尾板上的IC501(TEA5101A)视放矩阵电路。
经查,IC301电压不稳(3~4V),检查上述脚外接的滤波及钳位电路均正常,显然,故障在末级视放矩阵电路,最后查出系R、G暗平衡调节电阻器RP503、RP504接触不良(见图3)。用密封型2kΩ可调电阻更换后,稍加调整,故障排除。
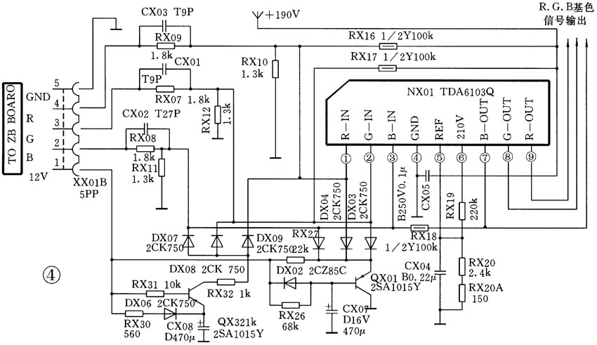
例3:一台长虹R2516N数码彩电出现补色故障(缺红色)。
首先测送往末级视放矩阵电路的R、G、B三基色信号波形、幅度均正常。据此,表明故障在末级视放矩阵电路,测视放集成块NX01(TDA6103Q)各脚电压(见图4),发现①脚(R信号输入)电压为零(正常1.5V),测①脚对地电阻不为零,显然不是内部R放大器对地击穿,而是偏置电路有故障。果然查出是①脚外接偏置电阻RX16(100k 1/2W)开路,致使R放大器停止工作而引发该故障。用100k1W电阻更换后开机,故障消失。据检修实践,因RX16、RX17、RX18功率过小而烧断,经常出现补色或单色故障,建议采用1W电阻。

例4:一台佳丽EC2213AR彩电光栅、图像均偏红。
此故障主要涉及显像管、末级视放及解码电路。经查,末级红、绿、蓝三视放管集电极电压分别为105V、125V、130V,其基极电压分别为6.8V、6.5V 6.4V。再断开解码集成块IC201(KA2154)的(红色差信号输出脚),红色光栅消失。据此,说明故障系IC201内部(外接信号传输及钳位元件无异常)。作为应急,试在IC201对地并接1只1kΩ电位器,当调节至220Ω时,光栅恢复白色,取下电位器,用一固定电阻代替,机器恢复正常。
例5:一台康佳T2110彩电出现红色且带回扫线图像。
首先测三只末级视放管c极电压,发现红色视放管为100V(正常148V),其余二只达200V,拔下末级视放尾板的R、G、B基色信号插头XS704再测三只视放管(V902、V904、V906)c极电压均为200V。据此,说明故障在色解码电路,测解码块N701(TA8759BN)(R、G、B信号输出端)对地电阻分别为15k、2.5k、2.5k.显然N701内部损坏,更换N701后故障排除。注意:该机故障为第二阳极对显像管外壳放电打火所引起。后又发现多例康佳T2110、T2112、T2114、T2010型彩电因打火损坏N701而出现红色带回扫线图像故障。其原因是行逆程电容失容或引脚开裂,致使第二阳极电压过高而引起,看来这是上述机型的一个通病。
例6:一台佳丽EC2263R彩电开始无彩色,在解码块IC201(TA7698)②脚对加接一只20k电阻后出现不同步彩色。
由于打开消色门后出现不同步彩色,故说明故障是色同步信号丢失或副载波频偏过多所致。首先检测IC201(行逆程脉冲输入)电压波形,发现没有行逆程脉冲信号波形,这就使得IC201内部的色同步选通电路因缺乏选通门打开的开关信号(即行逆程脉冲)而无法取出色同步信号,从而导致色不同步故障。经查系信号耦合兼隔直电容C412(0.47μ50V)因离行输出变压器过近(靠近大功率元件),受热烘烤而完全失容所致。在C412印板反面焊一同规格电容后(局部电路见图5)故障消失。
(王绍华)