在上期,本刊介绍了杜比定向逻辑环绕声解码电路的工作原理,由于杜比定向逻辑环绕声解码电路需要两只以上的音箱才能还原出那些逼真的现场效果声,如果没有多声道音箱来进行重放,则杜比定向逻辑环绕声的优势将不复存在,由于各种因素的制约,目前很多消费者还只能采用两个音箱进行放音。因此,很多厂家都在AV功放机中加入了环绕声音响效果处理电路,对普通的单声道声音信号或者立体声声音信号进行一番处理,然后再通过两个音箱播放出来,使用户采用两个音箱就能享受到原先只有多声道音箱才具有的音响效果。
目前,AV功放机所采用的音响效果处理电路主要有三声道虚拟环绕声处理电路(常见的芯片是NEC公司的μPC1891A、μPC1892A)、SRS环绕声处理电路以及由美国BBE sound ine公司推出的BBE处理电路。下面笔者以一些具体机型电路为例,介绍以上电路的具体工作原理。
1.三声道虚拟环绕声效果处理电路μPC1891A
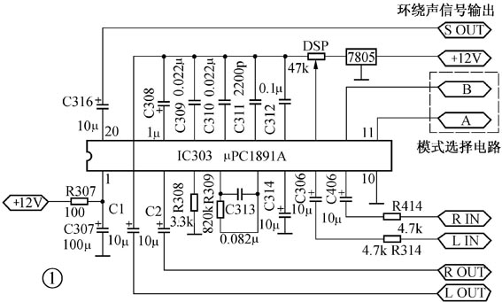
绅士E1080功放机三声道虚拟环绕声效果处理电路原理图如图1所示。该电路采用NEC公司生产的三声道虚拟环绕声处理电路μPC1891A来完成。μPC1891A主要电气参数如表1所示(该芯片原厂资料可到http://www.21icsearch.com/search-pdf/openfile.asp?id=64135&filename=nec/UPC1891ACY.pdf下载)。如果两个输入端输入的是立体声信号,则μPC1891A自动将立体声双声道信号经内部电路处理后变为左声道复合输出、右声道复合输出和环绕声输出三路输出信号;若输入端输入的是单声道信号,则μPC1891A自动对该信号进行相位加减处理,使输出信号变成模拟立体声信号,避免了两个音箱直接输出单声道信号时的单调感。μPC1891A预置有4种音响效果模式,音响效果模式可以通过改变μPC1891A的电平高低编程来控制,具体设置如表2所示。为环绕声信号强度调整端,通过外接一个电位器来调整该脚的电压,即可对输出的环绕声信号强度进行调整。



绅士E1080功放机音响效果处理电路模式选择电路如图2所示。图2电路中,R701、R702、C701、VT703组成开机复位电路。在刚开机时(即12V电压刚建立时),由于电容C701两端电压不能突变,故其上端电位在开机瞬间为低电平,此时三极管VT703因无基极偏置电流而保持截止,+12V电压通过VT703集电极电阻R702、VD725为运算放大器IC702A正相输入端供电,IC702A输出高电平,发光二极管VD24点亮,指示音响效果电路处于“单声道”状态。而此时由于其他运算放大器正相输入端均处于悬空状态,而反相输入端则为9.9V电压(由+12V电压经过VD725、VD701、VD702压降而得),故其他运算放大器均输出低电平信号使三极管VT701、VT702均截止,μPC1891A的都为高电平,μPC1891A工作在单声道状态,此时输入端输入的单声道信号被处理成模拟立体声信号从两个输出端输出。随着C701充电的进行,约1.5s后,C701上端电压上升为电源电压为VT703提供偏置电压,使VT703由开机瞬间的截止状态转换为导通状态,二极管VD725截止,完成开机复位动作。复位后,IC702A输出端的高电平信号通过R705、R706为IC702A正相输入端提供约5.8V的高电平,IC702A的反相输入端则由于VD701、VD702的存在而使之电平总是低于正相输入端,使IC702A输出端持续输出高电平信号。
在按下按钮“HALL”时,+12V电压直接接在运算放大器IC702B正相输入端,由于二极管VD703、VD704 有1.4V的压降,使各运算放大器的反相输入端电压为10.6V,该电压高于IC702A正相输入端的电压5.8V(假定复位电路无问题且开机后没有按下其他音响效果模式选择按钮),IC702A输出端跳变为低电平,二极管VD24熄灭。此时IC702B正相输入端电压高于反相输入端电压,IC702B输出端跳变为高电平,二极管VD723导通,进而使三极管VT702导通,将μPC1891A的拉为低电平,于是μPC1891A工作在“模拟音乐厅”模式。同时发光二极管VD19点亮,指示音响效果电路工作在“模拟音乐厅”模式。
同理,当按下按钮“HOVIE”时,VT701导通将μPC1891A的拉为低电平,μPC1891A工作在“模拟电影院”模式。同时发光二极管VD16点亮,指示音响效果电路工作在“模拟电影院”模式。
当按下按钮“STADIUM”时,VT701和VT702同时导通将μPC1891A的拉为低电平,μPC1891A工作在“直通”模式,此时,μPC1891A对输入端输入的信号不作任何处理,直接输出。同时发光二极管VD13点亮,指示音响效果电路工作在“直通”模式。
2. SRS音响效果处理电路SRS5250S
音皇A-888功放机音响效果处理电路原理图如图3所示。该机音响效果电路采用了SEPONIX公司的SRS三维空间(3D)环绕声专用芯片SRS5250S(主要电气参数如表3所示)构成。
SRS是Sound Retrieval System的缩写,意思是音响还原电路,能重现真实的现场立体感,类似于杜比(Dolby)技术,所不同的是杜比技术侧重于多声道环绕,而SRS技术侧重于双声道环绕系统。
人耳可以辨别现场声音的方向,是因为耳朵对相同声音的听觉以及对大脑的指示是不同的,这取决于声音来自前方还是侧面,从侧面来的声音比较响,这是由于耳庭造成的。当声音从前方来时,耳庭将很多频率元素从耳道反射了出去,而侧面来的声音其反射与之不同。这样从侧面来的声音强度强、到达的时间短,耳朵就将这些信息传到大脑,这被称为与脑相关的传播功能。由于这种传播取决于声音的音量和方向,所以声波在传播中始终是变化的,提供给您的大脑的声音信号也是变化的细节,使您知道正在听什么、从什么方向听到的。
传统的双声道立体声不能营造三维环绕声场,并不是因为只用两个音箱的缘故,而是因为双声道录音时用的话筒没有人耳的耳廓,所以通过话筒录音时对侧面来和正面来的声音信号不能像人耳那样进行识别(无论用多少话筒也无济于事)。这样一来,原始的环境声和动感效果就会被掩盖甚至丧失。而SRS技术则考虑到这些持续变化的传播特点,使听者听到声音的与原始现场效果更接近。SRS电路根据立体声信号中能体现临场感的环境声(现场音乐会的反射声和混响声)分别记录在左、右声道中,将L、R两个信号相加产生一个总信号(R+L),然后再将两个信号互减产生两个差分信号(R-L)和(L-R),并对差分信号和总信号进行处理使之成为两路合成信号输往两个音箱中。由于声音的空间信息通常都包含在(R-L)和(L-R)两个差分信号中,所以,经SRS电路处理后声音信号就能使空间信息得以恢复,提高了立体声像,使人从主观上感觉到声像的空间方位和分布。这种技术能方便房间布置并能减少用户的投资,而且所达到的环绕效果完全可以和多声道环绕声媲美。关于SRS技术的详细信息,读者可以到SEPONIX公司的主页http://www.srslabs.com/ 查阅。
图3中,从音源电路送来的L、R两路信号从IC3(SRS5250S)的输入到内部电路,经过内部SRS电路处理后的混和声音信号从SRS5250S的输出到后级功率放大电路。
SRS5250S的为基准电压输出端,该脚电压稳定在1/2Vcc。
SRS5250S有三种工作模式可供选择。为工作模式选择控制端,当该脚接地时,SRS5250S工作在“直通”模式,此时,SRS5250S对输入的立体声信号不作任何处理,直接输出;当该脚接基准电压时,SRS5250S工作在“3D MONO”模式,此时,SRS5250S对输入的立体声信号中低于500Hz的信号进行3dB的提升,使输出的声音信号低频加强(此时,在要求不高的情况下,可以免除超重低音音箱);当该脚悬空时,SRS5250S工作在“SRS”模式,此时,SRS5250S对输入的信号进行SRS技术处理后输出。
SRS5250S的为环绕声信号强度控制端,通过RP3调整该脚直流电平的高低,可以调整输出端信号中(R-L)和(L-R)两个差分信号的强度,从而调整输出声音的现场感。SRS5250S还内置有音量控制电路,通过RP2调整⑩脚直流电平的高低,就能调整SRS5250S内部放大器的增益,从而改变输出信号的幅值,进而改变后级功率放大器的增益和音箱的输出音量。
3.SRS音响效果处理电路NJM2178
联声F-60功放机SRS音响效果处理电路如图4所示。该机音响效果处理电路采用了JRC公司生产的低功耗3D SRS环绕声处理芯片NJM2178,该芯片主要电气参数如表4所示(该芯片原厂资料可到http://www.handle-elect.com/products/semiconductor/njrc/audio_ic/njm2178.pdf下载)。
NJM2178有直通模式、3D SRS模式(3D立体声模式,即3D-STERO模式)、普通3D模式(单声道模式,即3D-MONO模式)三种工作模式供用户选择,其为工作模式选择控制端,通过设置这两个引脚的电平组合,即可方便地对工作模式进行选择,具体设置如表5所示。
在图4中,NJM2178①~⑥脚的电容器与内部电路构成90度相位滤波器;⑦~⑨脚的电容器与内部电路构成3D滤波器;⑩、的阻容件与内部电路构成3D-MONO滤波器;外接的阻容元件构成了外部滤波器;为基准电压(1/2V+)输出端,用来为其它电路提供偏置电压;RP305为空间音量控制电位器,RP306为中间音量控制电位器;为未经处理的两声道信号输入端;为经过处理后的两声道信号输出端;为电源正,为电源负(地端)。
4. BBE处理电路BA3880AS
天逸AD-6000功放机BBE处理部分电路如图5所示。该机BBE处理电路采用了ROHM公司生产的新型BBE处理芯片BA3880AS。该芯片的详细资料可到http://www.rohm.com/products/databook/audio/pdf/ba3880as.pdf下载。
BBE音响增强技术是美国bbe sound ine公司开发研制的一种“高清晰原音系统”,该技术通过对音频信号的相位和幅度进行补偿,来协调声音中的高、中、低频的相位分布(相当于在延时曲线中增加一条镜像曲线),矫正畸变的声音能有效的补偿损失的高频和低频部分,弥补扬声器的一种固有缺陷来恢复声音的清晰度,使音乐表现力更接近于原汁原味。
BA3880AS集成电路采用了美国 bbe sound ine公司的专利技术,其内部采用了二级高、低音阶提升电路,低频端对20Hz左右的频域提升2.5dB或5.5dB;高频端对20kHz左右的频域提升4.5dB或7.5dB,这样可以解决在高低频段扬声器与功放的失配问题,并可改善音效。
从前级电路送来的音频信号经过C118、R26(C119、R22)耦合到由IC7a、IC7b组成的射随器的输入端,经过射随器射随后的音频信号通过C28、C29耦合到BA3880AS的输入端,经过处理后的音频信号从输出。IC7c、IC7d及其外围元件组成5倍放大器,将经过BBE电路处理后的音频信号放大5倍后送至后级功率放大器。
BA3880AS的⑨脚为模式控制端。当将功放机BBE功能关闭时,CPU的BBE控制端输出0V(低电平),使晶体管VT2截止,BA3880AS的⑨脚电平上升到9V,此时BA3880AS内部BBE声音增强处理电路处于直通状态,输入的音频信号不经过任何处理,直接从输出端输出;当将功放机BBE功能开启时,CPU的BBE控制端输出5V高电平,使晶体管VT2导通,BA3880AS的⑨脚电平下降到1.2V以下,BA3880AS开始执行声音增强处理电路功能,对输入的音频信号进行BBE增强处理。
C99、C140为高频补偿电容,C96、C97为低频补偿电容。BA3880AS的①、②、⑩、脚外接电容C18、C19(C25、C26)为增益控制电容,需要注意的是,该电容的取值大小不但会影响到BA3880AS内部放大器的增益,还会影响到处理后输出的声音信号的音调,通常情况下,C18(C26)的容量为470pF固定值,C19(C25)的取值则可以根据需要在6200pF~0.22μF之间选择。
(赵广林)