TA1218AN是大屏幕多功能数码彩电常用的信号源切换电路,不但能完成主画面TV信号与各路AV信号的切换,还能完成子画面TV信号与各路AV信号的切换。它易与梳状滤波器相连,并以Y/C形式输出主画面视频信号。目前,使用该芯片的彩电主要有:长虹NC-6机芯彩电,海信H98C机芯彩电、熊猫C3488型彩电等。
一、 TA1218AN的主要特点
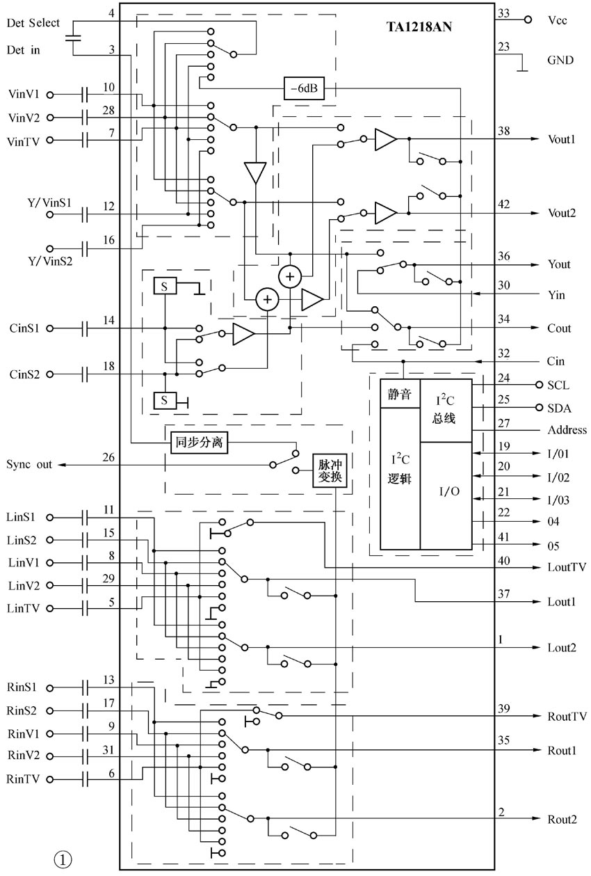
TA1218AN是日本东芝公司研制的彩电专用TV/AV切换电路,一般用于高档画中画彩电。它具有以下一些特点:
(1) 视频输入5通道,视频输出2通道。
(2) 音频输入5通道,音频输出3通道。
(3) 具有同步分离功能,能从输出同步脉冲。
(4) 采用I\(^{2}\)C总线控制方式,总线接口具有自诊功能。
TA1218AN内部,除了含有一系列低阻抗切换开关外,还含有放大器、衰减器、加法器、同步分离电路及I\(^{2}\)C总线接口等电路。它依靠I\(^{2}\)C总线所送来的控制数据,通过改变内部开关的接通方式来完成TV/AV信号的切换。
二、 TA1218AN的应用电路
图2为TA1218AN在海信TF2900系列彩电中的应用电路,由图可知,该机设有三路AV输入功能,其中AV2和AV3带S端子,AV1无S端子。AV3输入端子设在前面板上,故又称前置AV。
由中频电路输出的主画面视频信号加在TA1218AN的⑦脚;音频信号分左(L)、右(R)两路,分别加在⑤脚和⑥脚。
AV1视频信号送至⑩脚,左、右两路音频信号分别送至⑧脚和⑨脚,若音频信号为单声道信号,则从L孔输入,在L孔中分成左右两路,再分别送至⑧脚和⑨脚。
AV2视频信号送至,左、右两路音频信号分别送至和,若音频信号为单声道信号,则从L孔输入。AV2带S端子输入功能,未插入S端子时,S插座内的同步开关处于断开位置,此时,VS03饱和导通,为低电平,AV2处于CVBS工作模式。若插入S端子,则同步开关接通,VS03截止,变为高电平,AV2工作于Y/C模式,此时,由S端子送来的Y信号加至,C信号加至。在Y/C模式下,左右两路音频信号仍从和输入。
前置AV信号输入过程与AV2信号类似,视频信号从输入,左右两路音频信号分别从和输入。前置AV也带S端子输入功能,若插入S端子,则VS02截止,变为高电平,此时,电路工作于Y/C模式,Y信号从输入,C信号从输入。
由子画面小信号处理器送来的子画面TV视频信号加在上,因子画面是无声画面,无须输入音频信号,故和经电阻接地。
⑦脚输入的主画面TV视频信号与⑩脚输入的AV1视频信号、输入的AV2视频信号、输入的前置AV视频信号进行切换,切换后的视频信号从输出,一路径VS06射随后,送至机外,另一路送至Y/C分离电路(TC9090),由Y/C分离电路分离出Y信号和C信号,又分别送回到NS01的和。在TA1218AN内部,和输入的Y/C信号、和输入的Y/C信号(S1)以及和输入的Y/C信号(S2)进行切换,切换后的Y信号从输出,C信号从输出,送至主画面小信号处理器,作进一步处理。
主画面TV伴音信号与各路AV伴音信号切换后,从(R)和(L)输出,一方面送出机外;另一方面送至伴音处理器,作进一步处理。
各路AV视频信号也可与输入的子画面视频信号进行切换,切换后的信号从输出,经VS07射随后,送至子画面小信号处理器,作进一步处理。
TA1218AN内部设有同步分离电路,不管电路工作在何种状态,④脚都有视频信号或亮度信号输出,经电容耦合后,送至③脚,再由内部同步分离电路分离出同步信号,从输出,作为主画面电台识别信号,送至CPU的。
TA1218AN具有多路I/O端口,利用I/O端口输出的电压,可以实现多种控制功能,但本机未用I/O端口的控制功能,各I/O端口输出端均悬空。
三、 I\(^{2}\)C总线对TA1218AN的控制
TA1218AN的和为I\(^{2}\)C总线输入端,TV/AV切换是在I\(^{2}\)C总线控制下完成的。在TA1218AN的I\(^{2}\)C总线接口中,设有写寄存器和读寄存器,写寄存器中存有三组8位二进制数(DATA1、DATA2及DATA3),读寄存器中存有一组8位二进制数(DATA4),CPU通过写入数据和读出数据来完成对TA1218AN的控制。TA1218AN在I\(^{2}\)C总线系统中的地址可由电压来设定,当为低电平时,写入地址为90H,读出地址为91H;当为高电平时,写入地址为92H,读出地址为93H。TA1218AN总线数据传输格式如图3所示。
DATA1、DATA2、DATA3的低三位用于信号切换控制,CPU只需通过I\(^{2}\)C总线向低三位写入不同的数据,便可完成对信号源的选择。高五位用于其它控制,如静音控制、强制TV音频控制、同步信号输出切换控制、输出端口切换控制等。DATA4中所存的数据为TA1218AN的状态信息,CPU通过读出数据,便可了解I/O端口的电平状态及S端子信号的输入情况。
如果读者还想了解更详细的资料,可到http://www.21icsearch.com/search-pdf/openfile.asp?id=36485&filename=toshiba/e003173.pdf处下载。
(王忠诚)

