编者按
《无线电》杂志社与北京市青少年科学技术馆联合举办的“无线电爱好者”杯电子制作比赛今年已是第15届了。虽然这项比赛是北京市中小学生的传统科技活动,但每年它都以新的面目出现,以新的制作项目吸引广大中小学生参加,深受学生和教师的欢迎。十几年来平均每年都有两万左右的中小学生参加此活动,使电子技术在中小学中得到普及和推广。
“光控延时小灯”是2002年“无线电爱好者”杯电子制作比赛中的一个项目,供广大无线电爱好者参考。
光控延时小灯是一个有趣的小电路。晚上把它放在电灯或台灯旁,一旦关闭电灯,这个光控延时小灯将会立即点亮进行照明,使我们不必摸黑上床,经过七八秒种后小灯又会自动熄灭,给我们带来许多方便。晚上出门前使用这个小灯,在关掉房间的照明灯后也可以给我们带来一丝光亮。
元器件的选择
在安装前首先要对所用的元器件进行检测,电路对电阻器、电容器、三极管没有什么特殊要求。电路中的光电二极管是一个重要器件,它的透明外形与普通发光二极管一样,使用时要注意它的极性。透明外壳中电极小的一端是光电二极管的正极。电极大的一端是光电二极管的负极。如果用万用电表的欧姆挡进行测量,当黑表笔接光电二极管的负极,红表笔接光电二极管的正极时,它的电阻值会随光线的强弱而变化,光线暗时它的电阻值可大于100kΩ,光线亮时它的电阻值只有数百欧。因此光电二极管在电路中都是反向连接的,即光电二极管的负极接在电源的正极上。
制 作
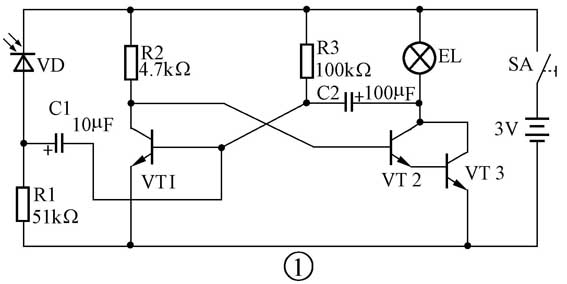
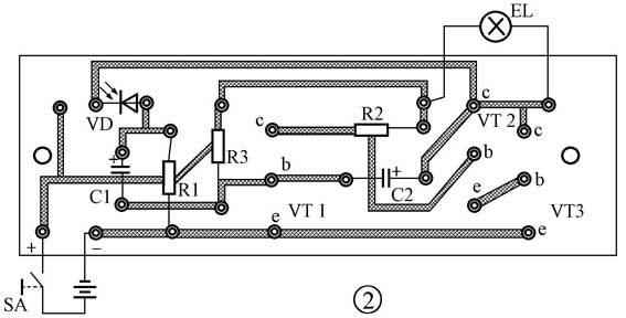
图1是光控延时小灯的电路原理图,图2是它的电路印制板图,图3是元件焊接图。对检查好的元器件引线要进行镀锡处理,保证焊接的可靠性。然后对照图3依次将电阻器、电解电容器、三极管焊到电路板上。由于光电二极管要装在塑料外壳的小孔中,所以在焊接光电二极管时要摆好它的位置,再进行焊接,同时要注意它的极性。




电路中的小灯泡、开关和电池极片都要用导线进行连接。多股导线在使用时首先剥去3mm的绝缘皮,将松散的线头捻紧并镀锡,这样才能保证焊接的质量。开关和电池极片都应先焊好连线,再装到塑料外壳中,小灯泡与电路板连接时,其中一根导线直接焊到小灯泡的罗口上,另一根导线焊在灯泡压片上,然后用自攻螺丝固定灯泡压片,将小灯泡压牢固定。
做好的电路经过检查,可通电试验。选一较暗的房间,把照明灯打开,把做好的电路放在灯下,使光电二极管受到光照,然后关掉照明灯,光控延时小灯就会亮起来。电路成功后再将电路板固定到塑料外壳中。
电路工作原理
光控延时小灯主要是一个单稳态电路。其中VT2和VT3组成一个复合管,它的放大倍数等效于两只三极管放大倍数的乘积。这是因为小灯泡的工作电流较大,为了能驱动它,在这里使用了复合管电路。R3为VT1提供了基极电流;而VT2的基极电流则是直接从VT1的集电极电阻上得到的。VT1集电极与VT2基极之间是直接耦合的;而VT2和VT3的集电极与VT1基极之间的耦合则是由C2来完成的。R2是VT1的集电极负载,VT1和VT3的集电极负载是小灯泡。
单稳态电路的特点是它只有一个稳定状态。电路在没有得到触发信号时,选择合理的R3使VT1稳定在饱和状态,此时它的集电极电压为0.3V以下。这样使VT2和VT3稳定在截止状态。这就是单稳态电路的稳定状态。
当一个负脉冲通过C1到达VT1的基极时,VT1开始趋向截止,它的集电极电流减小,集电极电压升高;经过直接耦合,使VT2的基极电压升高,VT2和VT3开始导通,它们的集电极电压下降;经电容C2的耦合又使VT1的基极电压进一步下降(虽然这时负脉冲已经不再存在),形成一个正反馈,很快达到一个新的状态。此时VT1截止,VT2和VT3饱和导通,小灯泡亮。这就是单稳态电路的暂稳态现象。
但是暂稳态是不能持久的。在暂稳态期间,电容器C2通过电阻器R3进行放电,随着放电的进行,VT1的基极电压逐渐升高,当它达到0.5V以上时,VT1开始导通,正反馈现象再次发生,整个电路很快又回到VT1饱和导通,VT2与VT3截止状态。C2通过R3的放电过程决定了电路暂稳态的维持时间,这个时间t=0.7×R3×C2。在本电路中t=0.7×100×10\(^{3}\)×100×10\(_{-}\)6=7s。改变R3或C2的参数,可以延长或缩短电路的延迟时间。
电路复原后,C2通过小灯泡和VT1的发射结进行充电。充电完成后电路才可以接收下一次的触发。
这个单稳态电路需要一个负脉冲来进行触发,这个负脉冲是如何得到的呢?原来当光线突然变暗,光电二极管的电阻值会立刻增大,而接在它下面R1的阻值却是不会变化的,所以R1的上端电压会立即下降。由于C1两端的电压是不会突变的,所以这个突然下降的电压就形成一个负脉冲加到了VT1的基极上,触发了单稳态电路的翻转。
电路的调整与变化
知道了光控延时小灯的工作原理就可以动手对它进行调整和改进。除了可以改变它的延时时间外,还可以改变它的触发方式,用手动触发试一试,用声控方法试一试。
触发耦合电容器C1容量大小也直接影响着触发效果。本电路中,只有当光线发生瞬间强烈变化时电路才能被触发。如果将小灯由亮处慢慢移到暗处,则电路不会被触发。如果你将C1增大到47μF,你会发现它对光线的要求不一样了。C1容量增大,它会影响到电路的稳定性,使小灯不能熄灭。为了弥补这个缺陷,你可以将光电二极管的负极从电源的正极上断开,接到电容器C2右端试一试,电路板上已预留了安装位置。
此电路虽然简单,但如果你有兴趣对元器件的各种数据进行实验,你会有很大的收获,也许还会有新的发现和创新。
(周海)