低功耗、高精度、可编程电池低电压检测器LTC1998
主要特点:阈值电压精度高,若外接电阻的精度为1%时,其检测精度可选1%;工作电压2.5~5.5V;阈值电压及滞后电压可设定[前者为静态电流小,典型值为2.5μA;输出信号幅值与电源电压范围接近(输出满幅值)、阈值电压设定2.5.V~3.25V,后者为10~75.0mV]。当V\(_{BAT}\)≥1V时,输出状态可保证。
典型应用如图1所示。它由1节锂离子电池供电,经稳压后向微处理器μP及其他电路供电。由LTC1998作锂离子电池低电压检测器。由R1、R2、R3来设定检测阈值电压及滞后电压。其BATT端为电源输入端,V\(_{LOGIC}\)接稳压器输出端,检测稳压器的电压。当此电压低于设定的阈值电压时,BATTLO_____端由高电平跳变为低电平,此端与μP接口,给μP一个复位信号。

为保证阈值电压精度,R1、R2、R3应采用精度为1%金属膜电阻。
查询网址:www.linear-tech.com/pdf/1998i.pdf。
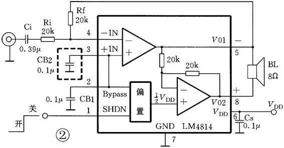
350mW、带有关闭模式的音频功放LM4818
主要特点:
可抑制开/关机的“喀哒”声;单位增益稳定;无需输出耦合电容、自举电容或缓冲网络,很少的外围元件;在+5V供电、1kHz、THD+N=10%、负载阻抗为16Ω时,它的连续平均输出功率可达350mW\(_{RMS}\);负载为8Ω时,连续平均输出功率将为300mW\(_{RMS}\);有关闭模式,此时耗电典型值为0.7μA;贴片式8管脚SOP封装。
该功放主要应用于通用音频放大器、便携式电子产品、信息设备。
典型应用如图2所示。放大器的增益取决于R\(_{f}\)与R\(_{i}\)的比值,由用户设定,本例增益为1。C\(_{S}\)(0.1μF)为消除电源中的噪声而设,应尽可能靠近⑥脚。CB1、CB2是消除开/关机“喀哒”声的电容。①脚为关闭模式控制端(高电平有效)。Ci为输入电容,它决定了输入阻抗并与放大器频率响应有关。

查询网址:www.national.com/ds/LM/LM4818.pdf。效率、低噪声、降压式电荷泵
DC/DC变换器LTC3250-1.5
主要特点:
输入3.1~5.5V,输出1.5V/250mA,若用3.6V的锂离子电池供电,转换效率81%;1.5MHz振荡频率,输出噪声低;输出电压精度±4%;有关闭控制,此时耗电1μA;静态电流低,为35μA;软启动,可防冲击电流;有短路及过热保护电路。
该器件主要应用于手提电脑、蜂窝电话、数码相机、便携式医疗仪器、DSP电源等。
典型应用如图3所示。输入电压3.2~4.2V(1节锂离子电池),输出电压1.5V(1±4%)、100mA。输入电容1μF、输出电容4.7μF、泵电容1μF。采用贴片式多层陶瓷电容。该电路比低压差线性稳压器(LDO)效率要高30%左右,如图4所示。故它有替代LDO的趋势。


查询网址:www.linear-tech.com/pdf/3250i.pdf。
倍压式电荷泵电路LM2792
主要特点:
两个白色LED的驱动电流是匹配的,差值是±0.3%,保证两个LED有同样的亮度;输入电压3.0~5.8V;驱动电流可达34mA(2个LED总电流);有软启动,可防大电流冲击;亮度可用模拟电压调节;有关闭控制,此时耗电小于1μA;典型工作电流1.4mA;开关频率最小值900kHz。
该器件主要用于彩色LCD显示器的背光、键盘的背光、1节锂离子电池工作的电子产品,如PDA、手持式电脑、蜂窝电话及平面显示器等。
应用如图5所示。VD1、VD2为白色LED,其驱动电流可由外接电阻R\(_{SET}\)设定。还可由BRGT端电压(0~3V)来调节LED的亮度。SD__为关闭控制端(低电平有效)。C1为电荷泵电容,可采用1μF的多层陶瓷电容器。VD3为肖特基二极管,启动时它向P\(_{OUT}\)端的1μF充电,振荡器起振,工作电流≥200mA。该电路也可驱动蓝色LED。

查询网址:www.national.com/ds/LM/LM2792.pdf。