电路原理
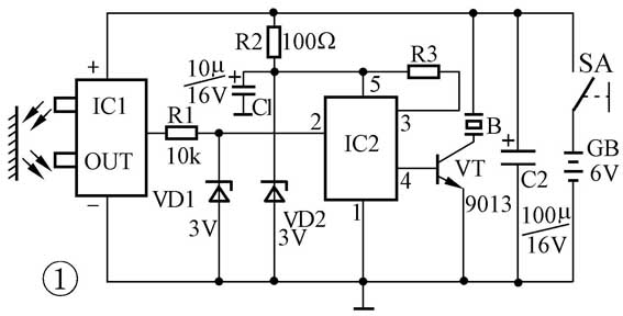
红外线式防近视提醒器电路如图1所示,电路由红外反射开关模块IC1 TX05D、语言芯片IC2及电源等部分组成。

TX05D为天津特新电子厂生产,模块尺寸为46.5mm×32mm×17mm,外形如图2所示。前侧面装有红外发光管和红外接收管,左侧面有发光二极管提示灯和灵敏度调节孔,提示灯用来指示模块的工作状态,平时该灯熄灭,有反射阻挡物时指示灯点亮。调节孔用来调节测距,顺时针调节时探测距增大,逆时针调节时测距减小。测距尚与工作电压有关:工作电压高,测距大,反之则小。模块标称工作电压为5~12V,对应最大探测距离是30~120cm。

通电后红外发光管即向外发射40kHz的调制红外线。当前方无物体阻挡时,红外接收管收不到红外发光管发出的红外光,OUT无信号输出,电路处于静态;当前方一定范围内有人体头部(如眼睛、前额部分)阻挡时,红外线被反射回来并被接收管接收,经模块内部放大、解调、整形及比较处理后,OUT输出高电平,语音芯片IC2②脚被高电平触发,IC2④脚输出内储的语音信号或音乐信号,经三极管VT放大推动压电陶瓷片发出视距过近语音或音乐提醒声,告诫学生应保持正常视距。R2、VD2和C1组成稳压电源,输出3V对IC2供电。R1、VD1为限压电路,确保IC2不受损坏。
元器件选择与制作
IC1:红外反射开关模块TX05D。
IC2:可选择任意型号空白软封装3V语音集成电路芯片,可写入“保持视距,以防近视”之类语言,或选用任意型号音乐芯片。若IC2为低电平触发时,在IC1的输出端应接一只三极管予以反相处理。
电源应选用6V积层电池或四节7号电池。
安装时,前侧面应向上倾斜30°~45°角,如图3所示,以防手臂阻挡发生误动作。

调节模块的探测灵敏度,使视距(即眼睛距纸面)在25~30cm适宜位置即可。
(杨国治)