爱华TA系列随身听是爱华公司生产的普及型随身听,该系列机型的放音部分采用单片BA3528FP完成前置/功放/调速功能,性价比很高。以下介绍该电路工作原理及常见故障的检修实例,供读者参考。
BA3528FP是东芝公司生产的一款随身听专用单片IC,该芯片具有工作电压范围宽(1.8~6V)、双声道前置/功放电路、谐波失真小、开环增益高、内部集成有静音电路和电机调速电路,只需外接少量元件就能完成随身听的全部放音功能。
BA3528FP为HSOP28型28引脚扁平双列直插式塑料封装。引脚及内部结构方框图如图1所示。①脚是静音控制端,当该脚接低电平时,静音电路启动,关闭音频输出;当该脚通过电阻(0~30kΩ)接高电平时,静音电路不起作用。分别是磁头左右声道输入端,是音频前置放大器的电压负反馈端,为前置放大器提供负反馈电压,以提高放大器的性能。为后级放大电路信号输入端②脚分别是左右声道功率放大输出端。③、④、⑤、⑥、⑨、⑩为电机驱动控制端,调整③脚外接电阻的参数,可以调整电机的转速,以满足走带需要(简化电路如图2所示)。

BA3528FP主要特性参数见表1。BA3528FP各引脚在供电电压为3V时的参考电压见表2(用MF500型表在通电未放音时测得)。


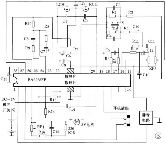
BA3528FP在爱华TA系列机中的应用电路如图3所示(根据实物绘制,元件编号为笔者所加)。磁头LCH、RCH把磁带中的剩磁转换成微小的电流输出,分别馈送至BA3528FP的,C1、C2为高频噪声旁路电容,主要起高频补偿和消除高频干扰的作用。C3、C4、R1~R4组成两路频率均衡网络,来改善放音的低频效果。R5~R9、C5~C7为反馈元件,用来稳定放大器的增益。其中外接电阻用来防止在静音时因内部的差分电路悬空导致的“丝丝”噪声。前置放大电路放大后的声音信号经过电位器中间抽头馈至BA3528FP进行功率放大,功率放大电路输出两路音频信号可以直接驱动耳机发声(功率可达34mW×2)。

2. 故障检修实例
例1:
TA223型随身听收音时正常,放音时电机不转。
首先测电机两端电压只有0.5V,用一节5号电池为电机单独供电,电机能够转动,说明电机正常。该机电机驱动电路包含在单片电路BA3528FP中,焊开电机引线,测量BA3528FP④、⑨脚间电压为0.5V,又测得⑥脚3V电压正常,这说明电机不转可能是由于电机驱动损坏所致,试换BA3528FP后,再试机,电机已经可以转动,只是速度有点快,微调调速电阻后,随身听恢复正常。事后,笔者得知,该故障是用户在听音时调整了调速电阻提高电机转速(他的磁带紧,速度慢),从而导致电机驱动集成电路BA3528FP过载损坏。
小结:
一般情况下,电机速度调整电路是不容易出故障的,在遇到声音变调的情况下,不妨先排除磁带的原因,再检查、调整电路部分。
例2:
TA123随身听放音时电机速度过高。
拆开机壳,试调整调速电阻,故障并没有改善。再测量电机两端电压为2.4V,显然过高,焊下调速电阻,检查该电位器没有问题。一开始笔者以为BA3528FP不正常,故用一片BA3528FP代换后,故障依然没有改观,由于两片集成电路不太可能同时出现同样的故障,又静下心来慢慢测量了与电机驱动有关的引脚,最后发现BA3528FP⑩脚电压与正常时相差2.5V,该脚外接的元件只有一个电容,卸下该电容测量,它已经漏电成了一个20kΩ的电阻。用一个0.1μF的涤纶电容代换后,故障排除。
小结:
该例故障是由于电容漏电,造成BA3528FP内部电机驱动开关管基极与电源直接相连,从而使调速电路失去对开关管的控制,造成电机速度过快的故障。
例3:
TA123型随身听左声道无声,音量带速均正常。
检查耳机插座左声道与BA3528FP②脚的连线没有断路。测量BA3528FP②脚电压在插入耳机时为0V,故判断BA3528FP损坏,用新品代换后,左声道声音恢复正常。
小结:
由于BA3528FP输出的信号直接送到耳机插座,在插拔耳机时,若方法不当就容易造成功放电路输出短路损坏。因此在插拔耳机时最好要垂直、快速插入和拔出。
(赵理科)
