一部绝佳音质的高档CD在音响发烧友心中自然是王者地位,无可代替,但如果有一部优质的FM调谐器,二者使用的比率可能是2∶8。本人对调谐器一向情有独衷,从使用的几款国内外的调谐器的效果来看,觉得建伍KT-V880调谐器效果非凡,现将FM部分电路程式剖析如下,希望对收音爱好者能有所帮助。
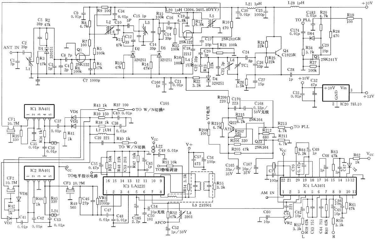
由附图可见基本电路架构仍是典型的一次变频超外差式,此机精华之处有以下几点:

1. 采用输入调谐式高放并且输出采用双调谐型式,极大地提高了抗假响应及镜像干扰能力,在频率覆盖范围内传输系数均匀。由于调谐式高放统调较费事,一般国内调谐器较少采用,在输出采用双调谐型式的更属凤毛麟角。
2. 高放管Q1、混频管Q2采用低噪声高增益高频埸效应管2SK122,比双极型晶体管输入阻抗高、动态范围大、非线性干扰少,对提高整机选择性和信噪比大有裨益。
3. 本振电压由Q2源极注入,源极注入方式与栅极注入方式相比优点是与输入信号相互影响小,工作稳定,本振波形好,这正是发烧级产品所需要的,但要求本振级提供较大功率,不易启振,此机采用一个埸效应管Q3对本振管Q4送出的本振电压作共栅放大后注入Q2源极,从而解决这个问题。本振级用了一个金属屏蔽盒进行屏蔽,以防产生干扰。
4. 从音质的角度出发,FM中频频带较宽为好,这样音频的带宽越宽,选择性将变差,此机中频宽度没有WIDE(宽)、NARROW(窄)可选,CF1与CF2同为10.7MHz陶瓷滤波器,但CF2为高Q值窄带滤波器,当信噪比太差时,通过中频宽-窄带切换开关将其接入信号回路。
5. 中频放大采用SANYO公司的LA1235。这是一片用于高档调频机的IC,内部包括FM中频的全部功能,中放及限幅级由自动降噪优良的六级双端差分放大器构成,特别是弱信号静调谐驱动输出级有滞后特性的施密特回路,可防止由弱信号的波动成分而产生静调谐错误动作,其主要性能指标见附表。
6. 立体声解码同样采用高档调谐器所用的LA3401,其失真度小于0.06%,信噪比达92dB。这差不多是CD机的水平,而常见的TA7343失真度为0.08%,信噪比仅有74dB。
(刘建军)